|
|
|
|
Hydraulics, Inc. 旋轉接頭 SWIVELS
SWIVELS, COUPLINGS, AND CONTROLS FOR HYDRAULIC SYSTEMS
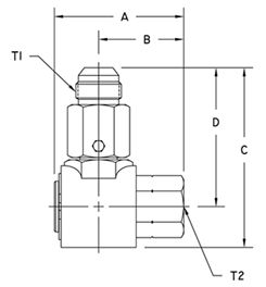
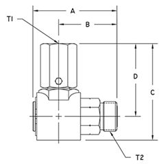
SWIVELS;S-Inline,HS-Heavy Duty Inline,9S-90° Swivel,9SS-Dual Plane Swivel,18S-Parallel Plane Swivel,Flange Swivels
SWIVELS;9SS-Dual Plane Swivel
Hydraulics, Inc.設計特點
硬質碳鋼筒體和直列桿
閥桿退火-減少因沖擊和振動造成的斷裂
拋光筒孔-延長密封壽命
熔模鑄造筒體設計-無釬焊接頭
黃色鉻酸鹽RoHS防護處理鍍鋅
標準O形環和支承環-現場可更換密封套件
可選密封材料
嵌入式和保護防塵密封件
低轉動扭矩
低壓降
可選黃油嘴

Hydraulics, Inc. Design Features
Hardened carbon steel barrel and in-line stem
Stem annealed - Reduced breakage from shock and vibration
Burnished barrel bores - Extended seal life
Investment Cast Barrel Design - No Braze Joints
Protective treatment-Zinc Plating with Yellow Chromate RoHS Compliant Finish
Standard O-Ring and back up ring - Field replaceable seal kits
Optional seal material
Recessed and protected dust seals
Low rotational torque
Low pressure drop
Optional grease fitting
注意CAUTION:
不要試圖在壓力下斷開和拆卸旋轉裝置。在壓力下,不要從閥桿上拆下旋轉筒。不要試圖操作損壞的旋轉接頭,也不要操作顯示油液泄漏和/或明顯軸承磨損的旋轉接頭。考慮所選旋轉裝置的額定壓力不能超過旋轉裝置及其所選端口的額定值。請參閱安全信息-選擇和使用液壓系統,包括旋轉接頭。Do not attempt to disconnect and disassemble swivels under pressure. Do not remove the swivel barrel from stem while under pressure. Do not attempt to operate damaged swivels and do not operate swivels displaying fluid leak and/or obvious bearing wear. Consider that a selected swivels rated pressure cannot exceed the lowest rating of the swivel and of it's selected ports. Refer to Safety Information - Selecting and Using Hydraulics, Inc. Swivel Joints.

壓力限制Pressure Limitations:
“9SS”系列旋轉閥的工作壓力為3000 psi(20.7 MPa);然而,連接管道的額定壓力可能高于或低于旋轉閥。流體動力系統的額定工作壓力不應超過其額定部件。Maximum working pressure for “9SS” Series swivels is 3,000 psi (20.7 Mpa); however, connecting plumbing may be rated higher or lower than that of the swivel. The rated working pressure of a fluid power system should not exceed the lowest rated component therein.
安裝信息Installation Information:
液壓系統公司的旋轉接頭通常被認為是流體動力系統中遇到的低速旋轉。轉速取決于系統環境,流體類型和與溫度和壓力有關的極端條件是考慮因素。可疑的應用應通過實驗室或原型測試證明。安裝時應避免污染,連接管道不應造成過度負荷。水龍頭不應用作承重或結構構件。請參閱安全信息,選擇和使用液壓系統,包括旋轉接頭。Hydraulics, Inc. swivel joints are generally considered for low speed rotation as encountered in fluid power systems. Maximum speed of rotation depends upon system environment, with fluid types and extreme conditions related to temperature and pressure being of prime consideration. Questionable applications should be proven by laboratory or prototype testing. Contamination at installation should be avoided and connecting plumbing should not cause undue loading. The swivel should not be used as a load bearing or structural member. Refer to Safety Information, Selecting and Using Hydraulics, Inc. Swivel Joints.
選項Options:
本網站上顯示的旋轉閥被視為液壓公司的標準配置。有關壓力額定值或端口選項的其他要求,本網站上未顯示,請與我們聯系。可通過在零件號中添加密封化合物指示符后綴來指定可選的密封材料。Swivels shown on this website are considered standard to Hydraulics, Inc. For other requirements relative to pressure ratings or port options, not shown on this website, please contact us. Optional seal material may be specified by adding the seal compound designator suffix to the part number.

 |
 |
 |
| Male O-Ring Face Seal to Male O-Ring Face Seal |
Male O-Ring Face Seal to Male JIC |
Male O-Ring Face Seal to Male SAE O-Ring Boss |
 |
 |
 |
| Male O-Ring Face Seal to Male Pipe |
Male O-Ring Face Seal to Female Pipe |
Male JIC to Male O-Ring Face Seal |
 |
 |
 |
| Male JIC to Male JIC |
Male JIC to Male SAE O-Ring Boss |
Male JIC to Male Pipe |
 |
 |
 |
| Male JIC to Female Pipe |
Female Pipe to Male O-Ring Face Seal |
Female Pipe to Male JIC |
 |
 |
 |
| Female Pipe to Male SAE O-Ring Boss |
Female Pipe to Male Pipe
|
Female Pipe to Female Pipe |
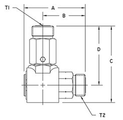
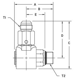
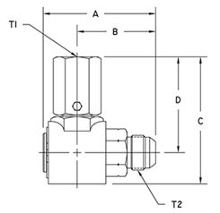
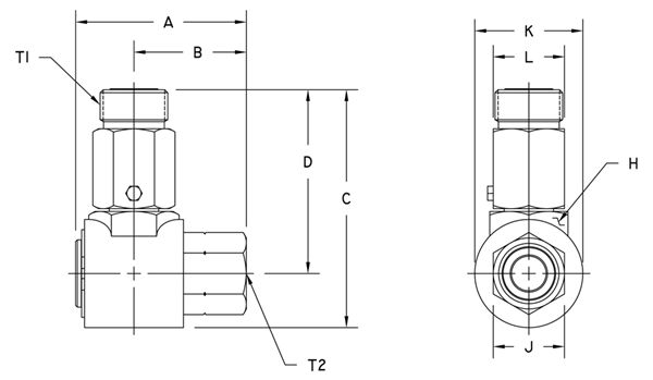
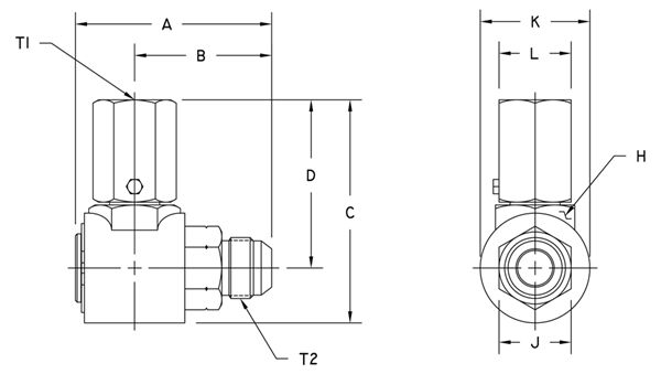
SWIVELS | 9SS-DUAL PLANE SWIVEL | MALE O-RING FACE SEAL TO MALE O-RING FACE SEAL
MALE O-RING FACE SEAL TO MALE O-RING FACE SEAL
male-o-ring-face-seal-to-male-o-ring-face-seal
| Part Number |
T1 |
T2 |
A |
B |
C |
D |
H Hex |
J Hex(* = Round) |
K Dia. |
L Hex |
Max W.P. |
| 9SS6F6-F6 |
11/16-16 UN-2A |
11/16-16 UN-2A |
2.50 63.5 mm |
1.65 41.9 mm |
3.05 77.5 mm |
2.59 65.8 mm |
1.00 25.4 mm |
0.87 22.1 mm |
0.92 23.4 mm |
1.00 25.4 mm |
3,000 PSI 20.7 MPa |
| 9SS6F8-F8 |
13/16-16 UN-2A |
13/16-16 UN-2A |
2.50 63.5 mm |
1.65 41.9 mm |
3.05 77.5 mm |
2.59 65.8 mm |
1.00 25.4 mm |
1.00 25.4 mm |
0.92 23.4 mm |
1.00 25.4 mm |
3,000 PSI 20.7 MPa |
| 9SS8F10-F10 |
1-14 UNS-2A |
1-14 UNS-2A |
2.77 70.4 mm |
1.93 49.0 mm |
3.74 95.0 mm |
2.99 75.9 mm |
1.13 28.7 mm |
1.00 25.4 mm |
1.50 38.1 mm |
1.25 31.8 mm |
3,000 PSI 20.7 MPa |
| 9SS12F12-F12 |
1 3/16-12 UN-2A |
1 3/16-12 UN-2A |
3.34 84.8 mm |
2.30 58.4 mm |
4.18 106.2 mm |
3.23 82.0 mm |
1.38 35.1 mm |
1.25 31.8 mm |
1.90 48.3 mm |
1.25 31.8 mm |
3,000 PSI 20.7 MPa |
| 9SS16F16-F16 |
1 7/16-12 UN-2A |
1 7/16-12 UN-2A |
3.76 95.5 mm |
2.62 66.5 mm |
5.15 130.8 mm |
4.09 103.9 mm |
1.63 41.4 mm |
1.63 41.4 mm |
2.13 54.1 mm |
1.75 44.5 mm |
3,000 PSI 20.7 MPa |
| 9SS20F20-F20 |
1 11/16-12 UN-2A |
1 11/16-12 UN-2A |
4.12 104.6 mm |
2.80 71.1 mm |
5.74 145.8 mm |
4.36 110.7 mm |
2.00 50.8 mm |
2.00 50.8 mm |
2.75 69.9 mm |
2.25 57.2 mm |
3,000 PSI 20.7 MPa |
| 9SS24F24-F24 |
2-12 UN-2A |
2-12 UN-2A |
5.26 133.6 mm |
3.49 88.6 mm |
6.88 174.8 mm |
5.13 130.3 mm |
2.37 60.2 mm |
2.37 60.2 mm |
3.50 88.9 mm |
*2.75 69.9 mm |
3,000 PSI 20.7 MPa |
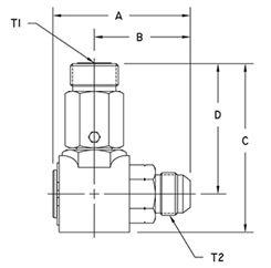
SWIVELS | 9SS-DUAL PLANE SWIVEL | MALE O-RING FACE SEAL TO MALE JIC
MALE O-RING FACE SEAL TO MALE JIC
male-o-ring-face-seal-to-male-jic

| Part Number |
T1 |
T2 |
A |
B |
C |
D |
H Hex |
J Hex(* = Round) |
K Dia. |
L Hex |
Max W.P. |
| 9SS6F6-J6 |
11/16-16 UN-2A |
9/16-18 UNF-2A |
2.50 63.5 mm |
1.65 41.9 mm |
3.05 77.5 mm |
2.59 65.8 mm |
1.00 25.4 mm |
0.87 22.1 mm |
0.92 23.4 mm |
1.00 25.4 mm |
3,000 PSI 20.7 MPa |
| 9SS6F8-J8 |
13/16-16 UN-2A |
3/4-16 UNF-2A |
2.50 63.5 mm |
1.65 41.9 mm |
3.05 77.5 mm |
2.59 65.8 mm |
1.00 25.4 mm |
0.87 22.1 mm |
0.92 23.4 mm |
1.00 25.4 mm |
3,000 PSI 20.7 MPa |
| 9SS8F10-J10 |
1-14 UNS-2A |
7/8-14 UNF-2A |
2.83 71.9 mm |
1.99 50.5 mm |
3.74 95.0 mm |
2.99 75.9 mm |
1.13 28.7 mm |
1.00 25.4 mm |
1.50 38.1 mm |
1.25 31.8 mm |
3,000 PSI 20.7 MPa |
| 9SS12F12-J12 |
1 3/16-12 UN-2A |
1 1/16-12 UN-2A |
3.40 86.4 mm |
2.36 59.9 mm |
4.18 106.2 mm |
3.23 82.0 mm |
1.38 35.1 mm |
1.25 31.8 mm |
1.90 48.3 mm |
1.25 31.8 mm |
3,000 PSI 20.7 MPa |
| 9SS16F16-J16 |
1 7/16-12 UN-2A |
1 5/16-12 UN-2A |
3.82 97.0 mm |
2.68 68.1 mm |
5.15 130.8 mm |
4.09 103.9 mm |
1.63 41.4 mm |
1.63 41.4 mm |
2.13 54.1 mm |
1.75 44.5 mm |
3,000 PSI 20.7 MPa |
| 9SS20F20-J20 |
1 11/16-12 UN-2A |
1 5/8-12 UN-2A |
4.12 104.6 mm |
2.81 71.4 mm |
5.74 145.8 mm |
4.36 110.7 mm |
2.00 50.8 mm |
2.00 50.8 mm |
2.75 69.9 mm |
2.25 57.2 mm |
3,000 PSI 20.7 MPa |
| 9SS24F24-J24 |
2-12 UN-2A |
1 7/8-12 UN-2A |
5.27 133.9 mm |
3.50 88.9 mm |
6.88 174.8 mm |
5.13 130.3 mm |
2.37 60.2 mm |
2.37 60.2 mm |
3.50 88.9 mm |
*2.75 69.9 mm |
3,000 PSI 20.7 MPa |
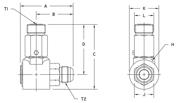
SWIVELS | 9SS-DUAL PLANE SWIVEL | MALE O-RING FACE SEAL TO MALE SAE O-RING BOSS
MALE O-RING FACE SEAL TO MALE SAE O-RING BOSS
male-o-ring-face-seal-to-male-sae-o-ring-boss

| Part Number |
T1 |
T2 |
A |
B |
C |
D |
E |
H Hex |
J Hex(* = Round) |
K Dia. |
L Hex |
Max W.P. |
| 9SS6F6-O6 |
11/16-16 UN-2A |
9/16-18 UNF-2A |
2.50 63.5 mm |
1.65 41.9 mm |
3.05 77.5 mm |
2.59 65.8 mm |
1.18 30.0 mm |
1.00 25.4 mm |
0.87 22.1 mm |
0.92 23.4 mm |
1.00 25.4 mm |
3,000 PSI 20.7 MPa |
| 9SS6F8-O8 |
13/16-16 UN-2A |
3/4-16 UNF-2A |
2.50 63.5 mm |
1.65 41.9 mm |
3.05 77.5 mm |
2.59 65.8 mm |
1.10 27.9 mm |
1.00 25.4 mm |
0.87 22.1 mm |
0.92 23.4 mm |
1.00 25.4 mm |
3,000 PSI 20.7 MPa |
| 9SS8F10-O10 |
1-14 UNS-2A |
7/8-14 UNF-2A |
2.83 71.9 mm |
1.99 50.5 mm |
3.74 95.0 mm |
2.99 75.9 mm |
1.35 34.3 mm |
1.13 28.7 mm |
1.00 25.4 mm |
1.50 38.1 mm |
1.25 31.8 mm |
3,000 PSI 20.7 MPa |
| 9SS12F12-O12 |
1 3/16-12 UN-2A |
1 1/16-12 UN-2A |
3.37 85.6 mm |
2.33 59.2 mm |
4.18 106.2 mm |
3.23 82.0 mm |
1.62 41.1 mm |
1.38 35.1 mm |
1.25 31.8 mm |
1.90 48.3 mm |
1.25 31.8 mm |
3,000 PSI 20.7 MPa |
| 9SS16F16-O16 |
1 7/16-12 UN-2A |
1 5/16-12 UN-2A |
3.62 91.9 mm |
2.48 63.0 mm |
5.15 130.8 mm |
4.09 103.9 mm |
1.78 45.2 mm |
1.63 41.4 mm |
1.63 41.4 mm |
2.13 54.1 mm |
1.75 44.5 mm |
3,000 PSI 20.7 MPa |
| 9SS20F20-O20 |
1 11/16-12 UN-2A |
1 5/8-12 UN-2A |
4.08 103.6 mm |
2.76 70.1 mm |
5.74 145.8 mm |
4.36 110.7 mm |
2.04 51.8 mm |
2.00 50.8 mm |
2.00 50.8 mm |
2.75 69.9 mm |
2.25 57.2 mm |
3,000 PSI 20.7 MPa |
| 9SS24F24-O24 |
2-12 UN-2A |
1 7/8-12 UN-2A |
4.91 124.7 mm |
3.14 79.8 mm |
6.88 174.8 mm |
5.13 130.3 mm |
2.42 61.5 mm |
2.37 60.2 mm |
2.37 60.2 mm |
3.50 88.9 mm |
*2.75 69.9 mm |
3,000 PSI 20.7 MPa |
SWIVELS | 9SS-DUAL PLANE SWIVEL | MALE O-RING FACE SEAL TO MALE PIPE
MALE O-RING FACE SEAL TO MALE PIPE
male-o-ring-face-seal-to-male-pipe

| Part Number |
T1 |
T2 |
A |
B |
C |
D |
H Hex |
J Hex(* = Round) |
K Dia. |
L Hex |
Max W.P. |
| 9SS6F6-P4 |
11/16-16 UN-2A |
1/4-18 NPTF |
2.50 63.5 mm |
1.65 41.9 mm |
3.05 77.5 mm |
2.59 65.8 mm |
1.00 25.4 mm |
0.87 22.1 mm |
0.92 23.4 mm |
1.00 25.4 mm |
3,000 PSI 20.7 MPa |
| 9SS6F8-P6 |
13/16-16 UN-2A |
3/8-18 NPTF |
2.50 63.5 mm |
1.65 41.9 mm |
3.05 77.5 mm |
2.59 65.8 mm |
1.00 25.4 mm |
0.87 22.1 mm |
0.92 23.4 mm |
1.00 25.4 mm |
3,000 PSI 20.7 MPa |
| 9SS8F10-P8 |
1-14 UNS-2A |
1/2-14 NPTF |
2.83 71.9 mm |
1.99 50.5 mm |
3.74 95.0 mm |
2.99 75.9 mm |
1.13 28.7 mm |
1.00 25.4 mm |
1.50 38.1 mm |
1.25 31.8 mm |
3,000 PSI 20.7 MPa |
| 9SS12F12-P12 |
1 3/16-12 UN-2A |
3/4-14 NPTF |
3.40 86.4 mm |
2.37 60.2 mm |
4.18 106.2 mm |
3.23 82.0 mm |
1.38 35.1 mm |
1.25 31.8 mm |
1.90 48.3 mm |
1.25 31.8 mm |
3,000 PSI 20.7 MPa |
| 9SS16F16-P16 |
1 7/16-12 UN-2A |
1-11 1/2 NPTF |
3.82 97.0 mm |
2.70 68.6 mm |
5.15 130.8 mm |
4.09 103.9 mm |
1.63 41.4 mm |
1.63 41.4 mm |
2.13 54.1 mm |
1.75 44.5 mm |
3,000 PSI 20.7 MPa |
| 9SS20F20-P20 |
1 11/16-12 UN-2A |
1 1/4-11 1/2 NPTF |
4.18 106.2 mm |
2.85 72.4 mm |
5.74 145.8 mm |
4.36 110.7 mm |
2.00 50.8 mm |
2.00 50.8 mm |
2.75 69.9 mm |
2.25 57.2 mm |
3,000 PSI 20.7 MPa |
| 9SS24F24-P24 |
2-12 UN-2A |
1 1/2-11 1/2 NPTF |
5.32 135.1 mm |
3.55 90.2 mm |
6.88 174.8 mm |
5.13 130.3 mm |
2.37 60.2 mm |
2.37 60.2 mm |
3.50 88.9 mm |
*2.75 69.9 mm |
3,000 PSI 20.7 MPa |
SWIVELS | 9SS-DUAL PLANE SWIVEL | MALE O-RING FACE SEAL TO FEMALE PIPE
MALE O-RING FACE SEAL TO FEMALE PIPE
male-o-ring-face-seal-to-female-pipe

| Part Number |
T1 |
T2 |
A |
B |
C |
D |
H Hex |
J Hex(* = Round) |
K Dia. |
L Hex |
Max W.P. |
| 9SS6F6-PF4 |
11/16-16 UN-2A |
1/4-18 NPTF |
2.50 63.5 mm |
1.65 41.9 mm |
3.05 77.5 mm |
2.59 65.8 mm |
1.00 25.4 mm |
0.87 22.1 mm |
0.92 23.4 mm |
1.00 25.4 mm |
3,000 PSI 20.7 MPa |
| 9SS6F8-PF6 |
13/16-16 UN-2A |
3/8-18 NPTF |
2.50 63.5 mm |
1.65 41.9 mm |
3.05 77.5 mm |
2.59 65.8 mm |
1.00 25.4 mm |
0.87 22.1 mm |
0.92 23.4 mm |
1.00 25.4 mm |
3,000 PSI 20.7 MPa |
| 9SS8F10-PF8 |
1-14 UNS-2A |
1/2-14 NPTF |
2.62 66.5 mm |
1.78 45.2 mm |
3.74 95.0 mm |
2.99 75.9 mm |
1.13 28.7 mm |
1.00 25.4 mm |
1.50 38.1 mm |
1.25 31.8 mm |
3,000 PSI 20.7 MPa |
| 9SS12F12-PF12 |
1 3/16-12 UN-2A |
3/4-14 NPTF |
3.00 76.2 mm |
1.97 50.0 mm |
4.18 106.2 mm |
3.23 82.0 mm |
1.38 35.1 mm |
1.25 31.8 mm |
1.90 48.3 mm |
1.25 31.8 mm |
3,000 PSI 20.7 MPa |
| 9SS16F16-PF16 |
1 7/16-12 UN-2A |
1-11 1/2 NPTF |
3.40 86.4 mm |
2.22 56.4 mm |
5.15 130.8 mm |
4.09 103.9 mm |
1.63 41.4 mm |
1.63 41.4 mm |
2.13 54.1 mm |
1.75 44.5 mm |
3,000 PSI 20.7 MPa |
| 9SS20F20-PF20 |
1 11/16-12 UN-2A |
1 1/4-11 1/2 NPTF |
4.18 106.2 mm |
2.86 72.6 mm |
5.74 145.8 mm |
4.36 110.7 mm |
2.00 50.8 mm |
2.00 50.8 mm |
2.75 69.9 mm |
2.25 57.2 mm |
3,000 PSI 20.7 MPa |
| 9SS24F24-PF24 |
2-12 UN-2A |
1 1/2-11 1/2 NPTF |
4.89 124.2 mm |
3.12 79.2 mm |
6.88 174.8 mm |
5.13 130.3 mm |
2.37 60.2 mm |
2.37 60.2 mm |
3.50 88.9 mm |
*2.75 69.9 mm |
3,000 PSI 20.7 MPa |
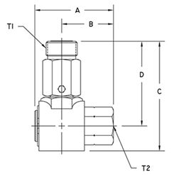
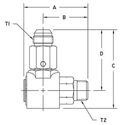
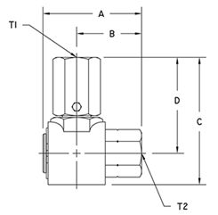
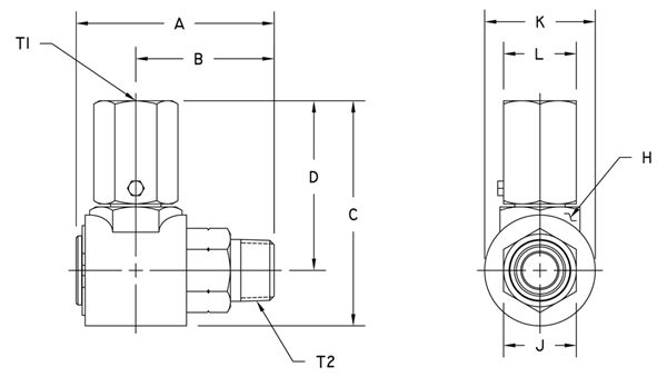
SWIVELS | 9SS-DUAL PLANE SWIVEL | MALE JIC TO MALE O-RING FACE SEAL
MALE JIC TO MALE O-RING FACE SEAL
male-jic-to-male-o-ring-face-seal

| Part Number |
T1 |
T2 |
A |
B |
C |
D |
H Hex |
J Hex(* = Round) |
K Dia. |
L Hex |
Max W.P. |
| 9SS6J6-F6 |
9/16-18 UNF-2A |
11/16-16 UN-2A |
2.50 63.5 mm |
1.65 41.9 mm |
2.92 74.2 mm |
2.46 62.5 mm |
1.00 25.4 mm |
0.87 22.1 mm |
0.92 23.4 mm |
1.00 25.4 mm |
3,000 PSI 20.7 MPa |
| 9SS6J8-F8 |
3/4-16 UNF-2A |
13/16-16 UN-2A |
2.50 63.5 mm |
1.65 41.9 mm |
3.05 77.5 mm |
2.59 65.8 mm |
1.00 25.4 mm |
1.00 25.4 mm |
0.92 23.4 mm |
1.00 25.4 mm |
3,000 PSI 20.7 MPa |
| 9SS8J10-F10 |
7/8-14 UNF-2A |
1-14 UNS-2A |
2.77 70.4 mm |
1.93 49.0 mm |
3.65 92.7 mm |
2.90 73.7 mm |
1.13 28.7 mm |
1.00 25.4 mm |
1.50 38.1 mm |
1.25 31.8 mm |
3,000 PSI 20.7 MPa |
| 9SS12J12-F12 |
1 1/16-12 UN-2A |
1 3/16-12 UN-2A |
3.34 84.8 mm |
2.30 58.4 mm |
4.18 106.2 mm |
3.23 82.0 mm |
1.38 35.1 mm |
1.25 31.8 mm |
1.90 48.3 mm |
1.25 31.8 mm |
3,000 PSI 20.7 MPa |
| 9SS16J16-F16 |
1 5/16-12 UN-2A |
1 7/16-12 UN-2A |
3.76 95.5 mm |
2.62 66.5 mm |
4.98 126.5 mm |
3.92 99.6 mm |
1.63 41.4 mm |
1.63 41.4 mm |
2.13 54.1 mm |
1.75 44.5 mm |
3,000 PSI 20.7 MPa |
| 9SS20J20-F20 |
1 5/8-12 UN-2A |
1 11/16-12 UN-2A |
4.12 104.6 mm |
2.80 71.1 mm |
5.67 144.0 mm |
4.29 109.0 mm |
2.00 50.8 mm |
2.00 50.8 mm |
2.75 69.9 mm |
2.25 57.2 mm |
3,000 PSI 20.7 MPa |
| 9SS24J24-F24 |
1 7/8-12 UN-2A |
2-12 UN-2A |
5.26 133.6 mm |
3.49 88.6 mm |
6.80 172.7 mm |
5.05 128.3 mm |
2.37 60.2 mm |
2.37 60.2 mm |
3.50 88.9 mm |
*2.75 69.9 mm |
3,000 PSI 20.7 MPa |
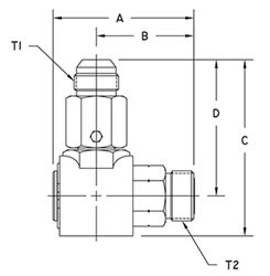
SWIVELS | 9SS-DUAL PLANE SWIVEL | MALE JIC TO MALE JIC
MALE JIC TO MALE JIC
male-jic-to-male-jic

| Part Number |
T1 |
T2 |
A |
B |
C |
D |
H Hex |
J Hex(* = Round) |
K Dia. |
L Hex |
Max W.P. |
| 9SS6J6-J5 |
9/16-18 UNF-2A |
1/2-20 UNF-2A |
2.50 63.5 mm |
1.65 41.9 mm |
2.92 74.2 mm |
2.46 62.5 mm |
1.00 25.4 mm |
0.87 22.1 mm |
0.92 23.4 mm |
1.00 25.4 mm |
3,000 PSI 20.7 MPa |
| 9SS6J6-J6 |
9/16-18 UNF-2A |
9/16-18 UNF-2A |
2.50 63.5 mm |
1.65 41.9 mm |
2.92 74.2 mm |
2.46 62.5 mm |
1.00 25.4 mm |
0.87 22.1 mm |
0.92 23.4 mm |
1.00 25.4 mm |
3,000 PSI 20.7 MPa |
| 9SS6J6-J8 |
9/16-18 UNF-2A |
3/4-16 UNF-2A |
2.50 63.5 mm |
1.65 41.9 mm |
2.92 74.2 mm |
2.46 62.5 mm |
1.00 25.4 mm |
0.87 22.1 mm |
0.92 23.4 mm |
1.00 25.4 mm |
3,000 PSI 20.7 MPa |
| 9SS6J8-J6 |
3/4-16 UNF-2A |
9/16-18 UNF-2A |
2.50 63.5 mm |
1.65 41.9 mm |
3.05 77.5 mm |
2.59 65.8 mm |
1.00 25.4 mm |
0.87 22.1 mm |
0.92 23.4 mm |
1.00 25.4 mm |
3,000 PSI 20.7 MPa |
| 9SS6J8-J8 |
3/4-16 UNF-2A |
3/4-16 UNF-2A |
2.50 63.5 mm |
1.65 41.9 mm |
3.05 77.5 mm |
2.59 65.8 mm |
1.00 25.4 mm |
0.87 22.1 mm |
0.92 23.4 mm |
1.00 25.4 mm |
3,000 PSI 20.7 MPa |
| 9SS8J8-J8 |
3/4-16 UNF-2A |
3/4-16 UNF-2A |
2.83 71.9 mm |
1.99 50.5 mm |
3.55 90.2 mm |
2.80 71.1 mm |
1.13 28.7 mm |
1.00 25.4 mm |
1.50 38.1 mm |
1.25 31.8 mm |
3,000 PSI 20.7 MPa |
| 9SS8J8-J10 |
3/4-16 UNF-2A |
7/8-14 UNF-2A |
2.83 71.9 mm |
1.99 50.5 mm |
3.55 90.2 mm |
2.80 71.1 mm |
1.13 28.7 mm |
1.00 25.4 mm |
1.50 38.1 mm |
1.25 31.8 mm |
3,000 PSI 20.7 MPa |
| 9SS8J10-J8 |
7/8-14 UNF-2A |
3/4-16 UNF-2A |
2.83 71.9 mm |
1.99 50.5 mm |
3.65 92.7 mm |
2.90 73.7 mm |
1.13 28.7 mm |
1.00 25.4 mm |
1.50 38.1 mm |
1.25 31.8 mm |
3,000 PSI 20.7 MPa |
| 9SS8J10-J10 |
7/8-14 UNF-2A |
7/8-14 UNF-2A |
2.83 71.9 mm |
1.99 50.5 mm |
3.65 92.7 mm |
2.90 73.7 mm |
1.13 28.7 mm |
1.00 25.4 mm |
1.50 38.1 mm |
1.25 31.8 mm |
3,000 PSI 20.7 MPa |
| 9SS12J12-J12 |
1 1/16-12 UN-2A |
1 1/16-12 UN-2A |
3.40 86.4 mm |
2.36 59.9 mm |
4.18 106.2 mm |
3.23 82.0 mm |
1.38 35.1 mm |
1.25 31.8 mm |
1.90 48.3 mm |
1.25 31.8 mm |
3,000 PSI 20.7 MPa |
| 9SS16J16-J16 |
1 5/16-12 UN-2A |
1 5/16-12 UN-2A |
3.82 97.0 mm |
2.68 68.1 mm |
4.98 126.5 mm |
3.92 99.6 mm |
1.63 41.4 mm |
1.63 41.4 mm |
2.13 54.1 mm |
1.75 44.5 mm |
3,000 PSI 20.7 MPa |
| 9SS20J20-J20 |
1 5/8-12 UN-2A |
1 5/8-12 UN-2A |
4.12 104.6 mm |
2.81 71.4 mm |
5.67 144.0 mm |
4.29 109.0 mm |
2.00 50.8 mm |
2.00 50.8 mm |
2.75 69.9 mm |
2.25 57.2 mm |
3,000 PSI 20.7 MPa |
| 9SS24J24-J24 |
1 7/8-12 UN-2A |
1 7/8-12 UN-2A |
5.27 133.9 mm |
3.50 88.9 mm |
6.80 172.7 mm |
5.05 128.3 mm |
2.37 60.2 mm |
2.37 60.2 mm |
3.50 88.9 mm |
*2.75 69.9 mm |
3,000 PSI 20.7 MPa |
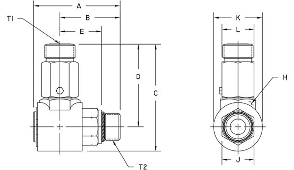
SWIVELS | 9SS-DUAL PLANE SWIVEL | MALE JIC TO MALE SAE O-RING BOSS
MALE JIC TO MALE SAE O-RING BOSS
male-jic-to-male-sae-o-ring-boss

| Part Number |
T1 |
T2 |
A |
B |
C |
D |
E |
H Hex |
J Hex(* = Round) |
K Dia. |
L Hex |
Max W.P. |
| 9SS6J6-O4 |
9/16-18 UNF-2A |
7/16-20 UNF-2A |
2.50 63.5 mm |
1.65 41.9 mm |
2.92 74.2 mm |
2.46 62.5 mm |
1.22 31.0 mm |
1.00 25.4 mm |
0.87 22.1 mm |
0.92 23.4 mm |
1.00 25.4 mm |
3,000 PSI 20.7 MPa |
| 9SS6J6-O5 |
9/16-18 UNF-2A |
1/2-20 UNF-2A |
2.50 63.5 mm |
1.65 41.9 mm |
2.92 74.2 mm |
2.46 62.5 mm |
1.22 31.0 mm |
1.00 25.4 mm |
0.87 22.1 mm |
0.92 23.4 mm |
1.00 25.4 mm |
3,000 PSI 20.7 MPa |
| 9SS6J6-O6 |
9/16-18 UNF-2A |
9/16-18 UNF-2A |
2.50 63.5 mm |
1.65 41.9 mm |
2.92 74.2 mm |
2.46 62.5 mm |
1.18 30.0 mm |
1.00 25.4 mm |
0.87 22.1 mm |
0.92 23.4 mm |
1.00 25.4 mm |
3,000 PSI 20.7 MPa |
| 9SS6J6-O8 |
9/16-18 UNF-2A |
3/4-16 UNF-2A |
2.50 63.5 mm |
1.65 41.9 mm |
2.92 74.2 mm |
2.46 62.5 mm |
1.10 27.9 mm |
1.00 25.4 mm |
0.87 22.1 mm |
0.92 23.4 mm |
1.00 25.4 mm |
3,000 PSI 20.7 MPa |
| 9SS6J8-O4 |
3/4-16 UNF-2A |
7/16-20 UNF-2A |
2.50 63.5 mm |
1.65 41.9 mm |
3.05 77.5 mm |
2.59 65.8 mm |
1.22 31.0 mm |
1.00 25.4 mm |
0.87 22.1 mm |
0.92 23.4 mm |
1.00 25.4 mm |
3,000 PSI 20.7 MPa |
| 9SS6J8-O5 |
3/4-16 UNF-2A |
1/2-20 UNF-2A |
2.50 63.5 mm |
1.65 41.9 mm |
3.05 77.5 mm |
2.59 65.8 mm |
1.22 31.0 mm |
1.00 25.4 mm |
0.87 22.1 mm |
0.92 23.4 mm |
1.00 25.4 mm |
3,000 PSI 20.7 MPa |
| 9SS6J8-O6 |
3/4-16 UNF-2A |
9/16-18 UNF-2A |
2.50 63.5 mm |
1.65 41.9 mm |
3.05 77.5 mm |
2.59 65.8 mm |
1.18 30.0 mm |
1.00 25.4 mm |
0.87 22.1 mm |
0.92 23.4 mm |
1.00 25.4 mm |
3,000 PSI 20.7 MPa |
| 9SS6J8-O8 |
3/4-16 UNF-2A |
3/4-16 UNF-2A |
2.50 63.5 mm |
1.65 41.9 mm |
3.05 77.5 mm |
2.59 65.8 mm |
1.10 27.9 mm |
1.00 25.4 mm |
0.87 22.1 mm |
0.92 23.4 mm |
1.00 25.4 mm |
3,000 PSI 20.7 MPa |
| 9SS8J8-O8 |
3/4-16 UNF-2A |
3/4-16 UNF-2A |
2.58 65.5 mm |
1.74 44.2 mm |
3.55 90.2 mm |
2.80 71.1 mm |
1.19 30.2 mm |
1.13 28.7 mm |
1.00 25.4 mm |
1.50 38.1 mm |
1.25 31.8 mm |
3,000 PSI 20.7 MPa |
| 9SS8J8-O10 |
3/4-16 UNF-2A |
7/8-14 UNF-2A |
2.83 71.9 mm |
1.99 50.5 mm |
3.55 90.2 mm |
2.80 71.1 mm |
1.35 34.3 mm |
1.13 28.7 mm |
1.00 25.4 mm |
1.50 38.1 mm |
1.25 31.8 mm |
3,000 PSI 20.7 MPa |
| 9SS8J8-O12 |
3/4-16 UNF-2A |
1 1/16-12 UN-2A |
3.00 76.2 mm |
2.16 54.9 mm |
3.55 90.2 mm |
2.80 71.1 mm |
1.44 36.6 mm |
1.13 28.7 mm |
1.25 31.8 mm |
1.50 38.1 mm |
1.25 31.8 mm |
3,000 PSI 20.7 MPa |
| 9SS8J10-O8 |
7/8-14 UNF-2A |
3/4-16 UNF-2A |
2.58 65.5 mm |
1.74 44.2 mm |
3.65 92.7 mm |
2.90 73.7 mm |
1.19 30.2 mm |
1.13 28.7 mm |
1.00 25.4 mm |
1.50 38.1 mm |
1.25 31.8 mm |
3,000 PSI 20.7 MPa |
| 9SS8J10-O10 |
7/8-14 UNF-2A |
7/8-14 UNF-2A |
2.83 71.9 mm |
1.99 50.5 mm |
3.65 92.7 mm |
2.90 73.7 mm |
1.35 34.3 mm |
1.13 28.7 mm |
1.00 25.4 mm |
1.50 38.1 mm |
1.25 31.8 mm |
3,000 PSI 20.7 MPa |
| 9SS8J10-O12 |
7/8-14 UNF-2A |
1 1/16-12 UN-2A |
3.00 76.2 mm |
2.16 54.9 mm |
3.65 92.7 mm |
2.90 73.7 mm |
1.44 36.6 mm |
1.13 28.7 mm |
1.25 31.8 mm |
1.50 38.1 mm |
1.25 31.8 mm |
3,000 PSI 20.7 MPa |
| 9SS12J12-O12 |
1 1/16-12 UN-2A |
1 1/16-12 UN-2A |
3.37 85.6 mm |
2.33 59.2 mm |
4.18 106.2 mm |
3.23 82.0 mm |
1.62 41.1 mm |
1.38 35.1 mm |
1.25 31.8 mm |
1.90 48.3 mm |
1.25 31.8 mm |
3,000 PSI 20.7 MPa |
| 9SS16J16-O16 |
1 5/16-12 UN-2A |
1 5/16-12 UN-2A |
3.62 91.9 mm |
2.48 63.0 mm |
4.98 126.5 mm |
3.92 99.6 mm |
1.78 45.2 mm |
1.63 41.4 mm |
1.63 41.4 mm |
2.13 54.1 mm |
1.75 44.5 mm |
3,000 PSI 20.7 MPa |
| 9SS20J20-O20 |
1 5/8-12 UN-2A |
1 5/8-12 UN-2A |
4.08 103.6 mm |
2.75 69.9 mm |
5.67 144.0 mm |
4.29 109.0 mm |
2.04 51.8 mm |
2.00 50.8 mm |
2.00 50.8 mm |
2.75 69.9 mm |
2.25 57.2 mm |
3,000 PSI 20.7 MPa |
| 9SS24J24-O24 |
1 7/8-12 UN-2A |
1 7/8-12 UN-2A |
4.91 124.7 mm |
3.14 79.8 mm |
6.80 172.7 mm |
5.05 128.3 mm |
2.42 61.5 mm |
2.37 60.2 mm |
2.37 60.2 mm |
3.50 88.9 mm |
*2.75 69.9 mm |
3,000 PSI 20.7 MPa |
SWIVELS | 9SS-DUAL PLANE SWIVEL | MALE JIC TO MALE PIPE
MALE JIC TO MALE PIPE
male-jic-to-male-pipe

| Part Number |
T1 |
T2 |
A |
B |
C |
D |
H Hex |
J Hex(* = Round) |
K Dia. |
L Hex |
Max W.P. |
| 9SS6J6-P4 |
9/16-18 UNF-2A |
1/4-18 NPTF |
2.50 63.5 mm |
1.65 41.9 mm |
2.92 74.2 mm |
2.46 62.5 mm |
1.00 25.4 mm |
0.87 22.1 mm |
0.92 23.4 mm |
1.00 25.4 mm |
3,000 PSI 20.7 MPa |
| 9SS6J6-P6 |
9/16-18 UNF-2A |
3/8-18 NPTF |
2.50 63.5 mm |
1.65 41.9 mm |
2.92 74.2 mm |
2.46 62.5 mm |
1.00 25.4 mm |
0.87 22.1 mm |
0.92 23.4 mm |
1.00 25.4 mm |
3,000 PSI 20.7 MPa |
| 9SS6J8-P4 |
3/4-16 UNF-2A |
1/4-18 NPTF |
2.50 63.5 mm |
1.65 41.9 mm |
3.05 77.5 mm |
2.59 65.8 mm |
1.00 25.4 mm |
0.87 22.1 mm |
0.92 23.4 mm |
1.00 25.4 mm |
3,000 PSI 20.7 MPa |
| 9SS6J8-P6 |
3/4-16 UNF-2A |
3/8-18 NPTF |
2.50 63.5 mm |
1.65 41.9 mm |
3.05 77.5 mm |
2.59 65.8 mm |
1.00 25.4 mm |
0.87 22.1 mm |
0.92 23.4 mm |
1.00 25.4 mm |
3,000 PSI 20.7 MPa |
| 9SS8J8-P8 |
3/4-16 UNF-2A |
1/2-14 NPTF |
2.83 71.9 mm |
1.99 50.5 mm |
3.55 90.2 mm |
2.80 71.1 mm |
1.13 28.7 mm |
1.00 25.4 mm |
1.50 38.1 mm |
1.25 31.8 mm |
3,000 PSI 20.7 MPa |
| 9SS8J10-P8 |
7/8-14 UNF-2A |
1/2-14 NPTF |
2.83 71.9 mm |
1.99 50.5 mm |
3.65 92.7 mm |
2.90 73.7 mm |
1.13 28.7 mm |
1.00 25.4 mm |
1.50 38.1 mm |
1.25 31.8 mm |
3,000 PSI 20.7 MPa |
| 9SS12J12-P12 |
1 1/16-12 UN-2A |
3/4-14 NPTF |
3.40 86.4 mm |
2.36 59.9 mm |
4.18 106.2 mm |
3.23 82.0 mm |
1.38 35.1 mm |
1.25 31.8 mm |
1.90 48.3 mm |
1.25 31.8 mm |
3,000 PSI 20.7 MPa |
| 9SS16J16-P16 |
1 5/16-12 UN-2A |
1-11 1/2 NPTF |
3.82 97.0 mm |
2.68 68.1 mm |
4.98 126.5 mm |
3.92 99.6 mm |
1.63 41.4 mm |
1.63 41.4 mm |
2.13 54.1 mm |
1.75 44.5 mm |
3,000 PSI 20.7 MPa |
| 9SS20J20-P20 |
1 5/8-12 UN-2A |
1 1/4-11 1/2 NPTF |
4.18 106.2 mm |
2.86 72.6 mm |
5.67 144.0 mm |
4.29 109.0 mm |
2.00 50.8 mm |
2.00 50.8 mm |
2.75 69.9 mm |
2.25 57.2 mm |
3,000 PSI 20.7 MPa |
| 9SS24J24-P24 |
1 7/8-12 UN-2A |
1 1/2-11 1/2 NPTF |
5.32 135.1 mm |
3.55 90.2 mm |
6.80 172.7 mm |
5.05 128.3 mm |
2.37 60.2 mm |
2.37 60.2 mm |
3.50 88.9 mm |
*2.75 69.9 mm |
3,000 PSI 20.7 MPa |
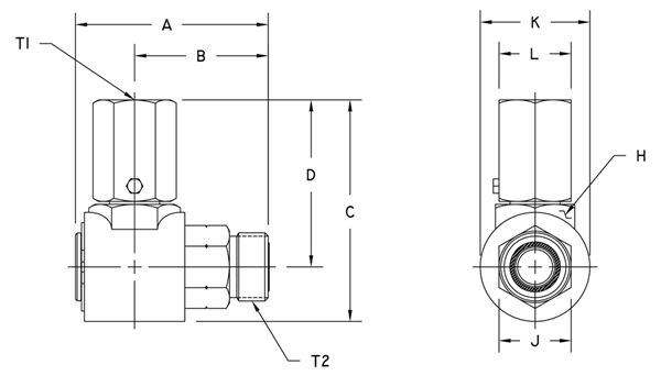
SWIVELS | 9SS-DUAL PLANE SWIVEL | MALE JIC TO FEMALE PIPE
MALE JIC TO FEMALE PIPE
male-jic-to-female-pipe

| Part Number |
T1 |
T2 |
A |
B |
C |
D |
H Hex |
J Hex(* = Round) |
K Dia. |
L Hex |
Max W.P. |
| 9SS6J6-PF4 |
9/16-18 UNF-2A |
1/4-18 NPTF |
2.50 63.5 mm |
1.65 41.9 mm |
2.92 74.2 mm |
2.46 62.5 mm |
1.00 25.4 mm |
0.87 22.1 mm |
0.92 23.4 mm |
1.00 25.4 mm |
3,000 PSI 20.7 MPa |
| 9SS6J6-PF6 |
9/16-18 UNF-2A |
3/8-18 NPTF |
2.50 63.5 mm |
1.65 41.9 mm |
2.92 74.2 mm |
2.46 62.5 mm |
1.00 25.4 mm |
0.87 22.1 mm |
0.92 23.4 mm |
1.00 25.4 mm |
3,000 PSI 20.7 MPa |
| 9SS6J8-PF4 |
3/4-16 UNF-2A |
1/4-18 NPTF |
2.50 63.5 mm |
1.65 41.9 mm |
3.05 77.5 mm |
2.59 65.8 mm |
1.00 25.4 mm |
0.87 22.1 mm |
0.92 23.4 mm |
1.00 25.4 mm |
3,000 PSI 20.7 MPa |
| 9SS6J8-PF6 |
3/4-16 UNF-2A |
3/8-18 NPTF |
2.50 63.5 mm |
1.65 41.9 mm |
3.05 77.5 mm |
2.59 65.8 mm |
1.00 25.4 mm |
0.87 22.1 mm |
0.92 23.4 mm |
1.00 25.4 mm |
3,000 PSI 20.7 MPa |
| 9SS8J8-PF8 |
3/4-16 UNF-2A |
1/2-14 NPTF |
2.62 66.5 mm |
1.78 45.2 mm |
3.55 90.2 mm |
2.80 71.1 mm |
1.13 28.7 mm |
1.00 25.4 mm |
1.50 38.1 mm |
1.25 31.8 mm |
3,000 PSI 20.7 MPa |
| 9SS8J10-PF8 |
7/8-14 UNF-2A |
1/2-14 NPTF |
2.62 66.5 mm |
1.78 45.2 mm |
3.65 92.7 mm |
2.90 73.7 mm |
1.13 28.7 mm |
1.00 25.4 mm |
1.50 38.1 mm |
1.25 31.8 mm |
3,000 PSI 20.7 MPa |
| 9SS12J12-PF12 |
1 1/16-12 UN-2A |
3/4-14 NPTF |
3.00 76.2 mm |
1.96 49.8 mm |
4.18 106.2 mm |
3.23 82.0 mm |
1.38 35.1 mm |
1.25 31.8 mm |
1.90 48.3 mm |
1.25 31.8 mm |
3,000 PSI 20.7 MPa |
| 9SS16J16-PF16 |
1 5/16-12 UN-2A |
1-11 1/2 NPTF |
3.40 86.4 mm |
2.26 57.4 mm |
4.98 126.5 mm |
3.92 99.6 mm |
1.63 41.4 mm |
1.63 41.4 mm |
2.13 54.1 mm |
1.75 44.5 mm |
3,000 PSI 20.7 MPa |
| 9SS20J20-PF20 |
1 5/8-12 UN-2A |
1 1/4-11 1/2 NPTF |
4.18 106.2 mm |
2.86 72.6 mm |
5.67 144.0 mm |
4.29 109.0 mm |
2.00 50.8 mm |
2.00 50.8 mm |
2.75 69.9 mm |
2.25 57.2 mm |
3,000 PSI 20.7 MPa |
| 9SS24J24-PF24 |
1 7/8-12 UN-2A |
1 1/2-11 1/2 NPTF |
4.89 124.2 mm |
3.12 79.2 mm |
6.80 172.7 mm |
5.05 128.3 mm |
2.37 60.2 mm |
2.37 60.2 mm |
3.50 88.9 mm |
*2.75 69.9 mm |
3,000 PSI 20.7 MPa |
SWIVELS | 9SS-DUAL PLANE SWIVEL | FEMALE PIPE TO MALE O-RING FACE SEAL
FEMALE PIPE TO MALE O-RING FACE SEAL
female-pipe-to-male-o-ring-face-seal

| Part Number |
T1 |
T2 |
A |
B |
C |
D |
H Hex |
J Hex(* = Round) |
K Dia. |
L Hex |
Max W.P. |
| 9SS6PF4-F6 |
1/4-18 NPTF |
11/16-16 UN-2A |
2.50 63.5 mm |
1.65 41.9 mm |
2.70 68.6 mm |
2.24 56.9 mm |
1.00 25.4 mm |
0.87 22.1 mm |
0.92 23.4 mm |
1.00 25.4 mm |
3,000 PSI 20.7 MPa |
| 9SS6PF6-F8 |
3/8-18 NPTF |
13/16-16 UN-2A |
2.50 63.5 mm |
1.65 41.9 mm |
2.70 68.6 mm |
2.24 56.9 mm |
1.00 25.4 mm |
1.00 25.4 mm |
0.92 23.4 mm |
1.00 25.4 mm |
3,000 PSI 20.7 MPa |
| 9SS8PF8-F10 |
1/2-14 NPTF |
1-14 UNS-2A |
2.77 70.4 mm |
1.93 49.0 mm |
3.42 86.9 mm |
2.67 67.8 mm |
1.13 28.7 mm |
1.00 25.4 mm |
1.50 38.1 mm |
1.25 31.8 mm |
3,000 PSI 20.7 MPa |
| 9SS12PF12-F12 |
3/4-14 NPTF |
1 3/16-12 UN-2A |
3.34 84.8 mm |
2.30 58.4 mm |
3.86 98.0 mm |
2.91 73.9 mm |
1.38 35.1 mm |
1.25 31.8 mm |
1.90 48.3 mm |
1.25 31.8 mm |
3,000 PSI 20.7 MPa |
| 9SS16PF16-F16 |
1-11 1/2 NPTF |
1 7/16-12 UN-2A |
3.76 95.5 mm |
2.62 66.5 mm |
4.77 121.2 mm |
3.71 94.2 mm |
1.63 41.4 mm |
1.63 41.4 mm |
2.13 54.1 mm |
1.75 44.5 mm |
3,000 PSI 20.7 MPa |
| 9SS20PF20-F20 |
1 1/4-11 1/2 NPTF |
1 11/16-12 UN-2A |
4.12 104.6 mm |
2.80 71.1 mm |
5.53 140.5 mm |
4.15 105.4 mm |
2.00 50.8 mm |
2.00 50.8 mm |
2.75 69.9 mm |
2.25 57.2 mm |
3,000 PSI 20.7 MPa |
| 9SS24PF24-F24 |
1 1/2-11 1/2 NPTF |
2-12 UN-2A |
5.26 133.6 mm |
3.49 88.6 mm |
6.88 174.8 mm |
5.13 130.3 mm |
2.37 60.2 mm |
2.37 60.2 mm |
3.50 88.9 mm |
*2.75 69.9 mm |
3,000 PSI 20.7 MPa |
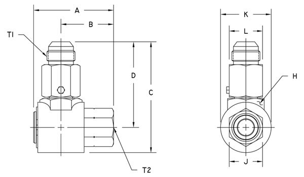
SWIVELS | 9SS-DUAL PLANE SWIVEL | FEMALE PIPE TO MALE JIC
FEMALE PIPE TO MALE JIC
female-pipe-to-male-jic

| Part Number |
T1 |
T2 |
A |
B |
C |
D |
H Hex |
J Hex(* = Round) |
K Dia. |
L Hex |
Max W.P. |
| 9SS6PF4-J5 |
1/4-18 NPTF |
1/2-20 UNF-2A |
2.50 63.5 mm |
1.65 41.9 mm |
2.70 68.6 mm |
2.24 56.9 mm |
1.00 25.4 mm |
0.87 22.1 mm |
0.92 23.4 mm |
1.00 25.4 mm |
3,000 PSI 20.7 MPa |
| 9SS6PF4-J6 |
1/4-18 NPTF |
9/16-18 UNF-2A |
2.50 63.5 mm |
1.65 41.9 mm |
2.70 68.6 mm |
2.24 56.9 mm |
1.00 25.4 mm |
0.87 22.1 mm |
0.92 23.4 mm |
1.00 25.4 mm |
3,000 PSI 20.7 MPa |
| 9SS6PF4-J8 |
1/4-18 NPTF |
3/4-16 UNF-2A |
2.50 63.5 mm |
1.65 41.9 mm |
2.70 68.6 mm |
2.24 56.9 mm |
1.00 25.4 mm |
0.87 22.1 mm |
0.92 23.4 mm |
1.00 25.4 mm |
3,000 PSI 20.7 MPa |
| 9SS6PF6-J5 |
3/8-18 NPTF |
1/2-20 UNF-2A |
2.50 63.5 mm |
1.65 41.9 mm |
2.70 68.6 mm |
2.24 56.9 mm |
1.00 25.4 mm |
0.87 22.1 mm |
0.92 23.4 mm |
1.00 25.4 mm |
3,000 PSI 20.7 MPa |
| 9SS6PF6-J6 |
3/8-18 NPTF |
9/16-18 UNF-2A |
2.50 63.5 mm |
1.65 41.9 mm |
2.70 68.6 mm |
2.24 56.9 mm |
1.00 25.4 mm |
0.87 22.1 mm |
0.92 23.4 mm |
1.00 25.4 mm |
3,000 PSI 20.7 MPa |
| 9SS6PF6-J8 |
3/8-18 NPTF |
3/4-16 UNF-2A |
2.50 63.5 mm |
1.65 41.9 mm |
2.70 68.6 mm |
2.24 56.9 mm |
1.00 25.4 mm |
1.00 25.4 mm |
0.92 23.4 mm |
1.00 25.4 mm |
3,000 PSI 20.7 MPa |
| 9SS8PF8-J8 |
1/2-14 NPTF |
3/4-16 UNF-2A |
2.83 71.9 mm |
1.99 50.5 mm |
3.42 86.9 mm |
2.67 67.8 mm |
1.13 28.7 mm |
1.00 25.4 mm |
1.50 38.1 mm |
1.25 31.8 mm |
3,000 PSI 20.7 MPa |
| 9SS8PF8-J10 |
1/2-14 NPTF |
7/8-14 UNF-2A |
2.83 71.9 mm |
1.99 50.5 mm |
3.42 86.9 mm |
2.67 67.8 mm |
1.13 28.7 mm |
1.00 25.4 mm |
1.50 38.1 mm |
1.25 31.8 mm |
3,000 PSI 20.7 MPa |
| 9SS12PF12-J12 |
3/4-14 NPTF |
1 1/16-12 UN-2A |
3.40 86.4 mm |
2.36 59.9 mm |
3.86 98.0 mm |
2.91 73.9 mm |
1.38 35.1 mm |
1.25 31.8 mm |
1.90 48.3 mm |
1.25 31.8 mm |
3,000 PSI 20.7 MPa |
| 9SS16PF16-J16 |
1-11 1/2 NPTF |
1 5/16-12 UN-2A |
3.82 97.0 mm |
2.68 68.1 mm |
4.77 121.2 mm |
3.71 94.2 mm |
1.63 41.4 mm |
1.63 41.4 mm |
2.13 54.1 mm |
1.75 44.5 mm |
3,000 PSI 20.7 MPa |
| 9SS20PF20-J20 |
1 1/4-11 1/2 NPTF |
1 5/8-12 UN-2A |
4.12 104.6 mm |
2.81 71.4 mm |
5.53 140.5 mm |
4.15 105.4 mm |
2.00 50.8 mm |
2.00 50.8 mm |
2.75 69.9 mm |
2.25 57.2 mm |
3,000 PSI 20.7 MPa |
| 9SS24PF24-J24 |
1 1/2-11 1/2 NPTF |
1 7/8-12 UN-2A |
5.27 133.9 mm |
3.50 88.9 mm |
6.88 174.8 mm |
5.13 130.3 mm |
2.37 60.2 mm |
2.37 60.2 mm |
3.50 88.9 mm |
*2.75 69.9 mm |
3,000 PSI 20.7 MPa |
SWIVELS | 9SS-DUAL PLANE SWIVEL | FEMALE PIPE TO MALE SAE O-RING BOSS
FEMALE PIPE TO MALE SAE O-RING BOSS
female-pipe-to-male-sae-o-ring-boss

| Part Number |
T1 |
T2 |
A |
B |
C |
D |
E |
H Hex |
J Hex(* = Round) |
K Dia. |
L Hex |
Max W.P. |
| 9SS6PF4-O4 |
1/4-18 NPTF |
7/16-20 UNF-2A |
2.50 63.5 mm |
1.65 41.9 mm |
2.70 68.6 mm |
2.24 56.9 mm |
1.22 31.0 mm |
1.00 25.4 mm |
0.87 22.1 mm |
0.92 23.4 mm |
1.00 25.4 mm |
3,000 PSI 20.7 MPa |
| 9SS6PF4-O5 |
1/4-18 NPTF |
1/2-20 UNF-2A |
2.50 63.5 mm |
1.65 41.9 mm |
2.70 68.6 mm |
2.24 56.9 mm |
1.22 31.0 mm |
1.00 25.4 mm |
0.87 22.1 mm |
0.92 23.4 mm |
1.00 25.4 mm |
3,000 PSI 20.7 MPa |
| 9SS6PF4-O6 |
1/4-18 NPTF |
9/16-18 UNF-2A |
2.50 63.5 mm |
1.65 41.9 mm |
2.70 68.6 mm |
2.24 56.9 mm |
1.18 30.0 mm |
1.00 25.4 mm |
0.87 22.1 mm |
0.92 23.4 mm |
1.00 25.4 mm |
3,000 PSI 20.7 MPa |
| 9SS6PF4-O8 |
1/4-18 NPTF |
3/4-16 UNF-2A |
2.50 63.5 mm |
1.65 41.9 mm |
2.70 68.6 mm |
2.24 56.9 mm |
1.10 27.9 mm |
1.00 25.4 mm |
0.87 22.1 mm |
0.92 23.4 mm |
1.00 25.4 mm |
3,000 PSI 20.7 MPa |
| 9SS6PF6-O4 |
3/8-18 NPTF |
7/16-20 UNF-2A |
2.50 63.5 mm |
1.65 41.9 mm |
2.70 68.6 mm |
2.24 56.9 mm |
1.22 31.0 mm |
1.00 25.4 mm |
0.87 22.1 mm |
0.92 23.4 mm |
1.00 25.4 mm |
3,000 PSI 20.7 MPa |
| 9SS6PF6-O5 |
3/8-18 NPTF |
1/2-20 UNF-2A |
2.50 63.5 mm |
1.65 41.9 mm |
2.70 68.6 mm |
2.24 56.9 mm |
1.22 31.0 mm |
1.00 25.4 mm |
0.87 22.1 mm |
0.92 23.4 mm |
1.00 25.4 mm |
3,000 PSI 20.7 MPa |
| 9SS6PF6-O6 |
3/8-18 NPTF |
9/16-18 UNF-2A |
2.50 63.5 mm |
1.65 41.9 mm |
2.70 68.6 mm |
2.24 56.9 mm |
1.18 30.0 mm |
1.00 25.4 mm |
0.87 22.1 mm |
0.92 23.4 mm |
1.00 25.4 mm |
3,000 PSI 20.7 MPa |
| 9SS6PF6-O8 |
3/8-18 NPTF |
3/4-16 UNF-2A |
2.50 63.5 mm |
1.65 41.9 mm |
2.70 68.6 mm |
2.24 56.9 mm |
1.10 27.9 mm |
1.00 25.4 mm |
0.87 22.1 mm |
0.92 23.4 mm |
1.00 25.4 mm |
3,000 PSI 20.7 MPa |
| 9SS8PF8-O8 |
1/2-14 NPTF |
3/4-16 UNF-2A |
2.58 65.5 mm |
1.74 44.2 mm |
3.42 86.9 mm |
2.67 67.8 mm |
1.19 30.2 mm |
1.13 28.7 mm |
1.00 25.4 mm |
1.50 38.1 mm |
1.25 31.8 mm |
3,000 PSI 20.7 MPa |
| 9SS8PF8-O10 |
1/2-14 NPTF |
7/8-14 UNF-2A |
2.82 71.6 mm |
1.98 50.3 mm |
3.42 86.9 mm |
2.67 67.8 mm |
1.35 34.3 mm |
1.13 28.7 mm |
1.00 25.4 mm |
1.50 38.1 mm |
1.25 31.8 mm |
3,000 PSI 20.7 MPa |
| 9SS8PF8-O12 |
1/2-14 NPTF |
1 1/16-12 UN-2A |
3.00 76.2 mm |
2.16 54.9 mm |
3.42 86.9 mm |
2.67 67.8 mm |
1.44 36.6 mm |
1.13 28.7 mm |
1.25 31.8 mm |
1.50 38.1 mm |
1.25 31.8 mm |
3,000 PSI 20.7 MPa |
| 9SS12PF12-O12 |
3/4-14 NPTF |
1 1/16-12 UN-2A |
3.37 85.6 mm |
2.33 59.2 mm |
3.86 98.0 mm |
2.91 73.9 mm |
1.62 41.1 mm |
1.38 35.1 mm |
1.25 31.8 mm |
1.90 48.3 mm |
1.25 31.8 mm |
3,000 PSI 20.7 MPa |
| 9SS16PF16-O16 |
1-11 1/2 NPTF |
1 5/16-12 UN-2A |
3.62 91.9 mm |
2.48 63.0 mm |
4.77 121.2 mm |
3.71 94.2 mm |
1.78 45.2 mm |
1.63 41.4 mm |
1.63 41.4 mm |
2.13 54.1 mm |
1.75 44.5 mm |
3,000 PSI 20.7 MPa |
| 9SS20PF20-O20 |
1 1/4-11 1/2 NPTF |
1 5/8-12 UN-2A |
4.08 103.6 mm |
2.76 70.1 mm |
5.53 140.5 mm |
4.15 105.4 mm |
2.04 51.8 mm |
2.00 50.8 mm |
2.00 50.8 mm |
2.75 69.9 mm |
2.25 57.2 mm |
3,000 PSI 20.7 MPa |
| 9SS24PF24-O24 |
1 1/2-11 1/2 NPTF |
1 7/8-12 UN-2A |
4.91 124.7 mm |
3.14 79.8 mm |
6.88 174.8 mm |
5.13 130.3 mm |
2.42 61.5 mm |
2.37 60.2 mm |
2.37 60.2 mm |
3.50 88.9 mm |
*2.75 69.9 mm |
3,000 PSI 20.7 MPa |
SWIVELS | 9SS-DUAL PLANE SWIVEL | FEMALE PIPE TO MALE PIPE
FEMALE PIPE TO MALE PIPE
female-pipe-to-male-pipe

| Part Number |
T1 |
T2 |
A |
B |
C |
D |
H Hex |
J Hex(* = Round) |
K Dia. |
L Hex |
Max W.P. |
| 9SS6PF4-P4 |
1/4-18 NPTF |
1/4-18 NPTF |
2.50 63.5 mm |
1.65 41.9 mm |
2.70 68.6 mm |
2.24 56.9 mm |
1.00 25.4 mm |
0.87 22.1 mm |
0.92 23.4 mm |
1.00 25.4 mm |
3,000 PSI 20.7 MPa |
| 9SS6PF4-P6 |
1/4-18 NPTF |
3/8-18 NPTF |
2.50 63.5 mm |
1.65 41.9 mm |
2.70 68.6 mm |
2.24 56.9 mm |
1.00 25.4 mm |
0.87 22.1 mm |
0.92 23.4 mm |
1.00 25.4 mm |
3,000 PSI 20.7 MPa |
| 9SS6PF6-P4 |
3/8-18 NPTF |
1/4-18 NPTF |
2.50 63.5 mm |
1.65 41.9 mm |
2.70 68.6 mm |
2.24 56.9 mm |
1.00 25.4 mm |
0.87 22.1 mm |
0.92 23.4 mm |
1.00 25.4 mm |
3,000 PSI 20.7 MPa |
| 9SS6PF6-P6 |
3/8-18 NPTF |
3/8-18 NPTF |
2.50 63.5 mm |
1.65 41.9 mm |
2.70 68.6 mm |
2.24 56.9 mm |
1.00 25.4 mm |
0.87 22.1 mm |
0.92 23.4 mm |
1.00 25.4 mm |
3,000 PSI 20.7 MPa |
| 9SS8PF8-P8 |
1/2-14 NPTF |
1/2-14 NPTF |
2.83 71.9 mm |
1.99 50.5 mm |
3.42 86.9 mm |
2.67 67.8 mm |
1.13 28.7 mm |
1.00 25.4 mm |
1.50 38.1 mm |
1.25 31.8 mm |
3,000 PSI 20.7 MPa |
| 9SS12PF12-P12 |
3/4-14 NPTF |
3/4-14 NPTF |
3.40 86.4 mm |
2.36 59.9 mm |
3.86 98.0 mm |
2.91 73.9 mm |
1.38 35.1 mm |
1.25 31.8 mm |
1.90 48.3 mm |
1.25 31.8 mm |
3,000 PSI 20.7 MPa |
| 9SS16PF16-P16 |
1-11 1/2 NPTF |
1-11 1/2 NPTF |
3.82 97.0 mm |
2.68 68.1 mm |
4.77 121.2 mm |
3.71 94.2 mm |
1.63 41.4 mm |
1.63 41.4 mm |
2.13 54.1 mm |
1.75 44.5 mm |
3,000 PSI 20.7 MPa |
| 9SS20PF20-P20 |
1 1/4-11 1/2 NPTF |
1 1/4-11 1/2 NPTF |
4.18 106.2 mm |
2.86 72.6 mm |
5.53 140.5 mm |
4.15 105.4 mm |
2.00 50.8 mm |
2.00 50.8 mm |
2.75 69.9 mm |
2.25 57.2 mm |
3,000 PSI 20.7 MPa |
| 9SS24PF24-P24 |
1 1/2-11 1/2 NPTF |
1 1/2-11 1/2 NPTF |
5.32 135.1 mm |
3.55 90.2 mm |
6.88 174.8 mm |
5.13 130.3 mm |
2.37 60.2 mm |
2.37 60.2 mm |
3.50 88.9 mm |
*2.75 69.9 mm |
3,000 PSI 20.7 MPa |
SWIVELS | 9SS-DUAL PLANE SWIVEL | FEMALE PIPE TO FEMALE PIPE
FEMALE PIPE TO FEMALE PIPE
female-pipe-to-female-pipe

| Part Number |
T1 |
T2 |
A |
B |
C |
D |
H Hex |
J Hex(* = Round) |
K Dia. |
L Hex |
Max W.P. |
| 9SS6PF4-PF4 |
1/4-18 NPTF |
1/4-18 NPTF |
2.50 63.5 mm |
1.65 41.9 mm |
2.70 68.6 mm |
2.24 56.9 mm |
1.00 25.4 mm |
0.87 22.1 mm |
0.92 23.4 mm |
1.00 25.4 mm |
3,000 PSI 20.7 MPa |
| 9SS6PF4-PF6 |
1/4-18 NPTF |
3/8-18 NPTF |
2.50 63.5 mm |
1.65 41.9 mm |
2.70 68.6 mm |
2.24 56.9 mm |
1.00 25.4 mm |
0.87 22.1 mm |
0.92 23.4 mm |
1.00 25.4 mm |
3,000 PSI 20.7 MPa |
| 9SS6PF6-PF4 |
3/8-18 NPTF |
1/4-18 NPTF |
2.50 63.5 mm |
1.65 41.9 mm |
2.70 68.6 mm |
2.24 56.9 mm |
1.00 25.4 mm |
0.87 22.1 mm |
0.92 23.4 mm |
1.00 25.4 mm |
3,000 PSI 20.7 MPa |
| 9SS6PF6-PF6 |
3/8-18 NPTF |
3/8-18 NPTF |
2.50 63.5 mm |
1.65 41.9 mm |
2.70 68.6 mm |
2.24 56.9 mm |
1.00 25.4 mm |
0.87 22.1 mm |
0.92 23.4 mm |
1.00 25.4 mm |
3,000 PSI 20.7 MPa |
| 9SS8PF8-PF8 |
1/2-14 NPTF |
1/2-14 NPTF |
2.62 66.5 mm |
1.78 45.2 mm |
3.42 86.9 mm |
2.67 67.8 mm |
1.13 28.7 mm |
1.00 25.4 mm |
1.50 38.1 mm |
1.25 31.8 mm |
3,000 PSI 20.7 MPa |
| 9SS12PF12-PF12 |
3/4-14 NPTF |
3/4-14 NPTF |
3.00 76.2 mm |
1.98 50.3 mm |
3.86 98.0 mm |
2.91 73.9 mm |
1.38 35.1 mm |
1.25 31.8 mm |
1.90 48.3 mm |
1.25 31.8 mm |
3,000 PSI 20.7 MPa |
| 9SS16PF16-PF16 |
1-11 1/2 NPTF |
1-11 1/2 NPTF |
3.40 86.4 mm |
2.26 57.4 mm |
4.77 121.2 mm |
3.71 94.2 mm |
1.63 41.4 mm |
1.63 41.4 mm |
2.13 54.1 mm |
1.75 44.5 mm |
3,000 PSI 20.7 MPa |
| 9SS20PF20-PF20 |
1 1/4-11 1/2 NPTF |
1 1/4-11 1/2 NPTF |
4.18 106.2 mm |
2.86 72.6 mm |
5.53 140.5 mm |
4.15 105.4 mm |
2.00 50.8 mm |
2.00 50.8 mm |
2.75 69.9 mm |
2.25 57.2 mm |
3,000 PSI 20.7 MPa |
| 9SS24PF24-PF24 |
1 1/2-11 1/2 NPTF |
1 1/2-11 1/2 NPTF |
4.89 124.2 mm |
3.12 79.2 mm |
6.88 174.8 mm |
5.13 130.3 mm |
2.37 60.2 mm |
2.37 60.2 mm |
3.50 88.9 mm |
*2.75 69.9 mm |
3,000 PSI 20.7 MPa |
Male O-Ring Face Seal to Male O-Ring Face Seal
Male O-Ring Face Seal to Male JIC
Male O-Ring Face Seal to Male SAE O-Ring Boss
Male O-Ring Face Seal to Male Pipe
Male O-Ring Face Seal to Female Pipe
Male JIC to Male O-Ring Face Seal
Male JIC to Male JIC
Male JIC to Male SAE O-Ring Boss
Male JIC to Male Pipe
Male JIC to Female Pipe
Female Pipe to Male O-Ring Face Seal
Female Pipe to Male JIC
Female Pipe to Male SAE O-Ring Boss
Female Pipe to Male Pipe
Female Pipe to Female Pipe
Part Number
9SS6F6-F6
9SS6F8-F8
9SS8F10-F10
9SS12F12-F12
9SS16F16-F16
9SS20F20-F20
9SS24F24-F24
Part Number
9SS6F6-J6
9SS6F8-J8
9SS8F10-J10
9SS12F12-J12
9SS16F16-J16
9SS20F20-J20
9SS24F24-J24
Part Number
9SS6F6-O6
9SS6F8-O8
9SS8F10-O10
9SS12F12-O12
9SS16F16-O16
9SS20F20-O20
9SS24F24-O24
Part Number
9SS6F6-P4
9SS6F8-P6
9SS8F10-P8
9SS12F12-P12
9SS16F16-P16
9SS20F20-P20
9SS24F24-P24
Part Number
9SS6F6-PF4
9SS6F8-PF6
9SS8F10-PF8
9SS12F12-PF12
9SS16F16-PF16
9SS20F20-PF20
9SS24F24-PF24
Part Number
9SS6J6-F6
9SS6J8-F8
9SS8J10-F10
9SS12J12-F12
9SS16J16-F16
9SS20J20-F20
9SS24J24-F24
Part Number
9SS6J6-J5
9SS6J6-J6
9SS6J6-J8
9SS6J8-J6
9SS6J8-J8
9SS8J8-J8
9SS8J8-J10
9SS8J10-J8
9SS8J10-J10
9SS12J12-J12
9SS16J16-J16
9SS20J20-J20
9SS24J24-J24
Part Number
9SS6J6-O4
9SS6J6-O5
9SS6J6-O6
9SS6J6-O8
9SS6J8-O4
9SS6J8-O5
9SS6J8-O6
9SS6J8-O8
9SS8J8-O8
9SS8J8-O10
9SS8J8-O12
9SS8J10-O8
9SS8J10-O10
9SS8J10-O12
9SS12J12-O12
9SS16J16-O16
9SS20J20-O20
9SS24J24-O24
Part Number
9SS6J6-P4
9SS6J6-P6
9SS6J8-P4
9SS6J8-P6
9SS8J8-P8
9SS8J10-P8
9SS12J12-P12
9SS16J16-P16
9SS20J20-P20
9SS24J24-P24
Part Number
9SS6J6-PF4
9SS6J6-PF6
9SS6J8-PF4
9SS6J8-PF6
9SS8J8-PF8
9SS8J10-PF8
9SS12J12-PF12
9SS16J16-PF16
9SS20J20-PF20
9SS24J24-PF24
Part Number
9SS6PF4-F6
9SS6PF6-F8
9SS8PF8-F10
9SS12PF12-F12
9SS16PF16-F16
9SS20PF20-F20
9SS24PF24-F24
Part Number
9SS6PF4-J5
9SS6PF4-J6
9SS6PF4-J8
9SS6PF6-J5
9SS6PF6-J6
9SS6PF6-J8
9SS8PF8-J8
9SS8PF8-J10
9SS12PF12-J12
9SS16PF16-J16
9SS20PF20-J20
9SS24PF24-J24
Part Number
9SS6PF4-O4
9SS6PF4-O5
9SS6PF4-O6
9SS6PF4-O8
9SS6PF6-O4
9SS6PF6-O5
9SS6PF6-O6
9SS6PF6-O8
9SS8PF8-O8
9SS8PF8-O10
9SS8PF8-O12
9SS12PF12-O12
9SS16PF16-O16
9SS20PF20-O20
9SS24PF24-O24
Part Number
9SS6PF4-P4
9SS6PF4-P6
9SS6PF6-P4
9SS6PF6-P6
9SS8PF8-P8
9SS12PF12-P12
9SS16PF16-P16
9SS20PF20-P20
9SS24PF24-P24
Part Number
9SS6PF4-PF4
9SS6PF4-PF6
9SS6PF6-PF4
9SS6PF6-PF6
9SS8PF8-PF8
9SS12PF12-PF12
9SS16PF16-PF16
9SS20PF20-PF20
9SS24PF24-PF24
|