|
|
|
|
draulics, Inc. 旋轉接頭 SWIVELS
SWIVELS, COUPLINGS, AND CONTROLS FOR HYDRAULIC SYSTEMS
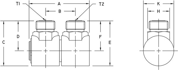
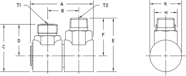
SWIVELS;S-Inline,HS-Heavy Duty Inline,9S-90° Swivel,9SS-Dual Plane Swivel,18S-Parallel Plane Swivel,Flange Swivels
SWIVELS;18S-Parallel Plane Swivel
Hydraulics, Inc. 設計特點:
淬火碳鋼筒體-大磨損表面
標準O形環和支承環-現場可更換密封套件
熔模鑄造筒體-高強度
可選密封材料
拋光缸孔-延長密封壽命
嵌入式和保護防塵密封件
銅填充爐釬焊接頭
低旋轉扭矩的壓力平衡
重型固定環
低壓降
黃色鉻酸鹽RoHS防護處理鍍

Hydraulics, Inc. Design Features
Hardened carbon steel barrel - Large wear surface
Standard O-Ring and back up ring - Field replaceable seal kits
Investment Cast Barrel - High Strength
Optional seal material
Burnished barrel bore - Extends seal life
Recessed and protected dust seals
Copper filled furnace braze joints
Pressure balanced for low rotational torque
Heavy duty retainer ring
Low Pressure Drop
Protective treatment-Zinc Plating with Yellow Chromate RoHS Compliant Finish

注意CAUTION:
不要試圖在壓力下斷開和拆卸旋轉裝置。在壓力下,不要從閥桿上拆下旋轉筒。不要試圖操作損壞的旋轉接頭,也不要操作顯示油液泄漏和/或明顯軸承磨損的旋轉接頭。考慮所選旋轉裝置的額定壓力不能超過旋轉裝置及其所選端口的低額定值。請參閱安全信息-選擇和使用液壓系統,包括旋轉接頭。Do not attempt to disconnect and disassemble swivels under pressure. Do not remove the swivel barrel from stem while under pressure. Do not attempt to operate damaged swivels and do not operate swivels displaying fluid leak and/or obvious bearing wear. Consider that a selected swivels rated pressure cannot exceed the lowest rating of the swivel and of it's selected ports. Refer to Safety Information - Selecting and Using Hydraulics, Inc. Swivel Joints.
壓力限制Pressure Limitations:
“18”系列的工作壓力為3000 psi(20.7兆帕);然而,連接管道可能被額定高于或低于水龍頭。流體動力系統的額定工作壓力不應超過其低額定部件。Maximum working pressure for “18S” Series swivels is 3,000 psi (20.7 Mpa); however, connecting plumbing may be rated higher or lower than that of the swivel. The rated working pressure of a fluid power system should not exceed the lowest rated component therein.
安裝信息Installation Information:
Hydraulics, Inc. 的旋轉接頭通常被認為是流體動力系統中遇到的低速旋轉。轉速取決于系統環境,流體類型和與溫度和壓力有關的極端條件是考慮因素。可疑的應用應通過實驗室或原型測試證明。安裝時應避免污染,連接管道不應造成過度負荷。水龍頭不應用作承重或結構構件。有關更多信息,請參閱選擇和使用液壓系統,包括旋轉接頭。Hydraulics, Inc. swivel joints are generally considered for low speed rotation as encountered in fluid power systems. Maximum speed of rotation depends upon system environment, with fluid types and extreme conditions related to temperature and pressure being of prime consideration. Questionable applications should be proven by laboratory or prototype testing. Contamination at installation should be avoided and connecting plumbing should not cause undue loading. The swivel should not be used as a load bearing or structural member. Refer to Selecting and Using Hydraulics, Inc. Swivel Joints for additional information.
Options
本網站上顯示的旋轉閥被視為液壓公司的標準配置。有關壓力額定值或端口選項的其他要求,本網站上未顯示,請與我們聯系。可通過在零件號中添加密封化合物指示符后綴來指定可選的密封材料。Swivels shown on this website are considered standard to Hydraulics, Inc. For other requirements relative to pressure ratings or port options, not shown on this website, please contact us. Optional seal material may be specified by adding the seal compound designator suffix to the part number.
 |
 |
 |
| Male O-Ring Face Seal to Male O-Ring Face Seal |
Male O-Ring Face Seal to Male JIC |
Male O-Ring Face Seal to Male Pipe |
 |
 |
 |
| Male O-Ring Face Seal to Female Pipe |
Male O-Ring Face Seal to Female Pipe Union |
Male O-Ring Face Seal to Female O-Ring Face Seal Union |
 |
 |
 |
| Female O-Ring Face Seal Union to Male O-Ring Face Seal |
Female O-Ring Face Seal Union to Female O-Ring Face Seal Union |
Female O-Ring Face Seal Union to Male JIC |
 |
 |
 |
| Female O-Ring Face Seal Union to Male Pipe |
Female O-Ring Face Seal Union to Female Pipe |
Female O-Ring Face Seal Union to Female Pipe Union |
 |
 |
 |
| Male JIC to Male JIC |
Male Pipe to Male JIC |
Male Pipe to Male Pipe |
 |
 |
 |
| Female Pipe to Male JIC |
Female Pipe to Male Pipe |
Female Pipe to Female Pipe |
 |
 |
 |
| Female Pipe Union to Male JIC |
Female Pipe Union to Male Pipe |
Female Pipe Union to Female Pipe Union |
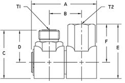
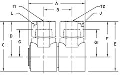
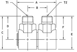
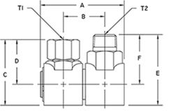
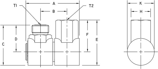
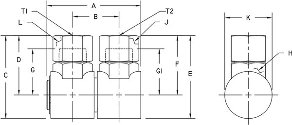
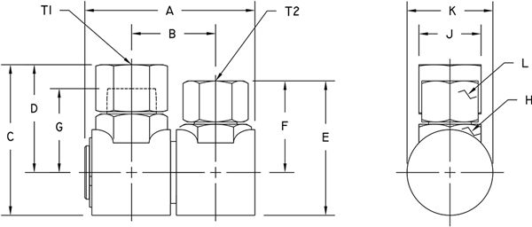
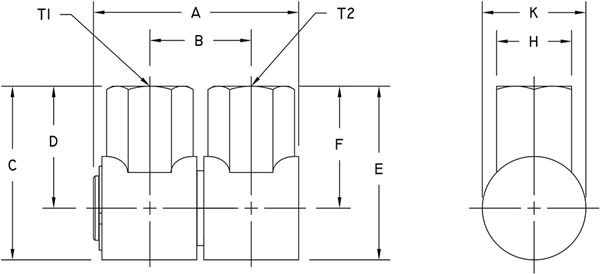
SWIVELS | 18S-PARALLEL PLANE SWIVEL | MALE O-RING FACE SEAL TO MALE O-RING FACE SEAL
MALE O-RING FACE SEAL TO MALE O-RING FACE SEAL
male-o-ring-face-seal-to-male-o-ring-face-seal

| Part Number |
T1 |
T2 |
A |
B |
C |
D |
E |
F |
H Hex |
K Dia. |
Max W.P. |
| 18S6F4-F4 |
9/16-18 UNF-2A |
9/16-18 UNF-2A |
3.05 77.5 mm |
1.50 38.1 mm |
1.57 39.9 mm |
1.11 28.2 mm |
1.57 39.9 mm |
1.11 28.2 mm |
1.00 25.4 mm |
0.92 23.4 mm |
3,000 PSI 20.7 MPa |
| 18S6F4-F6 |
9/16-18 UNF-2A |
11/16-16 UN-2A |
3.05 77.5 mm |
1.50 38.1 mm |
1.57 39.9 mm |
1.11 28.2 mm |
1.62 41.1 mm |
1.16 29.5 mm |
1.00 25.4 mm |
0.92 23.4 mm |
3,000 PSI 20.7 MPa |
| 18S6F4-F8 |
9/16-18 UNF-2A |
13/16-16 UN-2A |
3.05 77.5 mm |
1.50 38.1 mm |
1.57 39.9 mm |
1.11 28.2 mm |
1.74 44.2 mm |
1.26 32.0 mm |
1.00 25.4 mm |
0.92 23.4 mm |
3,000 PSI 20.7 MPa |
| 18S6F6-F6 |
11/16-16 UN-2A |
11/16-16 UN-2A |
3.05 77.5 mm |
1.50 38.1 mm |
1.62 41.1 mm |
1.16 29.5 mm |
1.62 41.1 mm |
1.16 29.5 mm |
1.00 25.4 mm |
0.92 23.4 mm |
3,000 PSI 20.7 MPa |
| 18S6F6-F8 |
11/16-16 UN-2A |
13/16-16 UN-2A |
3.05 77.5 mm |
1.50 38.1 mm |
1.62 41.1 mm |
1.16 29.5 mm |
1.74 44.2 mm |
1.26 32.0 mm |
1.00 25.4 mm |
0.92 23.4 mm |
3,000 PSI 20.7 MPa |
| 18S6F8-F8 |
13/16-16 UN-2A |
13/16-16 UN-2A |
3.05 77.5 mm |
1.50 38.1 mm |
1.74 44.2 mm |
1.26 32.0 mm |
1.74 44.2 mm |
1.26 32.0 mm |
1.00 25.4 mm |
0.92 23.4 mm |
3,000 PSI 20.7 MPa |
| 18S8F8-F8 |
13/16-16 UN-2A |
13/16-16 UN-2A |
3.03 77.0 mm |
1.49 37.8 mm |
2.12 53.8 mm |
1.37 34.8 mm |
2.12 53.8 mm |
1.37 34.8 mm |
1.13 28.7 mm |
1.50 38.1 mm |
3,000 PSI 20.7 MPa |
| 18S8F8-F10 |
13/16-16 UN-2A |
1-14 UNS-2A |
3.03 77.0 mm |
1.49 37.8 mm |
2.12 53.8 mm |
1.37 34.8 mm |
2.28 57.9 mm |
1.53 38.9 mm |
1.13 28.7 mm |
1.50 38.1 mm |
3,000 PSI 20.7 MPa |
| 18S8F10-F10 |
1-14 UNS-2A |
1-14 UNS-2A |
3.03 77.0 mm |
1.49 37.8 mm |
2.28 57.9 mm |
1.53 38.9 mm |
2.28 57.9 mm |
1.53 38.9 mm |
1.13 28.7 mm |
1.50 38.1 mm |
3,000 PSI 20.7 MPa |
| 18S12F12-F12 |
1 3/16-12 UN-2A |
1 3/16-12 UN-2A |
3.77 95.8 mm |
1.86 47.2 mm |
2.83 71.9 mm |
1.88 47.8 mm |
2.83 71.9 mm |
1.88 47.8 mm |
1.38 35.1 mm |
1.90 48.3 mm |
3,000 PSI 20.7 MPa |
| 18S16F16-F16 |
1 7/16-12 UN-2A |
1 7/16-12 UN-2A |
4.37 111.0 mm |
2.24 56.9 mm |
3.12 79.2 mm |
2.05 52.1 mm |
3.12 79.2 mm |
2.05 52.1 mm |
1.63 41.4 mm |
2.13 54.1 mm |
3,000 PSI 20.7 MPa |
| 18S20F20-F20 |
1 11/16-12 UN-2A |
1 11/16-12 UN-2A |
4.96 126.0 mm |
2.50 63.5 mm |
3.57 90.7 mm |
2.20 55.9 mm |
3.57 90.7 mm |
2.20 55.9 mm |
2.00 50.8 mm |
2.75 69.9 mm |
3,000 PSI 20.7 MPa |
| 18S24F24-F24 |
2-12 UN-2A |
2-12 UN-2A |
6.68 169.7 mm |
3.36 85.3 mm |
4.33 110.0 mm |
2.58 65.5 mm |
4.33 110.0 mm |
2.58 65.5 mm |
2.37 60.2 mm |
3.50 88.9 mm |
3,000 PSI 20.7 MPa |
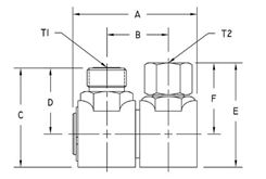
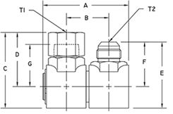
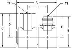
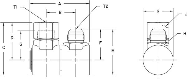
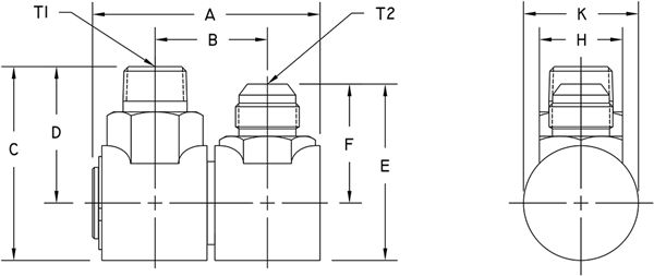
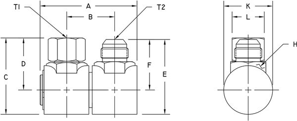
SWIVELS | 18S-PARALLEL PLANE SWIVEL | MALE O-RING FACE SEAL TO MALE JIC
MALE O-RING FACE SEAL TO MALE JIC
male-o-ring-face-seal-to-male-jic

| Part Number |
T1 |
T2 |
A |
B |
C |
D |
E |
F |
H Hex |
K Dia. |
Max W.P. |
| 18S6F4-J5 |
9/16-18 UNF-2A |
1/2-20 UNF-2A |
3.05 77.5 mm |
1.50 38.1 mm |
1.57 39.9 mm |
1.11 28.2 mm |
1.64 41.7 mm |
1.18 30.0 mm |
1.00 25.4 mm |
0.92 23.4 mm |
3,000 PSI 20.7 MPa |
| 18S6F4-J6 |
9/16-18 UNF-2A |
9/16-18 UNF-2A |
3.05 77.5 mm |
1.50 38.1 mm |
1.57 39.9 mm |
1.11 28.2 mm |
1.64 41.7 mm |
1.18 30.0 mm |
1.00 25.4 mm |
0.92 23.4 mm |
3,000 PSI 20.7 MPa |
| 18S6F4-J8 |
9/16-18 UN-2A |
3/4-16 UNF-2A |
3.05 77.5 mm |
1.50 38.1 mm |
1.57 39.9 mm |
1.11 28.2 mm |
1.95 49.5 mm |
1.49 37.8 mm |
1.00 25.4 mm |
0.92 23.4 mm |
3,000 PSI 20.7 MPa |
| 18S6F6-J5 |
11/16-16 UN-2A |
1/2-20 UNF-2A |
3.05 77.5 mm |
1.50 38.1 mm |
1.62 41.1 mm |
1.16 29.5 mm |
1.64 41.7 mm |
1.18 30.0 mm |
1.00 25.4 mm |
0.92 23.4 mm |
3,000 PSI 20.7 MPa |
| 18S6F6-J6 |
11/16-16 UN-2A |
9/16-18 UNF-2A |
3.05 77.5 mm |
1.50 38.1 mm |
1.62 41.1 mm |
1.16 29.5 mm |
1.64 41.7 mm |
1.18 30.0 mm |
1.00 25.4 mm |
0.92 23.4 mm |
3,000 PSI 20.7 MPa |
| 18S6F6-J8 |
11/16-16 UN-2A |
3/4-16 UNF-2A |
3.05 77.5 mm |
1.50 38.1 mm |
1.62 41.1 mm |
1.16 29.5 mm |
1.95 49.5 mm |
1.49 37.8 mm |
1.00 25.4 mm |
0.92 23.4 mm |
3,000 PSI 20.7 MPa |
| 18S6F8-J5 |
13/16-16 UN-2A |
1/2-20 UNF-2A |
3.05 77.5 mm |
1.50 38.1 mm |
1.74 44.2 mm |
1.26 32.0 mm |
1.64 41.7 mm |
1.18 30.0 mm |
1.00 25.4 mm |
0.92 23.4 mm |
3,000 PSI 20.7 MPa |
| 18S6F8-J6 |
13/16-16 UN-2A |
9/16-18 UNF-2A |
3.05 77.5 mm |
1.50 38.1 mm |
1.74 44.2 mm |
1.26 32.0 mm |
1.64 41.7 mm |
1.18 30.0 mm |
1.00 25.4 mm |
0.92 23.4 mm |
3,000 PSI 20.7 MPa |
| 18S6F8-J8 |
13/16-16 UN-2A |
3/4-16 UNF-2A |
3.05 77.5 mm |
1.50 38.1 mm |
1.74 44.2 mm |
1.26 32.0 mm |
1.95 49.5 mm |
1.49 37.8 mm |
1.00 25.4 mm |
0.92 23.4 mm |
3,000 PSI 20.7 MPa |
| 18S8F8-J8 |
13/16-16 UN-2A |
3/4-16 UNF-2A |
3.03 77.0 mm |
1.49 37.8 mm |
2.12 53.8 mm |
1.37 34.8 mm |
2.19 55.6 mm |
1.45 36.8 mm |
1.13 28.7 mm |
1.50 38.1 mm |
3,000 PSI 20.7 MPa |
| 18S8F8-J10 |
13/16-16 UN-2A |
7/8-14 UNF-2A |
3.03 77.0 mm |
1.49 37.8 mm |
2.12 53.8 mm |
1.37 34.8 mm |
2.29 58.2 mm |
1.54 39.1 mm |
1.13 28.7 mm |
1.50 38.1 mm |
3,000 PSI 20.7 MPa |
| 18S8F10-J8 |
1-14 UNS-2A |
3/4-16 UNF-2A |
3.03 77.0 mm |
1.49 37.8 mm |
2.28 57.9 mm |
1.53 38.9 mm |
2.19 55.6 mm |
1.45 36.8 mm |
1.13 28.7 mm |
1.50 38.1 mm |
3,000 PSI 20.7 MPa |
| 18S8F10-J10 |
1-14 UN-2A |
7/8-14 UNF-2A |
3.03 77.0 mm |
1.49 37.8 mm |
2.28 57.9 mm |
1.53 38.9 mm |
2.29 58.2 mm |
1.54 39.1 mm |
1.13 28.7 mm |
1.50 38.1 mm |
3,000 PSI 20.7 MPa |
| 18S12F12-J12 |
1 3/16-12 UN-2A |
1 1/16-12 UN-2A |
3.77 95.8 mm |
1.86 47.2 mm |
2.83 71.9 mm |
1.88 47.8 mm |
2.92 74.2 mm |
1.97 50.0 mm |
1.38 35.1 mm |
1.90 48.3 mm |
3,000 PSI 20.7 MPa |
| 18S16F16-J16 |
1 7/16-12 UN-2A |
1 5/16-12 UN-2A |
4.37 111.0 mm |
2.24 56.9 mm |
3.12 79.2 mm |
2.05 52.1 mm |
3.23 82.0 mm |
2.17 55.1 mm |
1.63 41.4 mm |
2.13 54.1 mm |
3,000 PSI 20.7 MPa |
| 18S20F20-J20 |
1 11/16-12 UN-2A |
1 5/8-12 UN-2A |
4.96 126.0 mm |
2.50 63.5 mm |
3.57 90.7 mm |
2.20 55.9 mm |
3.90 99.1 mm |
2.52 64.0 mm |
2.00 50.8 mm |
2.75 69.9 mm |
3,000 PSI 20.7 MPa |
| 18S24F24-J24 |
2-12 UN-2A |
1 7/8-12 UN-2A |
6.68 169.7 mm |
3.36 85.3 mm |
4.33 110.0 mm |
2.58 65.5 mm |
4.66 118.4 mm |
2.91 73.9 mm |
2.37 60.2 mm |
3.50 88.9 mm |
3,000 PSI 20.7 MPa |
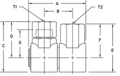
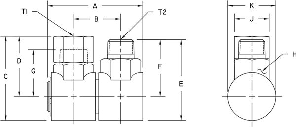
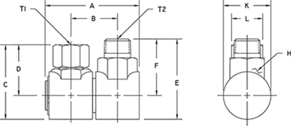
SWIVELS | 18S-PARALLEL PLANE SWIVEL | MALE O-RING FACE SEAL TO MALE PIPE
MALE O-RING FACE SEAL TO MALE PIPE
male-o-ring-face-seal-to-male-pipe

| Part Number |
T1 |
T2 |
A |
B |
C |
D |
E |
F |
H Hex |
K Dia. |
Max W.P. |
| 18S6F4-P4 |
9/16-18 UNF-2A |
1/4-18 NPTF |
3.05 77.5 mm |
1.50 38.1 mm |
1.57 39.9 mm |
1.11 28.2 mm |
1.96 49.8 mm |
1.50 38.1 mm |
1.00 25.4 mm |
0.92 23.4 mm |
3,000 PSI 20.7 MPa |
| 18S6F4-P6 |
9/16-18 UNF-2A |
3/8-18 NPTF |
3.05 77.5 mm |
1.50 38.1 mm |
1.57 39.9 mm |
1.11 28.2 mm |
1.96 49.8 mm |
1.50 38.1 mm |
1.00 25.4 mm |
0.92 23.4 mm |
3,000 PSI 20.7 MPa |
| 18S6F6-P4 |
11/16-16 UN-2A |
1/4-18 NPTF |
3.05 77.5 mm |
1.50 38.1 mm |
1.62 41.1 mm |
1.16 29.5 mm |
1.96 49.8 mm |
1.50 38.1 mm |
1.00 25.4 mm |
0.92 23.4 mm |
3,000 PSI 20.7 MPa |
| 18S6F6-P6 |
11/16-16 UN-2A |
3/8-18 NPTF |
3.05 77.5 mm |
1.50 38.1 mm |
1.62 41.1 mm |
1.16 29.5 mm |
1.96 49.8 mm |
1.50 38.1 mm |
1.00 25.4 mm |
0.92 23.4 mm |
3,000 PSI 20.7 MPa |
| 18S6F8-P4 |
13/16-16 UN-2A |
1/4-18 NPTF |
3.05 77.5 mm |
1.50 38.1 mm |
1.74 44.2 mm |
1.26 32.0 mm |
1.96 49.8 mm |
1.50 38.1 mm |
1.00 25.4 mm |
0.92 23.4 mm |
3,000 PSI 20.7 MPa |
| 18S6F8-P6 |
13/16-16 UN-2A |
3/8-18 NPTF |
3.05 77.5 mm |
1.50 38.1 mm |
1.74 44.2 mm |
1.26 32.0 mm |
1.96 49.8 mm |
1.50 38.1 mm |
1.00 25.4 mm |
0.92 23.4 mm |
3,000 PSI 20.7 MPa |
| 18S8F8-P8 |
13/16-16 UN-2A |
1/2-14 NPTF |
3.03 77.0 mm |
1.49 37.8 mm |
2.12 53.8 mm |
1.37 34.8 mm |
2.65 67.3 mm |
1.90 48.3 mm |
1.13 28.7 mm |
1.50 38.1 mm |
3,000 PSI 20.7 MPa |
| 18S8F10-P8 |
1-14 UNS-2A |
1/2-14 NPTF |
3.03 77.0 mm |
1.49 37.8 mm |
2.28 57.9 mm |
1.53 38.9 mm |
2.65 67.3 mm |
1.90 48.3 mm |
1.13 28.7 mm |
1.50 38.1 mm |
3,000 PSI 20.7 MPa |
| 18S12F12-P12 |
1 3/16-12 UN-2A |
3/4-14 NPTF |
3.77 95.8 mm |
1.86 47.2 mm |
2.83 71.9 mm |
1.88 47.8 mm |
3.21 81.5 mm |
2.26 57.4 mm |
1.38 35.1 mm |
1.90 48.3 mm |
3,000 PSI 20.7 MPa |
| 18S16F16-P16 |
1 7/16-12 UN-2A |
1-11 1/2 NPTF |
4.37 111.0 mm |
2.24 56.9 mm |
3.12 79.2 mm |
2.05 52.1 mm |
3.71 94.2 mm |
2.65 67.3 mm |
1.63 41.4 mm |
2.13 54.1 mm |
3,000 PSI 20.7 MPa |
| 18S20F20-P20 |
1 11/16-12 UN-2A |
1 1/4-11 1/2 NPTF |
4.96 126.0 mm |
2.50 63.5 mm |
3.57 90.7 mm |
2.20 55.9 mm |
4.36 110.7 mm |
2.99 75.9 mm |
2.00 50.8 mm |
2.75 69.9 mm |
3,000 PSI 20.7 MPa |
| 18S24F24-P24 |
2-12 UN-2A |
1 1/2-11 1/2 NPTF |
6.68 169.7 mm |
3.36 85.3 mm |
4.33 110.0 mm |
2.58 65.5 mm |
5.45 138.4 mm |
3.70 94.0 mm |
2.37 60.2 mm |
3.50 88.9 mm |
3,000 PSI 20.7 MPa |
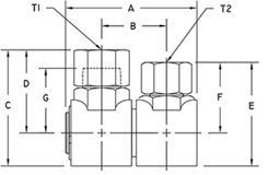
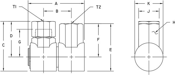
SWIVELS | 18S-PARALLEL PLANE SWIVEL | MALE O-RING FACE SEAL TO FEMALE PIPE
MALE O-RING FACE SEAL TO FEMALE PIPE
male-o-ring-face-seal-to-female-pipe

| Part Number |
T1 |
T2 |
A |
B |
C |
D |
E |
F |
H Hex |
K Dia. |
Max W.P. |
| 18S6F4-PF4 |
9/16-18 UNF-2A |
1/4-18 NPTF |
3.05 77.5 mm |
1.50 38.1 mm |
1.57 39.9 mm |
1.11 28.2 mm |
1.84 46.7 mm |
1.38 35.1 mm |
1.00 25.4 mm |
0.92 23.4 mm |
3,000 PSI 20.7 MPa |
| 18S6F4-PF6 |
9/16-18 UNF-2A |
3/8-18 NPTF |
3.05 77.5 mm |
1.50 38.1 mm |
1.57 39.9 mm |
1.11 28.2 mm |
1.84 46.7 mm |
1.38 35.1 mm |
1.00 25.4 mm |
0.92 23.4 mm |
3,000 PSI 20.7 MPa |
| 18S6F6-PF4 |
11/16-16 UN-2A |
1/4-18 NPTF |
3.05 77.5 mm |
1.50 38.1 mm |
1.62 41.1 mm |
1.16 29.5 mm |
1.84 46.7 mm |
1.38 35.1 mm |
1.00 25.4 mm |
0.92 23.4 mm |
3,000 PSI 20.7 MPa |
| 18S6F6-PF6 |
11/16-16 UN-2A |
3/8-18 NPTF |
3.05 77.5 mm |
1.50 38.1 mm |
1.62 41.1 mm |
1.16 29.5 mm |
1.84 46.7 mm |
1.38 35.1 mm |
1.00 25.4 mm |
0.92 23.4 mm |
3,000 PSI 20.7 MPa |
| 18S6F8-PF4 |
13/16-16 UN-2A |
1/4-18 NPTF |
3.05 77.5 mm |
1.50 38.1 mm |
1.74 44.2 mm |
1.26 32.0 mm |
1.84 46.7 mm |
1.38 35.1 mm |
1.00 25.4 mm |
0.92 23.4 mm |
3,000 PSI 20.7 MPa |
| 18S6F8-PF6 |
13/16-16 UN-2A |
3/8-18 NPTF |
3.05 77.5 mm |
1.50 38.1 mm |
1.74 44.2 mm |
1.26 32.0 mm |
1.84 46.7 mm |
1.38 35.1 mm |
1.00 25.4 mm |
0.92 23.4 mm |
3,000 PSI 20.7 MPa |
| 18S8F8-PF8 |
13/16-16 UN-2A |
1/2-14 NPTF |
3.03 77.0 mm |
1.49 37.8 mm |
2.12 53.8 mm |
1.37 34.8 mm |
2.59 65.8 mm |
1.84 46.7 mm |
1.13 28.7 mm |
1.50 38.1 mm |
3,000 PSI 20.7 MPa |
| 18S8F10-PF8 |
1-14 UNS-2A |
1/2-14 NPTF |
3.03 77.0 mm |
1.49 37.8 mm |
2.28 57.9 mm |
1.53 38.9 mm |
2.59 65.8 mm |
1.84 46.7 mm |
1.13 28.7 mm |
1.50 38.1 mm |
3,000 PSI 20.7 MPa |
| 18S12F12-PF12 |
1 3/16-12 UN-2A |
3/4-14 NPTF |
3.77 95.8 mm |
1.86 47.2 mm |
2.83 71.9 mm |
1.88 47.8 mm |
3.19 81.0 mm |
2.24 56.9 mm |
1.38 35.1 mm |
1.90 48.3 mm |
3,000 PSI 20.7 MPa |
| 18S16F16-PF16 |
1 7/16-12 UN-2A |
1-11 1/2 NPTF |
4.37 111.0 mm |
2.24 56.9 mm |
3.12 79.2 mm |
2.05 52.1 mm |
3.54 89.9 mm |
2.48 63.0 mm |
1.63 41.4 mm |
2.13 54.1 mm |
3,000 PSI 20.7 MPa |
| 18S20F20-PF20 |
1 11/16-12 UN-2A |
1 1/4-11 1/2 NPTF |
4.96 126.0 mm |
2.50 63.5 mm |
3.57 90.7 mm |
2.20 55.9 mm |
4.00 101.6 mm |
2.63 66.8 mm |
2.00 50.8 mm |
2.75 69.9 mm |
3,000 PSI 20.7 MPa |
| 18S24F24-PF24 |
2-12 UN-2A |
1 1/2-11 1/2 NPTF |
6.68 169.7 mm |
3.36 85.3 mm |
4.33 110.0 mm |
2.58 65.5 mm |
5.20 132.1 mm |
3.45 87.6 mm |
2.37 60.2 mm |
3.50 88.9 mm |
3,000 PSI 20.7 MPa |
SWIVELS | 18S-PARALLEL PLANE SWIVEL | MALE O-RING FACE SEAL TO FEMALE PIPE UNION
MALE O-RING FACE SEAL TO FEMALE PIPE UNION
male-o-ring-face-seal-to-female-pipe-union

| Part Number |
T1 |
T2 |
A |
B |
C |
D |
E |
F |
H Hex |
J Hex(* = Round) |
K Dia. |
Max W.P. |
| 18S6F4-PU4 |
9/16-18 UNF-2A |
1/4-18 NPSM |
3.05 77.5 mm |
1.50 38.1 mm |
1.57 39.9 mm |
1.11 28.2 mm |
1.73 43.9 mm |
1.27 32.3 mm |
1.00 25.4 mm |
0.75 19.1 mm |
0.92 23.4 mm |
3,000 PSI 20.7 MPa |
| 18S6F4-PU6 |
9/16-18 UNF-2A |
3/8-18 NPSM |
3.05 77.5 mm |
1.50 38.1 mm |
1.57 39.9 mm |
1.11 28.2 mm |
1.86 47.2 mm |
1.40 35.6 mm |
1.00 25.4 mm |
0.87 22.1 mm |
0.92 23.4 mm |
3,000 PSI 20.7 MPa |
| 18S6F6-PU4 |
11/16-16 UN-2A |
1/4-18 NPSM |
3.05 77.5 mm |
1.50 38.1 mm |
1.62 41.1 mm |
1.16 29.5 mm |
1.73 43.9 mm |
1.27 32.3 mm |
1.00 25.4 mm |
0.75 19.1 mm |
0.92 23.4 mm |
3,000 PSI 20.7 MPa |
| 18S6F6-PU6 |
11/16-16 UN-2A |
3/8-18 NPSM |
3.05 77.5 mm |
1.50 38.1 mm |
1.62 41.1 mm |
1.16 29.5 mm |
1.86 47.2 mm |
1.40 35.6 mm |
1.00 25.4 mm |
0.87 22.1 mm |
0.92 23.4 mm |
3,000 PSI 20.7 MPa |
| 18S6F8-PU4 |
13/16-16 UN-2A |
1/4-18 NPSM |
3.05 77.5 mm |
1.50 38.1 mm |
1.74 44.2 mm |
1.26 32.0 mm |
1.73 43.9 mm |
1.27 32.3 mm |
1.00 25.4 mm |
0.75 19.1 mm |
0.92 23.4 mm |
3,000 PSI 20.7 MPa |
| 18S6F8-PU6 |
13/16-16 UN-2A |
3/8-18 NPSM |
3.05 77.5 mm |
1.50 38.1 mm |
1.74 44.2 mm |
1.26 32.0 mm |
1.86 47.2 mm |
1.40 35.6 mm |
1.00 25.4 mm |
0.87 22.1 mm |
0.92 23.4 mm |
3,000 PSI 20.7 MPa |
| 18S8F8-PU8 |
13/16-16 UN-2A |
1/2-14 NPSM |
3.03 77.0 mm |
1.49 37.8 mm |
2.12 53.8 mm |
1.37 34.8 mm |
2.39 60.7 mm |
1.64 41.7 mm |
1.13 28.7 mm |
1.00 25.4 mm |
1.50 38.1 mm |
3,000 PSI 20.7 MPa |
| 18S8F10-PU8 |
1-14 UNS-2A |
1/2-14 NPSM |
3.03 77.0 mm |
1.49 37.8 mm |
2.28 57.9 mm |
1.53 38.9 mm |
2.39 60.7 mm |
1.64 41.7 mm |
1.13 28.7 mm |
1.00 25.4 mm |
1.50 38.1 mm |
3,000 PSI 20.7 MPa |
| 18S12F12-PU12 |
1 3/16-12 UN-2A |
3/4-14 NPSM |
3.77 95.8 mm |
1.86 47.2 mm |
2.83 71.9 mm |
1.88 47.8 mm |
2.98 75.7 mm |
2.03 51.6 mm |
1.38 35.1 mm |
1.25 31.8 mm |
1.90 48.3 mm |
3,000 PSI 20.7 MPa |
| 18S16F16-PU16 |
1 7/16-12 UN-2A |
1-11 1/2 NPSM |
4.37 111.0 mm |
2.24 56.9 mm |
3.12 79.2 mm |
2.05 52.1 mm |
3.31 84.1 mm |
2.25 57.2 mm |
1.63 41.4 mm |
1.63 41.4 mm |
2.13 54.1 mm |
3,000 PSI 20.7 MPa |
| 18S20F20-PU20 |
1 11/16-12 UN-2A |
1 1/4-11 1/2 NPSM |
4.96 126.0 mm |
2.50 63.5 mm |
3.57 90.7 mm |
2.20 55.9 mm |
4.02 102.1 mm |
2.64 67.1 mm |
2.00 50.8 mm |
1.87 47.5 mm |
2.75 69.9 mm |
3,000 PSI 20.7 MPa |
| 18S24F24-PU24 |
2-12 UN-2A |
1 1/2-11 1/2 NPSM |
6.68 169.7 mm |
3.36 85.3 mm |
4.33 110.0 mm |
2.58 65.5 mm |
4.86 123.4 mm |
3.11 79.0 mm |
2.37 60.2 mm |
2.25 57.2 mm |
3.50 88.9 mm |
3,000 PSI 20.7 MPa |
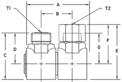
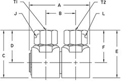
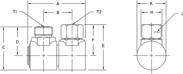
SWIVELS | 18S-PARALLEL PLANE SWIVEL | MALE O-RING FACE SEAL TO FEMALE O-RING FACE SEAL UNION
MALE O-RING FACE SEAL TO FEMALE O-RING FACE SEAL UNION
male-o-ring-face-seal-to-female-o-ring-face-seal-union

| Part Number |
T1 |
T2 |
A |
B |
C |
D |
E |
F |
G |
H Hex |
J Hex |
K Dia. |
Max W.P. |
| 18S6F4-FU6 |
9/16-18 UN-2A |
11/16-16 UN-2B |
3.05 77.5 mm |
1.50 38.1 mm |
1.57 39.9 mm |
1.11 28.2 mm |
1.93 49.0 mm |
1.47 37.3 mm |
1.13 28.7 mm |
1.00 25.4 mm |
0.81 20.6 mm |
0.92 23.4 mm |
3,000 PSI 20.7 MPa |
| 18S6F6-FU6 |
11/16-16 UN-2A |
11/16-16 UN-2B |
3.05 77.5 mm |
1.50 38.1 mm |
1.62 41.1 mm |
1.16 29.5 mm |
1.93 49.0 mm |
1.47 37.3 mm |
1.13 28.7 mm |
1.00 25.4 mm |
0.81 20.6 mm |
0.92 23.4 mm |
3,000 PSI 20.7 MPa |
| 18S6F8-FU6 |
13/16-16 UN-2A |
11/16-16 UN-2B |
3.05 77.5 mm |
1.50 38.1 mm |
1.74 44.2 mm |
1.26 32.0 mm |
1.93 49.0 mm |
1.47 37.3 mm |
1.13 28.7 mm |
1.00 25.4 mm |
0.81 20.6 mm |
0.92 23.4 mm |
3,000 PSI 20.7 MPa |
| 18S8F8-FU8 |
13/16-16 UN-2A |
13/16-16 UN-2B |
3.03 77.0 mm |
1.49 37.8 mm |
2.12 53.8 mm |
1.37 34.8 mm |
2.55 64.8 mm |
1.80 45.7 mm |
1.41 35.8 mm |
1.13 28.7 mm |
0.94 23.9 mm |
1.50 38.1 mm |
3,000 PSI 20.7 MPa |
| 18S8F8-FU10 |
13/16-16 UN-2A |
1-14 UN-2B |
3.03 77.0 mm |
1.49 37.8 mm |
2.12 53.8 mm |
1.37 34.8 mm |
2.71 68.8 mm |
1.96 49.8 mm |
1.51 38.4 mm |
1.13 28.7 mm |
1.12 28.4 mm |
1.50 38.1 mm |
3,000 PSI 20.7 MPa |
| 18S8F10-FU8 |
1-14 UN-2A |
13/16-16 UN-2B |
3.03 77.0 mm |
1.49 37.8 mm |
2.28 57.9 mm |
1.53 38.9 mm |
2.55 64.8 mm |
1.80 45.7 mm |
1.41 35.8 mm |
1.13 28.7 mm |
0.94 23.9 mm |
1.50 38.1 mm |
3,000 PSI 20.7 MPa |
| 18S8F10-FU10 |
1-14 UN-2A |
1-14 UN-2B |
3.03 77.0 mm |
1.49 37.8 mm |
2.28 57.9 mm |
1.53 38.9 mm |
2.71 68.8 mm |
1.96 49.8 mm |
1.51 38.4 mm |
1.13 28.7 mm |
1.12 28.4 mm |
1.50 38.1 mm |
3,000 PSI 20.7 MPa |
| 18S12F12-FU12 |
1 3/16-12 UN-2A |
1 3/16-12 UN-2B |
3.77 95.8 mm |
1.86 47.2 mm |
2.83 71.9 mm |
1.88 47.8 mm |
3.34 84.8 mm |
2.39 60.7 mm |
1.86 47.2 mm |
1.38 35.1 mm |
1.38 35.1 mm |
1.90 48.3 mm |
3,000 PSI 20.7 MPa |
| 18S16F16-FU16 |
1 7/16-12 UN-2A |
1 7/16-12 UN-2B |
4.37 111.0 mm |
2.24 56.9 mm |
3.12 79.2 mm |
2.05 52.1 mm |
3.66 93.0 mm |
2.60 66.0 mm |
2.06 52.3 mm |
1.63 41.4 mm |
1.63 41.4 mm |
2.13 54.1 mm |
3,000 PSI 20.7 MPa |
| 18S20F20-FU20 |
1 11/16-12 UN-2A |
1 11/16-12 UN-2B |
4.96 126.0 mm |
2.50 63.5 mm |
3.57 90.7 mm |
2.20 55.9 mm |
4.09 103.9 mm |
2.72 69.1 mm |
2.20 55.9 mm |
2.00 50.8 mm |
2.00 50.8 mm |
2.75 69.9 mm |
3,000 PSI 20.7 MPa |
| 18S24F24-FU24 |
2-12 UN-2A |
2-12 UN-2B |
6.68 169.7 mm |
3.36 85.3 mm |
4.33 110.0 mm |
2.58 65.5 mm |
4.93 125.2 mm |
3.18 80.8 mm |
2.59 65.8 mm |
2.37 60.2 mm |
2.25 57.2 mm |
3.50 88.9 mm |
3,000 PSI 20.7 MPa |
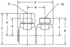
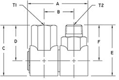
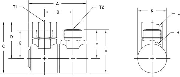
SWIVELS | 18S-PARALLEL PLANE SWIVEL | FEMALE O-RING FACE SEAL UNION TO MALE O-RING FACE SEAL
FEMALE O-RING FACE SEAL UNION TO MALE O-RING FACE SEAL
female-o-ring-face-seal-union-to-male-o-ring-face-seal

| Part Number |
T1 |
T2 |
A |
B |
C |
D |
E |
F |
G |
H Hex |
J Hex |
K Dia. |
Max W.P. |
| 18S6FU6-F4 |
11/16-16 UN-2B |
9/16-18 UNF-2A |
3.05 77.5 mm |
1.50 38.1 mm |
1.93 49.0 mm |
1.47 37.3 mm |
1.57 39.9 mm |
1.11 28.2 mm |
1.13 28.7 mm |
1.00 25.4 mm |
0.81 20.6 mm |
0.92 23.4 mm |
3,000 PSI 20.7 MPa |
| 18S6FU6-F6 |
11/16-16 UN-2B |
11/16-16 UN-2A |
3.05 77.5 mm |
1.50 38.1 mm |
1.93 49.0 mm |
1.47 37.3 mm |
1.62 41.1 mm |
1.16 29.5 mm |
1.13 28.7 mm |
1.00 25.4 mm |
0.81 20.6 mm |
0.92 23.4 mm |
3,000 PSI 20.7 MPa |
| 18S6FU6-F8 |
11/16-16 UN-2B |
13/16-16 UN-2A |
3.05 77.5 mm |
1.50 38.1 mm |
1.93 49.0 mm |
1.47 37.3 mm |
1.74 44.2 mm |
1.26 32.0 mm |
1.13 28.7 mm |
1.00 25.4 mm |
0.81 20.6 mm |
0.92 23.4 mm |
3,000 PSI 20.7 MPa |
| 18S8FU8-F8 |
13/16-16 UN-2B |
13/16-16 UN-2A |
3.03 77.0 mm |
1.49 37.8 mm |
2.55 64.8 mm |
1.80 45.7 mm |
2.12 53.8 mm |
1.37 34.8 mm |
1.41 35.8 mm |
1.13 28.7 mm |
0.94 23.9 mm |
1.50 38.1 mm |
3,000 PSI 20.7 MPa |
| 18S8FU8-F10 |
13/16-16 UN-2B |
1-14 UNS-2A |
3.03 77.0 mm |
1.49 37.8 mm |
2.55 64.8 mm |
1.80 45.7 mm |
2.28 57.9 mm |
1.53 38.9 mm |
1.41 35.8 mm |
1.13 28.7 mm |
0.94 23.9 mm |
1.50 38.1 mm |
3,000 PSI 20.7 MPa |
| 18S8FU10-F8 |
1-14 UNS-2B |
13/16-16 UN-2A |
3.03 77.0 mm |
1.49 37.8 mm |
2.71 68.8 mm |
1.96 49.8 mm |
2.12 53.8 mm |
1.37 34.8 mm |
1.51 38.4 mm |
1.13 28.7 mm |
1.12 28.4 mm |
1.50 38.1 mm |
3,000 PSI 20.7 MPa |
| 18S8FU10-F10 |
1-14 UNS-2B |
1-14 UNS-2A |
3.03 77.0 mm |
1.49 37.8 mm |
2.71 68.8 mm |
1.96 49.8 mm |
2.28 57.9 mm |
1.53 38.9 mm |
1.51 38.4 mm |
1.13 28.7 mm |
1.12 28.4 mm |
1.50 38.1 mm |
3,000 PSI 20.7 MPa |
| 18S12FU12-F12 |
1 3/16-12 UN-2B |
1 3/16-12 UN-2A |
3.77 95.8 mm |
1.86 47.2 mm |
3.34 84.8 mm |
2.39 60.7 mm |
2.83 71.9 mm |
1.88 47.8 mm |
1.86 47.2 mm |
1.38 35.1 mm |
1.38 35.1 mm |
1.90 48.3 mm |
3,000 PSI 20.7 MPa |
| 18S16FU16-F16 |
1 7/16-12 UN-2B |
1 7/16-12 UN-2A |
4.37 111.0 mm |
2.24 56.9 mm |
3.66 93.0 mm |
2.60 66.0 mm |
3.12 79.2 mm |
2.05 52.1 mm |
2.06 52.3 mm |
1.63 41.4 mm |
1.63 41.4 mm |
2.13 54.1 mm |
3,000 PSI 20.7 MPa |
| 18S20FU20-F20 |
1 11/16-12 UN-2B |
1 11/16-12 UN-2A |
4.96 126.0 mm |
2.50 63.5 mm |
4.09 103.9 mm |
2.72 69.1 mm |
3.57 90.7 mm |
2.20 55.9 mm |
2.20 55.9 mm |
2.00 50.8 mm |
2.00 50.8 mm |
2.75 69.9 mm |
3,000 PSI 20.7 MPa |
| 18S24FU24-F24 |
2-12 UN-2B |
2-12 UN-2A |
6.68 169.7 mm |
3.36 85.3 mm |
4.93 125.2 mm |
3.18 80.8 mm |
4.33 110.0 mm |
2.58 65.5 mm |
2.59 65.8 mm |
2.37 60.2 mm |
2.25 57.2 mm |
3.50 88.9 mm |
3,000 PSI 20.7 MPa |
SWIVELS | 18S-PARALLEL PLANE SWIVEL | FEMALE O-RING FACE SEAL UNION TO FEMALE O-RING FACE SEAL UNION
FEMALE O-RING FACE SEAL UNION TO FEMALE O-RING FACE SEAL UNION
female-o-ring-face-seal-union-to-female-o-ring-face-seal-union

| Part Number |
T1 |
T2 |
A |
B |
C |
D |
E |
F |
G |
H Hex |
J Hex |
K Dia. |
L Hex |
Max W.P. |
| 18S6FU6-FU6 |
11/16-16 UN-2B |
11/16-16 UN-2B |
3.05 77.5 mm |
1.50 38.1 mm |
1.93 49.0 mm |
1.47 37.3 mm |
1.93 49.0 mm |
1.47 37.3 mm |
1.13 28.7 mm |
1.00 25.4 mm |
0.81 20.6 mm |
0.92 23.4 mm |
0.81 20.6 mm |
3,000 PSI 20.7 MPa |
| 18S8FU8-FU8 |
13/16-16 UN-2B |
13/16-16 UN-2B |
3.03 77.0 mm |
1.49 37.8 mm |
2.55 64.8 mm |
1.80 45.7 mm |
2.55 64.8 mm |
1.80 45.7 mm |
1.41 35.8 mm |
1.13 28.7 mm |
0.94 23.9 mm |
1.50 38.1 mm |
0.94 23.9 mm |
3,000 PSI 20.7 MPa |
| 18S8FU8-FU10 |
13/16-16 UN-2B |
1-14 UNS-2B |
3.03 77.0 mm |
1.49 37.8 mm |
2.55 64.8 mm |
1.80 45.7 mm |
2.71 68.8 mm |
1.96 49.8 mm |
1.41 35.8 mm |
1.13 28.7 mm |
0.94 23.9 mm |
1.50 38.1 mm |
1.12 28.4 mm |
3,000 PSI 20.7 MPa |
| 18S8FU10-FU10 |
1-14 UNS-2B |
1-14 UNS-2B |
3.03 77.0 mm |
1.49 37.8 mm |
2.71 68.8 mm |
1.96 49.8 mm |
2.71 68.8 mm |
1.96 49.8 mm |
1.51 38.4 mm |
1.13 28.7 mm |
1.12 28.4 mm |
1.50 38.1 mm |
1.12 28.4 mm |
3,000 PSI 20.7 MPa |
| 18S12FU12-FU12 |
1 3/16-12 UN-2B |
1 3/16-12 UN-2B |
3.77 95.8 mm |
1.86 47.2 mm |
3.34 84.8 mm |
2.39 60.7 mm |
3.34 84.8 mm |
2.39 60.7 mm |
1.86 47.2 mm |
1.38 35.1 mm |
1.38 35.1 mm |
1.90 48.3 mm |
1.38 35.1 mm |
3,000 PSI 20.7 MPa |
| 18S16FU16-FU16 |
1 7/16-12 UN-2B |
1 7/16-12 UN-2B |
4.37 111.0 mm |
2.24 56.9 mm |
3.66 93.0 mm |
2.60 66.0 mm |
3.66 93.0 mm |
2.60 66.0 mm |
2.06 52.3 mm |
1.63 41.4 mm |
1.63 41.4 mm |
2.13 54.1 mm |
1.63 41.4 mm |
3,000 PSI 20.7 MPa |
| 18S20FU20-FU20 |
1 11/16-12 UN-2B |
1 11/16-12 UN-2B |
4.96 126.0 mm |
2.50 63.5 mm |
4.09 103.9 mm |
2.72 69.1 mm |
4.09 103.9 mm |
2.72 69.1 mm |
2.20 55.9 mm |
2.00 50.8 mm |
2.00 50.8 mm |
2.75 69.9 mm |
2.00 50.8 mm |
3,000 PSI 20.7 MPa |
| 18S24FU24-FU24 |
2-12 UN-2B |
2-12 UN-2B |
6.68 169.7 mm |
3.36 85.3 mm |
4.93 125.2 mm |
3.18 80.8 mm |
4.93 125.2 mm |
3.18 80.8 mm |
2.59 65.8 mm |
2.37 60.2 mm |
2.25 57.2 mm |
3.50 88.9 mm |
2.25 57.2 mm |
3,000 PSI 20.7 MPa |
SWIVELS | 18S-PARALLEL PLANE SWIVEL | FEMALE O-RING FACE SEAL UNION TO MALE JIC
FEMALE O-RING FACE SEAL UNION TO MALE JIC
female-o-ring-face-seal-union-to-male-jic

| Part Number |
T1 |
T2 |
A |
B |
C |
D |
E |
F |
G |
H Hex |
J Hex |
K Dia. |
Max W.P. |
| 18S6FU6-J5 |
11/16-16 UN-2B |
1/2-20 UNF-2A |
3.05 77.5 mm |
1.50 38.1 mm |
1.93 49.0 mm |
1.47 37.3 mm |
1.64 41.7 mm |
1.18 30.0 mm |
1.13 28.7 mm |
1.00 25.4 mm |
0.81 20.6 mm |
0.92 23.4 mm |
3,000 PSI 20.7 MPa |
| 18S6FU6-J6 |
11/16-16 UN-2B |
9/16-18 UNF-2A |
3.05 77.5 mm |
1.50 38.1 mm |
1.93 49.0 mm |
1.47 37.3 mm |
1.64 41.7 mm |
1.18 30.0 mm |
1.13 28.7 mm |
1.00 25.4 mm |
0.81 20.6 mm |
0.92 23.4 mm |
3,000 PSI 20.7 MPa |
| 18S6FU6-J8 |
11/16-16 UN-2B |
3/4-16 UNF-2A |
3.05 77.5 mm |
1.50 38.1 mm |
1.93 49.0 mm |
1.47 37.3 mm |
1.95 49.5 mm |
1.49 37.8 mm |
1.13 28.7 mm |
1.00 25.4 mm |
0.81 20.6 mm |
0.92 23.4 mm |
3,000 PSI 20.7 MPa |
| 18S8FU8-J8 |
13/16-16 UN-2B |
3/4-16 UNF-2A |
3.03 77.0 mm |
1.49 37.8 mm |
2.55 64.8 mm |
1.80 45.7 mm |
2.19 55.6 mm |
1.45 36.8 mm |
1.41 35.8 mm |
1.13 28.7 mm |
0.94 23.9 mm |
1.50 38.1 mm |
3,000 PSI 20.7 MPa |
| 18S8FU8-J10 |
13/16-16 UN-2B |
7/8-14 UNF-2A |
3.03 77.0 mm |
1.49 37.8 mm |
2.55 64.8 mm |
1.80 45.7 mm |
2.29 58.2 mm |
1.54 39.1 mm |
1.41 35.8 mm |
1.13 28.7 mm |
0.94 23.9 mm |
1.50 38.1 mm |
3,000 PSI 20.7 MPa |
| 18S8FU10-J8 |
1-14 UNS-2B |
3/4-16 UNF-2A |
3.03 77.0 mm |
1.49 37.8 mm |
2.71 68.8 mm |
1.96 49.8 mm |
2.19 55.6 mm |
1.45 36.8 mm |
1.51 38.4 mm |
1.13 28.7 mm |
1.12 28.4 mm |
1.50 38.1 mm |
3,000 PSI 20.7 MPa |
| 18S8FU10-J10 |
1-14 UNS-2B |
7/8-14 UNF-2A |
3.03 77.0 mm |
1.49 37.8 mm |
2.71 68.8 mm |
1.96 49.8 mm |
2.29 58.2 mm |
1.54 39.1 mm |
1.51 38.4 mm |
1.13 28.7 mm |
1.12 28.4 mm |
1.50 38.1 mm |
3,000 PSI 20.7 MPa |
| 18S12FU12-J12 |
1 3/16-12 UN-2B |
1 1/16-12 UN-2A |
3.77 95.8 mm |
1.86 47.2 mm |
3.34 84.8 mm |
2.39 60.7 mm |
2.92 74.2 mm |
1.97 50.0 mm |
1.86 47.2 mm |
1.38 35.1 mm |
1.38 35.1 mm |
1.90 48.3 mm |
3,000 PSI 20.7 MPa |
| 18S16FU16-J16 |
1 7/16-12 UN-2B |
1 5/16-12 UN-2A |
4.37 111.0 mm |
2.24 56.9 mm |
3.66 93.0 mm |
2.60 66.0 mm |
3.23 82.0 mm |
2.17 55.1 mm |
2.06 52.3 mm |
1.63 41.4 mm |
1.63 41.4 mm |
2.13 54.1 mm |
3,000 PSI 20.7 MPa |
| 18S20FU20-J20 |
1 11/16-12 UN-2B |
1 5/8-12 UN-2A |
4.96 126.0 mm |
2.50 63.5 mm |
4.09 103.9 mm |
2.72 69.1 mm |
3.90 99.1 mm |
2.52 64.0 mm |
2.20 55.9 mm |
2.00 50.8 mm |
2.00 50.8 mm |
2.75 69.9 mm |
3,000 PSI 20.7 MPa |
| 18S24FU24-J24 |
2-12 UN-2B |
1 7/8-12 UN-2A |
6.68 169.7 mm |
3.36 85.3 mm |
4.93 125.2 mm |
3.18 80.8 mm |
4.66 118.4 mm |
3.01 76.5 mm |
2.59 65.8 mm |
2.37 60.2 mm |
2.25 57.2 mm |
3.50 88.9 mm |
3,000 PSI 20.7 MPa |
SWIVELS | 18S-PARALLEL PLANE SWIVEL | FEMALE O-RING FACE SEAL UNION TO MALE PIPE
FEMALE O-RING FACE SEAL UNION TO MALE PIPE
female-o-ring-face-seal-union-to-male-pipe

| Part Number |
T1 |
T2 |
A |
B |
C |
D |
E |
F |
G |
H Hex |
J Hex |
K Dia. |
Max W.P. |
| 18S6FU6-P4 |
11/16-16 UN-2B |
1/4-18 NPTF |
3.05 77.5 mm |
1.50 38.1 mm |
1.93 49.0 mm |
1.47 37.3 mm |
1.96 49.8 mm |
1.50 38.1 mm |
1.13 28.7 mm |
1.00 25.4 mm |
0.81 20.6 mm |
0.92 23.4 mm |
3,000 PSI 20.7 MPa |
| 18S6FU6-P6 |
11/16-16 UN-2B |
3/8-18 NPTF |
3.05 77.5 mm |
1.50 38.1 mm |
1.93 49.0 mm |
1.47 37.3 mm |
1.96 49.8 mm |
1.50 38.1 mm |
1.13 28.7 mm |
1.00 25.4 mm |
0.81 20.6 mm |
0.92 23.4 mm |
3,000 PSI 20.7 MPa |
| 18S8FU8-P8 |
13/16-16 UN-2B |
1/2-14 NPTF |
3.03 77.0 mm |
1.49 37.8 mm |
2.55 64.8 mm |
1.80 45.7 mm |
2.65 67.3 mm |
1.90 48.3 mm |
1.41 35.8 mm |
1.13 28.7 mm |
0.94 23.9 mm |
1.50 38.1 mm |
3,000 PSI 20.7 MPa |
| 18S8FU10-P8 |
1-14 UNS-2B |
1/2-14 NPTF |
3.03 77.0 mm |
1.49 37.8 mm |
2.71 68.8 mm |
1.96 49.8 mm |
2.65 67.3 mm |
1.90 48.3 mm |
1.51 38.4 mm |
1.13 28.7 mm |
1.12 28.4 mm |
1.50 38.1 mm |
3,000 PSI 20.7 MPa |
| 18S12FU12-P12 |
1 3/16-12 UN-2B |
3/4-14 NPTF |
3.77 95.8 mm |
1.86 47.2 mm |
3.34 84.8 mm |
2.39 60.7 mm |
3.21 81.5 mm |
2.26 57.4 mm |
1.86 47.2 mm |
1.38 35.1 mm |
1.38 35.1 mm |
1.90 48.3 mm |
3,000 PSI 20.7 MPa |
| 18S16FU16-P16 |
1 7/16-12 UN-2B |
1-11 1/2 NPTF |
4.37 111.0 mm |
2.24 56.9 mm |
3.66 93.0 mm |
2.60 66.0 mm |
3.74 95.0 mm |
2.65 67.3 mm |
2.06 52.3 mm |
1.63 41.4 mm |
1.63 41.4 mm |
2.13 54.1 mm |
3,000 PSI 20.7 MPa |
| 18S20FU20-P20 |
1 11/16-12 UN-2B |
1 1/4-11 1/2 NPTF |
4.96 126.0 mm |
2.50 63.5 mm |
4.09 103.9 mm |
2.72 69.1 mm |
4.36 110.7 mm |
2.99 75.9 mm |
2.20 55.9 mm |
2.00 50.8 mm |
2.00 50.8 mm |
2.75 69.9 mm |
3,000 PSI 20.7 MPa |
| 18S24FU24-P24 |
2-12 UN-2B |
1 1/2-11 1/2 NPTF |
6.68 169.7 mm |
3.36 85.3 mm |
4.93 125.2 mm |
3.18 80.8 mm |
5.45 138.4 mm |
3.70 94.0 mm |
2.59 65.8 mm |
2.37 60.2 mm |
2.25 57.2 mm |
3.50 88.9 mm |
3,000 PSI 20.7 MPa |
SWIVELS | 18S-PARALLEL PLANE SWIVEL | FEMALE O-RING FACE SEAL UNION TO FEMALE PIPE
FEMALE O-RING FACE SEAL UNION TO FEMALE PIPE
female-o-ring-face-seal-union-to-female-pipe

| Part Number |
T1 |
T2 |
A |
B |
C |
D |
E |
F |
G |
H Hex |
J Hex |
K Dia. |
Max W.P. |
| 18S6FU6-PF4 |
11/16-16 UN-2B |
1/4-18 NPTF |
3.05 77.5 mm |
1.50 38.1 mm |
1.93 49.0 mm |
1.47 37.3 mm |
1.84 46.7 mm |
1.38 35.1 mm |
1.13 28.7 mm |
1.00 25.4 mm |
0.81 20.6 mm |
0.92 23.4 mm |
3,000 PSI 20.7 MPa |
| 18S6FU6-PF6 |
11/16-16 UN-2B |
3/8-18 NPTF |
3.05 77.5 mm |
1.50 38.1 mm |
1.93 49.0 mm |
1.47 37.3 mm |
1.84 46.7 mm |
1.38 35.1 mm |
1.13 28.7 mm |
1.00 25.4 mm |
0.81 20.6 mm |
0.92 23.4 mm |
3,000 PSI 20.7 MPa |
| 18S8FU8-PF8 |
13/16-16 UN-2B |
1/2-14 NPTF |
3.03 77.0 mm |
1.49 37.8 mm |
2.55 64.8 mm |
1.80 45.7 mm |
2.59 65.8 mm |
1.84 46.7 mm |
1.41 35.8 mm |
1.13 28.7 mm |
0.94 23.9 mm |
1.50 38.1 mm |
3,000 PSI 20.7 MPa |
| 18S8FU10-PF8 |
1-14 UNS-2B |
1/2-14 NPTF |
3.03 77.0 mm |
1.49 37.8 mm |
2.71 68.8 mm |
1.96 49.8 mm |
2.59 65.8 mm |
1.84 46.7 mm |
1.51 38.4 mm |
1.13 28.7 mm |
1.12 28.4 mm |
1.50 38.1 mm |
3,000 PSI 20.7 MPa |
| 18S12FU12-PF12 |
1 3/16-12 UN-2B |
3/4-14 NPTF |
3.77 95.8 mm |
1.86 47.2 mm |
3.34 84.8 mm |
2.39 60.7 mm |
3.19 81.0 mm |
2.24 56.9 mm |
1.86 47.2 mm |
1.38 35.1 mm |
1.38 35.1 mm |
1.90 48.3 mm |
3,000 PSI 20.7 MPa |
| 18S16FU16-PF16 |
1 7/16-12 UN-2B |
1-11 1/2 NPTF |
4.37 111.0 mm |
2.24 56.9 mm |
3.66 93.0 mm |
2.60 66.0 mm |
3.54 89.9 mm |
2.48 63.0 mm |
2.06 52.3 mm |
1.63 41.4 mm |
1.63 41.4 mm |
2.13 54.1 mm |
3,000 PSI 20.7 MPa |
| 18S20FU20-PF20 |
1 11/16-12 UN-2B |
1 1/4-11 1/2 NPTF |
4.96 126.0 mm |
2.50 63.5 mm |
4.09 103.9 mm |
2.72 69.1 mm |
4.00 101.6 mm |
2.63 66.8 mm |
2.20 55.9 mm |
2.00 50.8 mm |
2.00 50.8 mm |
2.75 69.9 mm |
3,000 PSI 20.7 MPa |
| 18S24FU24-PF24 |
2-12 UN-2B |
1 1/2-11 1/2 NPTF |
6.68 169.7 mm |
3.36 85.3 mm |
4.93 125.2 mm |
3.18 80.8 mm |
5.20 132.1 mm |
3.45 87.6 mm |
2.59 65.8 mm |
2.37 60.2 mm |
2.25 57.2 mm |
3.50 88.9 mm |
3,000 PSI 20.7 MPa |
SWIVELS | 18S-PARALLEL PLANE SWIVEL | FEMALE O-RING FACE SEAL UNION TO FEMALE PIPE UNION
FEMALE O-RING FACE SEAL UNION TO FEMALE PIPE UNION
female-o-ring-face-seal-union-to-female-pipe-union

| Part Number |
T1 |
T2 |
A |
B |
C |
D |
E |
F |
G |
H Hex |
J Hex |
K Dia. |
L Hex |
Max W.P. |
| 18S6FU6-PU4 |
11/16-16 UN-2B |
1/4-18 NPSM |
3.05 77.5 mm |
1.50 38.1 mm |
1.93 49.0 mm |
1.47 37.3 mm |
1.73 43.9 mm |
1.27 32.3 mm |
1.13 28.7 mm |
1.00 25.4 mm |
0.81 20.6 mm |
0.92 23.4 mm |
0.75 19.1 mm |
3,000 PSI 20.7 MPa |
| 18S6FU6-PU6 |
11/16-16 UN-2B |
3/8-18 NPSM |
3.05 77.5 mm |
1.50 38.1 mm |
1.93 49.0 mm |
1.47 37.3 mm |
1.86 47.2 mm |
1.40 35.6 mm |
1.13 28.7 mm |
1.00 25.4 mm |
0.81 20.6 mm |
0.92 23.4 mm |
0.87 22.1 mm |
3,000 PSI 20.7 MPa |
| 18S8FU8-PU8 |
13/16-16 UN-2B |
1/2-14 NPSM |
3.03 77.0 mm |
1.49 37.8 mm |
2.55 64.8 mm |
1.80 45.7 mm |
2.39 60.7 mm |
1.64 41.7 mm |
1.41 35.8 mm |
1.13 28.7 mm |
0.94 23.9 mm |
1.50 38.1 mm |
1.00 25.4 mm |
3,000 PSI 20.7 MPa |
| 18S8FU10-PU8 |
1-14 UNS-2B |
1/2-14 NPSM |
3.03 77.0 mm |
1.49 37.8 mm |
2.71 68.8 mm |
1.96 49.8 mm |
2.39 60.7 mm |
1.64 41.7 mm |
1.51 38.4 mm |
1.13 28.7 mm |
1.12 28.4 mm |
1.50 38.1 mm |
1.00 25.4 mm |
3,000 PSI 20.7 MPa |
| 18S12FU12-PU12 |
1 3/16-12 UN-2B |
3/4-14 NPSM |
3.77 95.8 mm |
1.86 47.2 mm |
3.34 84.8 mm |
2.39 60.7 mm |
2.98 75.7 mm |
2.03 51.6 mm |
1.86 47.2 mm |
1.38 35.1 mm |
1.38 35.1 mm |
1.90 48.3 mm |
1.25 31.8 mm |
3,000 PSI 20.7 MPa |
| 18S16FU16-PU16 |
1 7/16-12 UN-2B |
1-11 1/2 NPSM |
4.37 111.0 mm |
2.24 56.9 mm |
3.66 93.0 mm |
2.60 66.0 mm |
3.31 84.1 mm |
2.25 57.2 mm |
2.06 52.3 mm |
1.63 41.4 mm |
1.63 41.4 mm |
2.13 54.1 mm |
1.50 38.1 mm |
3,000 PSI 20.7 MPa |
| 18S20FU20-PU20 |
1 11/16-12 UN-2B |
1 1/4-11 1/2 NPSM |
4.96 126.0 mm |
2.50 63.5 mm |
4.09 103.9 mm |
2.72 69.1 mm |
4.00 101.6 mm |
2.64 67.1 mm |
2.20 55.9 mm |
2.00 50.8 mm |
2.00 50.8 mm |
2.75 69.9 mm |
1.87 47.5 mm |
3,000 PSI 20.7 MPa |
| 18S24FU24-PU24 |
2-12 UN-2B |
1 1/2-11 1/2 NPSM |
6.68 169.7 mm |
3.36 85.3 mm |
4.93 125.2 mm |
3.18 80.8 mm |
4.86 123.4 mm |
3.11 79.0 mm |
2.59 65.8 mm |
2.37 60.2 mm |
2.25 57.2 mm |
3.50 88.9 mm |
2.25 57.2 mm |
3,000 PSI 20.7 MPa |
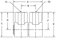
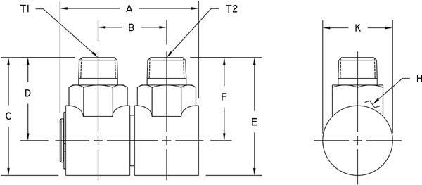
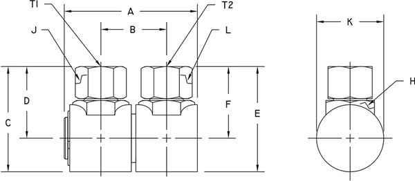
SWIVELS | 18S-PARALLEL PLANE SWIVEL | MALE JIC TO MALE JIC
MALE JIC TO MALE JIC
male-jic-to-male-jic

| Part Number |
T1 |
T2 |
A |
B |
C |
D |
E |
F |
H Hex |
K Dia. |
Max W.P. |
| 18S6J5-J5 |
1/2-20 UNF-2A |
1/2-20 UNF-2A |
3.05 77.5 mm |
1.50 38.1 mm |
1.64 41.7 mm |
1.18 30.0 mm |
1.64 41.7 mm |
1.18 30.0 mm |
1.00 25.4 mm |
0.92 23.4 mm |
3,000 PSI 20.7 MPa |
| 18S6J5-J6 |
1/2-20 UNF-2A |
9/16-18 UNF-2A |
3.05 77.5 mm |
1.50 38.1 mm |
1.64 41.7 mm |
1.18 30.0 mm |
1.64 41.7 mm |
1.18 30.0 mm |
1.00 25.4 mm |
0.92 23.4 mm |
3,000 PSI 20.7 MPa |
| 18S6J5-J8 |
1/2-20 UNF-2A |
3/4-16 UNF-2A |
3.05 77.5 mm |
1.50 38.1 mm |
1.64 41.7 mm |
1.18 30.0 mm |
1.64 41.7 mm |
1.18 30.0 mm |
1.00 25.4 mm |
0.92 23.4 mm |
3,000 PSI 20.7 MPa |
| 18S6J6-J6 |
9/16-18 UNF-2A |
9/16-18 UNF-2A |
3.05 77.5 mm |
1.50 38.1 mm |
1.64 41.7 mm |
1.18 30.0 mm |
1.64 41.7 mm |
1.18 30.0 mm |
1.00 25.4 mm |
0.92 23.4 mm |
3,000 PSI 20.7 MPa |
| 18S6J6-J8 |
9/16-18 UNF-2A |
3/4-16 UNF-2A |
3.05 77.5 mm |
1.50 38.1 mm |
1.64 41.7 mm |
1.18 30.0 mm |
1.64 41.7 mm |
1.18 30.0 mm |
1.00 25.4 mm |
0.92 23.4 mm |
3,000 PSI 20.7 MPa |
| 18S6J8-J8 |
3/4-16 UNF-2A |
3/4-16 UNF-2A |
3.05 77.5 mm |
1.50 38.1 mm |
1.95 49.5 mm |
1.49 37.8 mm |
1.95 49.5 mm |
1.49 37.8 mm |
1.00 25.4 mm |
0.92 23.4 mm |
3,000 PSI 20.7 MPa |
| 18S8J8-J8 |
3/4-16 UNF-2A |
3/4-16 UNF-2A |
3.03 77.0 mm |
1.49 37.8 mm |
2.19 55.6 mm |
1.45 36.8 mm |
2.19 55.6 mm |
1.45 36.8 mm |
1.13 28.7 mm |
1.50 38.1 mm |
3,000 PSI 20.7 MPa |
| 18S8J8-J10 |
3/4-16 UNF-2A |
7/8-14 UNF-2A |
3.03 77.0 mm |
1.49 37.8 mm |
2.19 55.6 mm |
1.45 36.8 mm |
2.29 58.2 mm |
1.45 36.8 mm |
1.13 28.7 mm |
1.50 38.1 mm |
3,000 PSI 20.7 MPa |
| 18S8J10-J10 |
7/8-14 UNF-2A |
7/8-14 UNF-2A |
3.03 77.0 mm |
1.49 37.8 mm |
2.29 58.2 mm |
1.54 39.1 mm |
2.29 58.2 mm |
1.54 39.1 mm |
1.13 28.7 mm |
1.50 38.1 mm |
3,000 PSI 20.7 MPa |
| 18S12J12-J12 |
1 1/16-12 UN-2A |
1 1/16-12 UN-2A |
3.77 95.8 mm |
1.86 47.2 mm |
2.92 74.2 mm |
1.97 50.0 mm |
2.92 74.2 mm |
1.97 50.0 mm |
1.38 35.1 mm |
1.90 48.3 mm |
3,000 PSI 20.7 MPa |
| 18S16J16-J16 |
1 5/16-12 UN-2A |
1 5/16-12 UN-2A |
4.37 111.0 mm |
2.24 56.9 mm |
3.23 82.0 mm |
2.17 55.1 mm |
3.23 82.0 mm |
2.17 55.1 mm |
1.63 41.4 mm |
2.13 54.1 mm |
3,000 PSI 20.7 MPa |
| 18S20J20-J20 |
1 5/8-12 UN-2A |
1 5/8-12 UN-2A |
4.96 126.0 mm |
2.50 63.5 mm |
3.90 99.1 mm |
2.52 64.0 mm |
3.90 99.1 mm |
2.52 64.0 mm |
2.00 50.8 mm |
2.75 69.9 mm |
3,000 PSI 20.7 MPa |
| 18S24J24-J24 |
1 7/8-12 UN-2A |
1 7/8-12 UN-2A |
6.68 169.7 mm |
3.36 85.3 mm |
4.76 120.9 mm |
3.01 76.5 mm |
4.76 120.9 mm |
3.01 76.5 mm |
2.37 60.2 mm |
3.50 88.9 mm |
3,000 PSI 20.7 MPa |
| 18S32J32-J32 |
2 1/2-12 UN-2A |
2 1/2-12 UN-2A |
7.76 197.1 mm |
3.84 97.5 mm |
5.97 151.6 mm |
3.72 94.5 mm |
5.97 151.6 mm |
3.72 94.5 mm |
2.87 72.9 mm |
4.50 114.3 mm |
3,000 PSI 20.7 MPa |
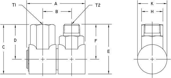
SWIVELS | 18S-PARALLEL PLANE SWIVEL | MALE PIPE TO MALE JIC
MALE PIPE TO MALE JIC
male-pipe-to-male-jic

| Part Number |
T1 |
T2 |
A |
B |
C |
D |
E |
F |
H Hex |
K Dia. |
Max W.P. |
| 18S6P4-J5 |
1/4-18 NPTF |
1/2-20 UNF-2A |
3.05 77.5 mm |
1.50 38.1 mm |
1.96 49.8 mm |
1.50 38.1 mm |
1.64 41.7 mm |
1.18 30.0 mm |
1.00 25.4 mm |
0.92 23.4 mm |
3,000 PSI 20.7 MPa |
| 18S6P4-J6 |
1/4-18 NPTF |
9/16-18 UNF-2A |
3.05 77.5 mm |
1.50 38.1 mm |
1.96 49.8 mm |
1.50 38.1 mm |
1.64 41.7 mm |
1.18 30.0 mm |
1.00 25.4 mm |
0.92 23.4 mm |
3,000 PSI 20.7 MPa |
| 18S6P4-J8 |
1/4-18 NPTF |
3/4-16 UNF-2A |
3.05 77.5 mm |
1.50 38.1 mm |
1.96 49.8 mm |
1.50 38.1 mm |
1.95 49.5 mm |
1.49 37.8 mm |
1.00 25.4 mm |
0.92 23.4 mm |
3,000 PSI 20.7 MPa |
| 18S6P6-J5 |
3/8-18 NPTF |
1/2-20 UNF-2A |
3.05 77.5 mm |
1.50 38.1 mm |
1.96 49.8 mm |
1.50 38.1 mm |
1.64 41.7 mm |
1.18 30.0 mm |
1.00 25.4 mm |
0.92 23.4 mm |
3,000 PSI 20.7 MPa |
| 18S6P6-J6 |
3/8-18 NPTF |
9/16-18 UNF-2A |
3.05 77.5 mm |
1.50 38.1 mm |
1.96 49.8 mm |
1.50 38.1 mm |
1.64 41.7 mm |
1.18 30.0 mm |
1.00 25.4 mm |
0.92 23.4 mm |
3,000 PSI 20.7 MPa |
| 18S6P6-J8 |
3/8-18 NPTF |
3/4-16 UNF-2A |
3.05 77.5 mm |
1.50 38.1 mm |
1.96 49.8 mm |
1.50 38.1 mm |
1.95 49.5 mm |
1.49 37.8 mm |
1.00 25.4 mm |
0.92 23.4 mm |
3,000 PSI 20.7 MPa |
| 18S8P8-J8 |
1/2-14 NPTF |
3/4-16 UNF-2A |
3.03 77.0 mm |
1.49 37.8 mm |
2.65 67.3 mm |
1.90 48.3 mm |
2.19 55.6 mm |
1.45 36.8 mm |
1.13 28.7 mm |
1.50 38.1 mm |
3,000 PSI 20.7 MPa |
| 18S8P8-J10 |
1/2-14 NPTF |
7/8-14 UNF-2A |
3.03 77.0 mm |
1.49 37.8 mm |
2.65 67.3 mm |
1.90 48.3 mm |
2.29 58.2 mm |
1.54 39.1 mm |
1.13 28.7 mm |
1.50 38.1 mm |
3,000 PSI 20.7 MPa |
| 18S12P12-J12 |
3/4-14 NPTF |
1 1/16-12 UN-2A |
3.77 95.8 mm |
1.86 47.2 mm |
3.21 81.5 mm |
2.26 57.4 mm |
2.92 74.2 mm |
1.97 50.0 mm |
1.38 35.1 mm |
1.90 48.3 mm |
3,000 PSI 20.7 MPa |
| 18S16P16-J16 |
1-11 1/2 NPTF |
1 5/16-12 UN-2A |
4.37 111.0 mm |
2.24 56.9 mm |
3.69 93.7 mm |
2.63 66.8 mm |
3.23 82.0 mm |
2.17 55.1 mm |
1.63 41.4 mm |
2.13 54.1 mm |
3,000 PSI 20.7 MPa |
| 18S20P20-J20 |
1 1/4-11 1/2 NPTF |
1 5/8-12 UN-2A |
4.96 126.0 mm |
2.50 63.5 mm |
4.36 110.7 mm |
2.99 75.9 mm |
3.90 99.1 mm |
2.52 64.0 mm |
2.00 50.8 mm |
2.75 69.9 mm |
3,000 PSI 20.7 MPa |
| 18S24P24-J24 |
1 1/2-11 1/2 NPTF |
1 7/8-12 UN-2A |
6.68 169.7 mm |
3.36 85.3 mm |
5.45 138.4 mm |
3.70 94.0 mm |
4.76 120.9 mm |
3.01 76.5 mm |
2.37 60.2 mm |
3.50 88.9 mm |
3,000 PSI 20.7 MPa |
| 18S32P32-J32 |
2-11 1/2 NPTF |
2 1/2-12 UN-2A |
7.76 197.1 mm |
3.84 97.5 mm |
6.80 172.7 mm |
4.55 115.6 mm |
5.97 151.6 mm |
3.72 94.5 mm |
2.87 72.9 mm |
4.50 114.3 mm |
3,000 PSI 20.7 MPa |
SWIVELS | 18S-PARALLEL PLANE SWIVEL | MALE PIPE TO MALE PIPE
MALE PIPE TO MALE PIPE
male-pipe-to-male-pipe

| Part Number |
T1 |
T2 |
A |
B |
C |
D |
E |
F |
H Hex |
K Dia. |
Max W.P. |
| 18S6P4-P4 |
1/4-18 NPTF |
1/4-18 NPTF |
3.05 77.5 mm |
1.50 38.1 mm |
1.96 49.8 mm |
1.50 38.1 mm |
1.96 49.8 mm |
1.50 38.1 mm |
1.00 25.4 mm |
0.92 23.4 mm |
3,000 PSI 20.7 MPa |
| 18S6P4-P6 |
1/4-18 NPTF |
3/8-18 NPTF |
3.05 77.5 mm |
1.50 38.1 mm |
1.96 49.8 mm |
1.50 38.1 mm |
1.96 49.8 mm |
1.50 38.1 mm |
1.00 25.4 mm |
0.92 23.4 mm |
3,000 PSI 20.7 MPa |
| 18S6P6-P6 |
3/8-18 NPTF |
3/8-18 NPTF |
3.05 77.5 mm |
1.50 38.1 mm |
1.96 49.8 mm |
1.50 38.1 mm |
1.96 49.8 mm |
1.50 38.1 mm |
1.00 25.4 mm |
0.92 23.4 mm |
3,000 PSI 20.7 MPa |
| 18S8P8-P8 |
1/2-14 NPTF |
1/2-14 NPTF |
3.03 77.0 mm |
1.49 37.8 mm |
2.65 67.3 mm |
1.90 48.3 mm |
2.65 67.3 mm |
1.90 48.3 mm |
1.13 28.7 mm |
1.50 38.1 mm |
3,000 PSI 20.7 MPa |
| 18S12P12-P12 |
3/4-14 NPTF |
3/4-14 NPTF |
3.77 95.8 mm |
1.86 47.2 mm |
3.21 81.5 mm |
2.26 57.4 mm |
3.21 81.5 mm |
2.26 57.4 mm |
1.38 35.1 mm |
1.90 48.3 mm |
3,000 PSI 20.7 MPa |
| 18S16P16-P16 |
1-11 1/2 NPTF |
1-11 1/2 NPTF |
4.37 111.0 mm |
2.24 56.9 mm |
3.69 93.7 mm |
2.63 66.8 mm |
3.69 93.7 mm |
2.63 66.8 mm |
1.63 41.4 mm |
2.13 54.1 mm |
3,000 PSI 20.7 MPa |
| 18S20P20-P20 |
1 1/4-11 1/2 NPTF |
1 1/4-11 1/2 NPTF |
4.96 126.0 mm |
2.50 63.5 mm |
4.36 110.7 mm |
2.99 75.9 mm |
4.36 110.7 mm |
2.99 75.9 mm |
2.00 50.8 mm |
2.75 69.9 mm |
3,000 PSI 20.7 MPa |
| 18S24P24-P24 |
1 1/2-11 1/2 NPTF |
1 1/2-11 1/2 NPTF |
6.68 169.7 mm |
3.36 85.3 mm |
5.45 138.4 mm |
3.70 94.0 mm |
5.45 138.4 mm |
3.70 94.0 mm |
2.37 60.2 mm |
3.50 88.9 mm |
3,000 PSI 20.7 MPa |
| 18S32P32-P32 |
2-11 1/2 NPTF |
2-11 1/2 NPTF |
7.76 197.1 mm |
3.84 97.5 mm |
6.80 172.7 mm |
4.55 115.6 mm |
6.80 172.7 mm |
4.55 115.6 mm |
2.87 72.9 mm |
4.50 114.3 mm |
3,000 PSI 20.7 MPa |
SWIVELS | 18S-PARALLEL PLANE SWIVEL | FEMALE PIPE TO MALE JIC
FEMALE PIPE TO MALE JIC
female-pipe-to-male-jic

| Part Number |
T1 |
T2 |
A |
B |
C |
D |
E |
F |
H Hex |
K Dia. |
Max W.P. |
| 18S6PF4-J5 |
1/4-18 NPTF |
1/2-20 UNF-2A |
3.05 77.5 mm |
1.50 38.1 mm |
1.84 46.7 mm |
1.38 35.1 mm |
1.64 41.7 mm |
1.18 30.0 mm |
1.00 25.4 mm |
0.92 23.4 mm |
3,000 PSI 20.7 MPa |
| 18S6PF4-J6 |
1/4-18 NPTF |
9/16-18 UNF-2A |
3.05 77.5 mm |
1.50 38.1 mm |
1.84 46.7 mm |
1.38 35.1 mm |
1.64 41.7 mm |
1.18 30.0 mm |
1.00 25.4 mm |
0.92 23.4 mm |
3,000 PSI 20.7 MPa |
| 18S6PF4-J8 |
1/4-18 NPTF |
3/4-16 UNF-2A |
3.05 77.5 mm |
1.50 38.1 mm |
1.84 46.7 mm |
1.38 35.1 mm |
1.95 49.5 mm |
1.49 37.8 mm |
1.00 25.4 mm |
0.92 23.4 mm |
3,000 PSI 20.7 MPa |
| 18S6PF6-J5 |
3/8-18 NPTF |
1/2-20 UNF-2A |
3.05 77.5 mm |
1.50 38.1 mm |
1.84 46.7 mm |
1.38 35.1 mm |
1.64 41.7 mm |
1.18 30.0 mm |
1.00 25.4 mm |
0.92 23.4 mm |
3,000 PSI 20.7 MPa |
| 18S6PF6-J6 |
3/8-18 NPTF |
9/16-18 UNF-2A |
3.05 77.5 mm |
1.50 38.1 mm |
1.84 46.7 mm |
1.38 35.1 mm |
1.64 41.7 mm |
1.18 30.0 mm |
1.00 25.4 mm |
0.92 23.4 mm |
3,000 PSI 20.7 MPa |
| 18S6PF6-J8 |
3/8-18 NPTF |
3/4-16 UNF-2A |
3.05 77.5 mm |
1.50 38.1 mm |
1.84 46.7 mm |
1.38 35.1 mm |
1.95 49.5 mm |
1.49 37.8 mm |
1.00 25.4 mm |
0.92 23.4 mm |
3,000 PSI 20.7 MPa |
| 18S8PF8-J8 |
1/2-14 NPTF |
3/4-16 UNF-2A |
3.03 77.0 mm |
1.49 37.8 mm |
2.59 65.8 mm |
1.84 46.7 mm |
2.19 55.6 mm |
1.45 36.8 mm |
1.13 28.7 mm |
1.50 38.1 mm |
3,000 PSI 20.7 MPa |
| 18S8PF8-J10 |
1/2-14 NPTF |
7/8-14 UNF-2A |
3.03 77.0 mm |
1.49 37.8 mm |
2.59 65.8 mm |
1.84 46.7 mm |
2.29 58.2 mm |
1.54 39.1 mm |
1.13 28.7 mm |
1.50 38.1 mm |
3,000 PSI 20.7 MPa |
| 18S12PF12-J12 |
3/4-14 NPTF |
1 1/16-12 UN-2A |
3.77 95.8 mm |
1.86 47.2 mm |
3.19 81.0 mm |
2.24 56.9 mm |
2.92 74.2 mm |
1.97 50.0 mm |
1.38 35.1 mm |
1.90 48.3 mm |
3,000 PSI 20.7 MPa |
| 18S16PF16-J16 |
1-11 1/2 NPTF |
1 5/16-12 UN-2A |
4.37 111.0 mm |
2.24 56.9 mm |
3.54 89.9 mm |
2.48 63.0 mm |
3.23 82.0 mm |
2.17 55.1 mm |
1.63 41.4 mm |
2.13 54.1 mm |
3,000 PSI 20.7 MPa |
| 18S20PF20-J20 |
1 1/4-11 1/2 NPTF |
1 5/8-12 UN-2A |
4.96 126.0 mm |
2.50 63.5 mm |
4.00 101.6 mm |
2.63 66.8 mm |
3.90 99.1 mm |
2.52 64.0 mm |
2.00 50.8 mm |
2.75 69.9 mm |
3,000 PSI 20.7 MPa |
| 18S24PF24-J24 |
1 1/2-11 1/2 NPTF |
1 7/8-12 UN-2A |
6.68 169.7 mm |
3.36 85.3 mm |
5.20 132.1 mm |
3.45 87.6 mm |
4.76 120.9 mm |
3.01 76.5 mm |
2.37 60.2 mm |
3.50 88.9 mm |
3,000 PSI 20.7 MPa |
| 18S32PF32-J32 |
2-11 1/2 NPTF |
2 1/2-12 UN-2A |
7.76 197.1 mm |
3.84 97.5 mm |
6.31 160.3 mm |
4.06 103.1 mm |
5.97 151.6 mm |
3.72 94.5 mm |
2.87 72.9 mm |
4.50 114.3 mm |
3,000 PSI 20.7 MPa |
SWIVELS | 18S-PARALLEL PLANE SWIVEL | FEMALE PIPE TO MALE PIPE
FEMALE PIPE TO MALE PIPE
female-pipe-to-male-pipe

| Part Number |
T1 |
T2 |
A |
B |
C |
D |
E |
F |
H Hex |
K Dia. |
Max W.P. |
| 18S6PF4-P4 |
1/4-18 NPTF |
1/4-18 NPTF |
3.05 77.5 mm |
1.50 38.1 mm |
1.84 46.7 mm |
1.38 35.1 mm |
1.96 49.8 mm |
1.50 38.1 mm |
1.00 25.4 mm |
0.92 23.4 mm |
3,000 PSI 20.7 MPa |
| 18S6PF4-P6 |
1/4-18 NPTF |
3/8-18 NPTF |
3.05 77.5 mm |
1.50 38.1 mm |
1.84 46.7 mm |
1.38 35.1 mm |
1.96 49.8 mm |
1.50 38.1 mm |
1.00 25.4 mm |
0.92 23.4 mm |
3,000 PSI 20.7 MPa |
| 18S6PF6-P4 |
3/8-18 NPTF |
1/4-18 NPTF |
3.05 77.5 mm |
1.50 38.1 mm |
1.84 46.7 mm |
1.38 35.1 mm |
1.96 49.8 mm |
1.50 38.1 mm |
1.00 25.4 mm |
0.92 23.4 mm |
3,000 PSI 20.7 MPa |
| 18S6PF6-P6 |
3/8-18 NPTF |
3/8-18 NPTF |
3.05 77.5 mm |
1.50 38.1 mm |
1.84 46.7 mm |
1.38 35.1 mm |
1.96 49.8 mm |
1.50 38.1 mm |
1.00 25.4 mm |
0.92 23.4 mm |
3,000 PSI 20.7 MPa |
| 18S8PF8-P8 |
1/2-14 NPTF |
1/2-14 NPTF |
3.03 77.0 mm |
1.49 37.8 mm |
2.59 65.8 mm |
1.84 46.7 mm |
2.65 67.3 mm |
1.90 48.3 mm |
1.13 28.7 mm |
1.50 38.1 mm |
3,000 PSI 20.7 MPa |
| 18S12PF12-P12 |
3/4-14 NPTF |
3/4-14 NPTF |
3.77 95.8 mm |
1.86 47.2 mm |
3.19 81.0 mm |
2.24 56.9 mm |
3.21 81.5 mm |
2.26 57.4 mm |
1.38 35.1 mm |
1.90 48.3 mm |
3,000 PSI 20.7 MPa |
| 18S16PF16-P16 |
1-11 1/2 NPTF |
1-11 1/2 NPTF |
4.37 111.0 mm |
2.24 56.9 mm |
3.54 89.9 mm |
2.48 63.0 mm |
3.69 93.7 mm |
2.63 66.8 mm |
1.63 41.4 mm |
2.13 54.1 mm |
3,000 PSI 20.7 MPa |
| 18S20PF20-P20 |
1 1/4-11 1/2 NPTF |
1 1/4-11 1/2 NPTF |
4.96 126.0 mm |
2.50 63.5 mm |
4.00 101.6 mm |
2.63 66.8 mm |
4.36 110.7 mm |
2.99 75.9 mm |
2.00 50.8 mm |
2.75 69.9 mm |
3,000 PSI 20.7 MPa |
| 18S24PF24-P24 |
1 1/2-11 1/2 NPTF |
1 1/2-11 1/2 NPTF |
6.68 169.7 mm |
3.36 85.3 mm |
5.20 132.1 mm |
3.45 87.6 mm |
5.45 138.4 mm |
3.70 94.0 mm |
2.37 60.2 mm |
3.50 88.9 mm |
3,000 PSI 20.7 MPa |
| 18S32PF32-P32 |
2-11 1/2 NPTF |
2-11 1/2 NPTF |
7.76 197.1 mm |
3.84 97.5 mm |
6.31 160.3 mm |
4.06 103.1 mm |
6.80 172.7 mm |
4.55 115.6 mm |
2.87 72.9 mm |
4.50 114.3 mm |
3,000 PSI 20.7 MPa |
SWIVELS | 18S-PARALLEL PLANE SWIVEL | FEMALE PIPE TO FEMALE PIPE
FEMALE PIPE TO FEMALE PIPE
female-pipe-to-female-pipe

| Part Number |
T1 |
T2 |
A |
B |
C |
D |
E |
F |
H Hex |
K Dia. |
Max W.P. |
| 18S6PF4-PF4 |
1/4-18 NPTF |
1/4-18 NPTF |
3.05 77.5 mm |
1.50 38.1 mm |
1.84 46.7 mm |
1.38 35.1 mm |
1.84 46.7 mm |
1.38 35.1 mm |
1.00 25.4 mm |
0.92 23.4 mm |
3,000 PSI 20.7 MPa |
| 18S6PF4-PF6 |
1/4-18 NPTF |
3/8-18 NPTF |
3.05 77.5 mm |
1.50 38.1 mm |
1.84 46.7 mm |
1.38 35.1 mm |
1.84 46.7 mm |
1.38 35.1 mm |
1.00 25.4 mm |
0.92 23.4 mm |
3,000 PSI 20.7 MPa |
| 18S6PF6-PF6 |
3/8-18 NPTF |
3/8-18 NPTF |
3.05 77.5 mm |
1.50 38.1 mm |
1.84 46.7 mm |
1.38 35.1 mm |
1.84 46.7 mm |
1.38 35.1 mm |
1.00 25.4 mm |
0.92 23.4 mm |
3,000 PSI 20.7 MPa |
| 18S8PF8-PF8 |
1/2-14 NPTF |
1/2-14 NPTF |
3.03 77.0 mm |
1.49 37.8 mm |
2.59 65.8 mm |
1.84 46.7 mm |
2.59 65.8 mm |
1.84 46.7 mm |
1.13 28.7 mm |
1.50 38.1 mm |
3,000 PSI 20.7 MPa |
| 18S12PF12-PF12 |
3/4-14 NPTF |
3/4-14 NPTF |
3.77 95.8 mm |
1.86 47.2 mm |
3.19 81.0 mm |
2.24 56.9 mm |
3.19 81.0 mm |
2.24 56.9 mm |
1.38 35.1 mm |
1.90 48.3 mm |
3,000 PSI 20.7 MPa |
| 18S16PF16-PF16 |
1-11 1/2 NPTF |
1-11 1/2 NPTF |
4.37 111.0 mm |
2.24 56.9 mm |
3.54 89.9 mm |
2.48 63.0 mm |
3.54 89.9 mm |
2.48 63.0 mm |
1.63 41.4 mm |
2.13 54.1 mm |
3,000 PSI 20.7 MPa |
| 18S20PF20-PF20 |
1 1/4-11 1/2 NPTF |
1 1/4-11 1/2 NPTF |
4.96 126.0 mm |
2.50 63.5 mm |
4.00 101.6 mm |
2.63 66.8 mm |
4.00 101.6 mm |
2.63 66.8 mm |
2.00 50.8 mm |
2.75 69.9 mm |
3,000 PSI 20.7 MPa |
| 18S24PF24-PF24 |
1 1/2-11 1/2 NPTF |
1 1/2-11 1/2 NPTF |
6.68 169.7 mm |
3.36 85.3 mm |
5.20 132.1 mm |
3.45 87.6 mm |
5.20 132.1 mm |
3.45 87.6 mm |
2.37 60.2 mm |
3.50 88.9 mm |
3,000 PSI 20.7 MPa |
| 18S32PF32-PF32 |
2-11 1/2 NPTF |
2-11 1/2 NPTF |
7.76 197.1 mm |
3.84 97.5 mm |
6.31 160.3 mm |
4.06 103.1 mm |
6.31 160.3 mm |
4.06 103.1 mm |
2.87 72.9 mm |
4.50 114.3 mm |
3,000 PSI 20.7 MPa |
SWIVELS | 18S-PARALLEL PLANE SWIVEL | FEMALE PIPE UNION TO MALE JIC
FEMALE PIPE UNION TO MALE JIC
female-pipe-union-to-male-jic

| Part Number |
T1 |
T2 |
A |
B |
C |
D |
E |
F |
H Hex |
K Dia. |
L Hex |
Max W.P. |
| 18S6PU4-J5 |
1/4-18 NPSM |
1/2-20 UNF-2A |
3.05 77.5 mm |
1.50 38.1 mm |
1.73 43.9 mm |
1.27 32.3 mm |
1.64 41.7 mm |
1.18 30.0 mm |
1.00 25.4 mm |
0.92 23.4 mm |
0.75 19.1 mm |
3,000 PSI 20.7 MPa |
| 18S6PU4-J6 |
1/4-18 NPSM |
9/16-18 UNF-2A |
3.05 77.5 mm |
1.50 38.1 mm |
1.73 43.9 mm |
1.27 32.3 mm |
1.64 41.7 mm |
1.18 30.0 mm |
1.00 25.4 mm |
0.92 23.4 mm |
0.75 19.1 mm |
3,000 PSI 20.7 MPa |
| 18S6PU4-J8 |
1/4-18 NPSM |
3/4-16 UNF-2A |
3.05 77.5 mm |
1.50 38.1 mm |
1.73 43.9 mm |
1.27 32.3 mm |
1.95 49.5 mm |
1.49 37.8 mm |
1.00 25.4 mm |
0.92 23.4 mm |
0.75 19.1 mm |
3,000 PSI 20.7 MPa |
| 18S6PU6-J5 |
3/8-18 NPSM |
1/2-20 UNF-2A |
3.05 77.5 mm |
1.50 38.1 mm |
1.86 47.2 mm |
1.40 35.6 mm |
1.64 41.7 mm |
1.18 30.0 mm |
1.00 25.4 mm |
0.92 23.4 mm |
0.87 22.1 mm |
3,000 PSI 20.7 MPa |
| 18S6PU6-J6 |
3/8-18 NPSM |
9/16-18 UNF-2A |
3.05 77.5 mm |
1.50 38.1 mm |
1.86 47.2 mm |
1.40 35.6 mm |
1.64 41.7 mm |
1.18 30.0 mm |
1.00 25.4 mm |
0.92 23.4 mm |
0.87 22.1 mm |
3,000 PSI 20.7 MPa |
| 18S6PU6-J8 |
3/8-18 NPSM |
3/4-16 UNF-2A |
3.05 77.5 mm |
1.50 38.1 mm |
1.86 47.2 mm |
1.40 35.6 mm |
1.95 49.5 mm |
1.49 37.8 mm |
1.00 25.4 mm |
0.92 23.4 mm |
0.87 22.1 mm |
3,000 PSI 20.7 MPa |
| 18S8PU8-J8 |
1/2-14 NPSM |
3/4-16 UNF-2A |
3.03 77.0 mm |
1.49 37.8 mm |
2.39 60.7 mm |
1.64 41.7 mm |
2.19 55.6 mm |
1.45 36.8 mm |
1.13 28.7 mm |
1.50 38.1 mm |
1.00 25.4 mm |
3,000 PSI 20.7 MPa |
| 18S8PU8-J10 |
1/2-14 NPSM |
7/8-14 UNF-2A |
3.03 77.0 mm |
1.49 37.8 mm |
2.39 60.7 mm |
1.64 41.7 mm |
2.29 58.2 mm |
1.54 39.1 mm |
1.13 28.7 mm |
1.50 38.1 mm |
1.00 25.4 mm |
3,000 PSI 20.7 MPa |
| 18S12PU12-J12 |
3/4-14 NPSM |
1 1/16-12 UN-2A |
3.77 95.8 mm |
1.86 47.2 mm |
2.98 75.7 mm |
2.03 51.6 mm |
2.92 74.2 mm |
1.97 50.0 mm |
1.38 35.1 mm |
1.90 48.3 mm |
1.25 31.8 mm |
3,000 PSI 20.7 MPa |
| 18S16PU16-J16 |
1-11 1/2 NPSM |
1 5/16-12 UN-2A |
4.37 111.0 mm |
2.24 56.9 mm |
3.31 84.1 mm |
2.25 57.2 mm |
3.23 82.0 mm |
2.17 55.1 mm |
1.63 41.4 mm |
2.13 54.1 mm |
1.50 38.1 mm |
3,000 PSI 20.7 MPa |
| 18S20PU20-J20 |
1 1/4-11 1/2 NPSM |
1 5/8-12 UN-2A |
4.96 126.0 mm |
2.50 63.5 mm |
4.02 102.1 mm |
2.64 67.1 mm |
3.90 99.1 mm |
2.52 64.0 mm |
2.00 50.8 mm |
2.75 69.9 mm |
1.87 47.5 mm |
3,000 PSI 20.7 MPa |
| 18S24PU24-J24 |
1 1/2-11 1/2 NPSM |
1 7/8-12 UN-2A |
6.68 169.7 mm |
3.36 85.3 mm |
4.86 123.4 mm |
3.11 79.0 mm |
4.76 120.9 mm |
3.01 76.5 mm |
2.37 60.2 mm |
3.50 88.9 mm |
2.25 57.2 mm |
3,000 PSI 20.7 MPa |
| 18S32PU32-J32 |
2-11 1/2 NPSM |
2 1/2-12 UN-2A |
7.76 197.1 mm |
3.84 97.5 mm |
6.19 157.2 mm |
3.94 100.1 mm |
5.97 151.6 mm |
3.72 94.5 mm |
2.87 72.9 mm |
4.50 114.3 mm |
2.75 69.9 mm |
3,000 PSI 20.7 MPa |
SWIVELS | 18S-PARALLEL PLANE SWIVEL | FEMALE PIPE UNION TO MALE PIPE
FEMALE PIPE UNION TO MALE PIPE
female-pipe-union-to-male-pipe

| Part Number |
T1 |
T2 |
A |
B |
C |
D |
E |
F |
H Hex |
K Dia. |
L Hex |
Max W.P. |
| 18S6PU4-P4 |
1/4-18 NPSM |
1/4-18 NPTF |
3.05 77.5 mm |
1.50 38.1 mm |
1.73 43.9 mm |
1.27 32.3 mm |
1.96 49.8 mm |
1.50 38.1 mm |
1.00 25.4 mm |
0.92 23.4 mm |
0.75 19.1 mm |
3,000 PSI 20.7 MPa |
| 18S6PU4-P6 |
1/4-18 NPSM |
3/8-18 NPTF |
3.05 77.5 mm |
1.50 38.1 mm |
1.73 43.9 mm |
1.27 32.3 mm |
1.96 49.8 mm |
1.50 38.1 mm |
1.00 25.4 mm |
0.92 23.4 mm |
0.75 19.1 mm |
3,000 PSI 20.7 MPa |
| 18S6PU6-P4 |
3/8-18 NPSM |
1/4-18 NPTF |
3.05 77.5 mm |
1.50 38.1 mm |
1.86 47.2 mm |
1.40 35.6 mm |
1.96 49.8 mm |
1.50 38.1 mm |
1.00 25.4 mm |
0.92 23.4 mm |
0.87 22.1 mm |
3,000 PSI 20.7 MPa |
| 18S6PU6-P6 |
3/8-18 NPSM |
3/8-18 NPTF |
3.05 77.5 mm |
1.50 38.1 mm |
1.86 47.2 mm |
1.40 35.6 mm |
1.96 49.8 mm |
1.50 38.1 mm |
1.00 25.4 mm |
0.92 23.4 mm |
0.87 22.1 mm |
3,000 PSI 20.7 MPa |
| 18S8PU8-P8 |
1/2-14 NPSM |
1/2-14 NPTF |
3.03 77.0 mm |
1.49 37.8 mm |
2.39 60.7 mm |
1.64 41.7 mm |
2.65 67.3 mm |
1.90 48.3 mm |
1.13 28.7 mm |
1.50 38.1 mm |
1.00 25.4 mm |
3,000 PSI 20.7 MPa |
| 18S12PU12-P12 |
3/4-14 NPSM |
3/4-14 NPTF |
3.77 95.8 mm |
1.86 47.2 mm |
2.98 75.7 mm |
2.03 51.6 mm |
3.21 81.5 mm |
2.26 57.4 mm |
1.38 35.1 mm |
1.90 48.3 mm |
1.25 31.8 mm |
3,000 PSI 20.7 MPa |
| 18S16PU16-P16 |
1-11 1/2 NPSM |
1-11 1/2 NPTF |
4.37 111.0 mm |
2.24 56.9 mm |
3.31 84.1 mm |
2.25 57.2 mm |
3.69 93.7 mm |
2.63 66.8 mm |
1.63 41.4 mm |
2.13 54.1 mm |
1.50 38.1 mm |
3,000 PSI 20.7 MPa |
| 18S20PU20-P20 |
1 1/4-11 1/2 NPSM |
1 1/4-11 1/2 NPTF |
4.96 126.0 mm |
2.50 63.5 mm |
4.02 102.1 mm |
2.64 67.1 mm |
4.36 110.7 mm |
2.99 75.9 mm |
2.00 50.8 mm |
2.75 69.9 mm |
1.87 47.5 mm |
3,000 PSI 20.7 MPa |
| 18S24PU24-P24 |
1 1/2-11 1/2 NPSM |
1 1/2-11 1/2 NPTF |
6.68 169.7 mm |
3.36 85.3 mm |
4.86 123.4 mm |
3.11 79.0 mm |
5.45 138.4 mm |
3.70 94.0 mm |
2.37 60.2 mm |
3.50 88.9 mm |
2.25 57.2 mm |
3,000 PSI 20.7 MPa |
| 18S32PU32-P32 |
2-11 1/2 NPSM |
2-11 1/2 NPTF |
7.76 197.1 mm |
3.84 97.5 mm |
6.19 157.2 mm |
3.94 100.1 mm |
6.80 172.7 mm |
4.55 115.6 mm |
2.87 72.9 mm |
4.50 114.3 mm |
2.75 69.9 mm |
3,000 PSI 20.7 MPa |
SWIVELS | 18S-PARALLEL PLANE SWIVEL | FEMALE PIPE UNION TO FEMALE PIPE UNION
FEMALE PIPE UNION TO FEMALE PIPE UNION
female-pipe-union-to-female-pipe-union

| Part Number |
T1 |
T2 |
A |
B |
C |
D |
E |
F |
H Hex |
J Hex(* = Round) |
K Dia. |
L Hex |
Max W.P. |
| 18S6PU4-PU4 |
1/4-18 NPSM |
1/4-18 NPSM |
3.05 77.5 mm |
1.50 38.1 mm |
1.73 43.9 mm |
1.27 32.3 mm |
1.73 43.9 mm |
1.27 32.3 mm |
1.00 25.4 mm |
0.75 19.1 mm |
0.92 23.4 mm |
0.75 19.1 mm |
3,000 PSI 20.7 MPa |
| 18S6PU4-PU6 |
1/4-18 NPSM |
3/8-18 NPSM |
3.05 77.5 mm |
1.50 38.1 mm |
1.73 43.9 mm |
1.27 32.3 mm |
1.86 47.2 mm |
1.40 35.6 mm |
1.00 25.4 mm |
0.75 19.1 mm |
0.92 23.4 mm |
0.87 22.1 mm |
3,000 PSI 20.7 MPa |
| 18S6PU6-PU6 |
3/8-18 NPSM |
3/8-18 NPSM |
3.05 77.5 mm |
1.50 38.1 mm |
1.86 47.2 mm |
1.40 35.6 mm |
1.86 47.2 mm |
1.40 35.6 mm |
1.00 25.4 mm |
0.87 22.1 mm |
0.92 23.4 mm |
0.87 22.1 mm |
3,000 PSI 20.7 MPa |
| 18S8PU8-PU8 |
1/2-14 NPSM |
1/2-14 NPSM |
3.03 77.0 mm |
1.49 37.8 mm |
2.39 60.7 mm |
1.64 41.7 mm |
2.39 60.7 mm |
1.64 41.7 mm |
1.13 28.7 mm |
1.00 25.4 mm |
1.50 38.1 mm |
1.00 25.4 mm |
3,000 PSI 20.7 MPa |
| 18S12PU12-PU12 |
3/4-14 NPSM |
3/4-14 NPSM |
3.77 95.8 mm |
1.86 47.2 mm |
2.98 75.7 mm |
2.03 51.6 mm |
2.98 75.7 mm |
2.03 51.6 mm |
1.38 35.1 mm |
1.25 31.8 mm |
1.90 48.3 mm |
1.25 31.8 mm |
3,000 PSI 20.7 MPa |
| 18S16PU16-PU16 |
1-11 1/2 NPSM |
1-11 1/2 NPSM |
4.37 111.0 mm |
2.24 56.9 mm |
3.31 84.1 mm |
2.25 57.2 mm |
3.31 84.1 mm |
2.25 57.2 mm |
1.63 41.4 mm |
1.50 38.1 mm |
2.13 54.1 mm |
1.50 38.1 mm |
3,000 PSI 20.7 MPa |
| 18S20PU20-PU20 |
1 1/4-11 1/2 NPSM |
1 1/4-11 1/2 NPSM |
4.96 126.0 mm |
2.50 63.5 mm |
4.02 102.1 mm |
2.64 67.1 mm |
4.02 102.1 mm |
2.64 67.1 mm |
2.00 50.8 mm |
1.87 47.5 mm |
2.75 69.9 mm |
1.87 47.5 mm |
3,000 PSI 20.7 MPa |
| 18S24PU24-PU24 |
1 1/2-11 1/2 NPSM |
1 1/2-11 1/2 NPSM |
6.68 169.7 mm |
3.36 85.3 mm |
4.86 123.4 mm |
3.11 79.0 mm |
4.86 123.4 mm |
3.11 79.0 mm |
2.37 60.2 mm |
2.25 57.2 mm |
3.50 88.9 mm |
2.25 57.2 mm |
3,000 PSI 20.7 MPa |
| 18S32PU32-PU32 |
2-11 1/2 NPSM |
2-11 1/2 NPSM |
7.76 197.1 mm |
3.84 97.5 mm |
6.19 157.2 mm |
3.94 100.1 mm |
6.19 157.2 mm |
3.94 100.1 mm |
2.87 72.9 mm |
2.75 69.9 mm |
4.50 114.3 mm |
2.75 69.9 mm |
3,000 PSI 20.7 MPa |
Male O-Ring Face Seal to Male O-Ring Face Seal
Male O-Ring Face Seal to Male JIC
Male O-Ring Face Seal to Male Pipe
Male O-Ring Face Seal to Female Pipe
Male O-Ring Face Seal to Female Pipe Union
Male O-Ring Face Seal to Female O-Ring Face Seal Union
Female O-Ring Face Seal Union to Male O-Ring Face Seal
Female O-Ring Face Seal Union to Female O-Ring Face Seal Union
Female O-Ring Face Seal Union to Male JIC
Female O-Ring Face Seal Union to Male Pipe
Female O-Ring Face Seal Union to Female Pipe
Female O-Ring Face Seal Union to Female Pipe Union
Male JIC to Male JIC
Male Pipe to Male JIC
Male Pipe to Male Pipe
Female Pipe to Male JIC
Female Pipe to Male Pipe
Female Pipe to Female Pipe
Female Pipe Union to Male JIC
Female Pipe Union to Male Pipe
Female Pipe Union to Female Pipe Union
Part Number
18S6F4-F4
18S6F4-F6
18S6F4-F8
18S6F6-F6
18S6F6-F8
18S6F8-F8
18S8F8-F8
18S8F8-F10
18S8F10-F10
18S12F12-F12
18S16F16-F16
18S20F20-F20
18S24F24-F24
Part Number
18S6F4-J5
18S6F4-J6
18S6F4-J8
18S6F6-J5
18S6F6-J6
18S6F6-J8
18S6F8-J5
18S6F8-J6
18S6F8-J8
18S8F8-J8
18S8F8-J10
18S8F10-J8
18S8F10-J10
18S12F12-J12
18S16F16-J16
18S20F20-J20
18S24F24-J24
Part Number
18S6F4-P4
18S6F4-P6
18S6F6-P4
18S6F6-P6
18S6F8-P4
18S6F8-P6
18S8F8-P8
18S8F10-P8
18S12F12-P12
18S16F16-P16
18S20F20-P20
18S24F24-P24
Part Number
18S6F4-PF4
18S6F4-PF6
18S6F6-PF4
18S6F6-PF6
18S6F8-PF4
18S6F8-PF6
18S8F8-PF8
18S8F10-PF8
18S12F12-PF12
18S16F16-PF16
18S20F20-PF20
18S24F24-PF24
Part Number
18S6F4-PU4
18S6F4-PU6
18S6F6-PU4
18S6F6-PU6
18S6F8-PU4
18S6F8-PU6
18S8F8-PU8
18S8F10-PU8
18S12F12-PU12
18S16F16-PU16
18S20F20-PU20
18S24F24-PU24
Part Number
18S6F4-FU6
18S6F6-FU6
18S6F8-FU6
18S8F8-FU8
18S8F8-FU10
18S8F10-FU8
18S8F10-FU10
18S12F12-FU12
18S16F16-FU16
18S20F20-FU20
18S24F24-FU24
Part Number
18S6FU6-F4
18S6FU6-F6
18S6FU6-F8
18S8FU8-F8
18S8FU8-F10
18S8FU10-F8
18S8FU10-F10
18S12FU12-F12
18S16FU16-F16
18S20FU20-F20
18S24FU24-F24
Part Number
18S6FU6-FU6
18S8FU8-FU8
18S8FU8-FU10
18S8FU10-FU10
18S12FU12-FU12
18S16FU16-FU16
18S20FU20-FU20
18S24FU24-FU24
Part Number
18S6FU6-J5
18S6FU6-J6
18S6FU6-J8
18S8FU8-J8
18S8FU8-J10
18S8FU10-J8
18S8FU10-J10
18S12FU12-J12
18S16FU16-J16
18S20FU20-J20
18S24FU24-J24
Part Number
18S6FU6-P4
18S6FU6-P6
18S8FU8-P8
18S8FU10-P8
18S12FU12-P12
18S16FU16-P16
18S20FU20-P20
18S24FU24-P24
Part Number
18S6FU6-PF4
18S6FU6-PF6
18S8FU8-PF8
18S8FU10-PF8
18S12FU12-PF12
18S16FU16-PF16
18S20FU20-PF20
18S24FU24-PF24
Part Number
18S6FU6-PU4
18S6FU6-PU6
18S8FU8-PU8
18S8FU10-PU8
18S12FU12-PU12
18S16FU16-PU16
18S20FU20-PU20
18S24FU24-PU24
Part Number
18S6J5-J5
18S6J5-J6
18S6J5-J8
18S6J6-J6
18S6J6-J8
18S6J8-J8
18S8J8-J8
18S8J8-J10
18S8J10-J10
18S12J12-J12
18S16J16-J16
18S20J20-J20
18S24J24-J24
18S32J32-J32
Part Number
18S6P4-J5
18S6P4-J6
18S6P4-J8
18S6P6-J5
18S6P6-J6
18S6P6-J8
18S8P8-J8
18S8P8-J10
18S12P12-J12
18S16P16-J16
18S20P20-J20
18S24P24-J24
18S32P32-J32
Part Number
18S6P4-P4
18S6P4-P6
18S6P6-P6
18S8P8-P8
18S12P12-P12
18S16P16-P16
18S20P20-P20
18S24P24-P24
18S32P32-P32
Part Number
18S6PF4-J5
18S6PF4-J6
18S6PF4-J8
18S6PF6-J5
18S6PF6-J6
18S6PF6-J8
18S8PF8-J8
18S8PF8-J10
18S12PF12-J12
18S16PF16-J16
18S20PF20-J20
18S24PF24-J24
18S32PF32-J32
Part Number
18S6PF4-P4
18S6PF4-P6
18S6PF6-P4
18S6PF6-P6
18S8PF8-P8
18S12PF12-P12
18S16PF16-P16
18S20PF20-P20
18S24PF24-P24
18S32PF32-P32
Part Number
18S6PF4-PF4
18S6PF4-PF6
18S6PF6-PF6
18S8PF8-PF8
18S12PF12-PF12
18S16PF16-PF16
18S20PF20-PF20
18S24PF24-PF24
18S32PF32-PF32
Part Number
18S6PU4-J5
18S6PU4-J6
18S6PU4-J8
18S6PU6-J5
18S6PU6-J6
18S6PU6-J8
18S8PU8-J8
18S8PU8-J10
18S12PU12-J12
18S16PU16-J16
18S20PU20-J20
18S24PU24-J24
18S32PU32-J32
Part Number
18S6PU4-P4
18S6PU4-P6
18S6PU6-P4
18S6PU6-P6
18S8PU8-P8
18S12PU12-P12
18S16PU16-P16
18S20PU20-P20
18S24PU24-P24
18S32PU32-P32
Part Number
18S6PU4-PU4
18S6PU4-PU6
18S6PU6-PU6
18S8PU8-PU8
18S12PU12-PU12
18S16PU16-PU16
18S20PU20-PU20
18S24PU24-PU24
18S32PU32-PU32
|