|

Murphy ES2T-250/300-1/2 Temperature Sender (10702013)
ES2T-250/300-1/2溫度傳感器(10702013)
ES2T-250/300-1/2是一款2線制不接地溫度發送器,用于電溫度計。該型號具有 1/2-14 NPT 螺紋尺寸和 300°F 的最高額定溫度。
文獻:
電量具 (EG) 和 Swichgage 產品公告
溫度發送器規格公告 (2014)
安裝說明 (1999)
安裝說明 (2008)
用于電表溫度發送器的電阻表
Murphy ES2T-250/300-1/2 Temperature Sender (10702013)
The ES2T-250/300-1/2 is a 2-wire ungrounded temperature sender for use with electric temperature gages. This model has a 1/2-14 NPT thread size and a 300°F maximum temperature rating.
Literature:
Electric Gage (EG) and Swichgage Product Bulletin
Temperature Senders Specifications Bulletin (2014)
Installation Instructions (1999)
Installation Instructions (2008)
Resistive Table for Electric Gage Temperature Senders
sect. 70 1411608 rev. 2014/12/09
Temperature Senders
These Temperature Senders are designed to be used in conjunction with our EG Series Swichgage Instruments as well as CAN I/O modules. See the bulletin 95090 EG Series – Electric Gage and Swichgage Instrument for more information.
NOTE: Always provide proper circuit protection with fuses or circuit breakers.
Specifications
Housing Material: Brass Temperature Range:
100o-250oF (40o-120oC) or 140o-300oF (60o-150oC)
Resistance Values
EST-250/300, ES2T-250/300 Senders:
100 F = 1050 ohms (rising temperature)
150 F = around 330 ohms (rising temperature)
180 F = 174 ohms (rising temperature) (secondary calibration point)
210 F = 100 ohms (rising temperature) (primary calibration point)
250 F = 54 ohms (rising temperature)
EST-250/300, ES2T-250/300 Senders:
140 F = 410 ohms (rising temperature)
180 F = 176 ohms (rising temperature)
210 F = 100 ohms (rising temperature) (secondary calibration point)
240 F = 63 ohms (rising temperature) (primary calibration point)
300 F = 26 ohms (rising temperature)
Resistance Table for Temperature Sender
The voltage generated when excited by a 2.5mA DC constant current
°C 0 10 20 30 40 50 60 70 80 90 100 110 120 130 140
R(Ohm) 7208 4115 2529 1594 1029 680 460 321 227 164 120 89 74 52 40
V (mV) 18.0V 10.3V 6.32V 3.98V 2.57V 1.70V 1.15V (0.80) (0.57) (0.41) (300) (222) (185) (130) (100)
Resistive Range Table (Nominal OHMS)
100–250oF 40–120oC 140–300oF 60–150oC
Temp. OHMS Temp. OHMS Temp. OHMS Temp. OHMS
100 1050 40 1050 140 410 60 410
150 330 60 410 180 176 80 189
180 176 80 193 210 100 100 97
210 103 100 100 240 63 120 55
250 54 120 55 300 26 150 25
In order to consistently bring you the highest quality, full-featured products, we reserve the right to change our specifications and designs at any time. MURPHY products and the Murphy logo are registered and/or common law trademarks of Enovations Controls, LLC. This document, including textual matter and illustrations, is copyright protected by Enovation Controls, LLC, with all rights reserved. (c) 2014 Enovation COntrols, LLC. A copy of the warrant may be viewed or printed by going to http://fwmurphy.com/warranty.
Model EST Series Model ES2T Series
EST Wiring ES2TWiring
EST 250/300 1/2-14 NPT
ES2T 250/300 1/2-14 NPT
ES2T 250/300 1/8-27 NPT
EST 250/300 1/8-27 NPT
ES2T 250/300-X 5/8-18 UNF
OPTIONAL: TERMINAL BOOT
EST 250/300-X 5/8-18 UNF
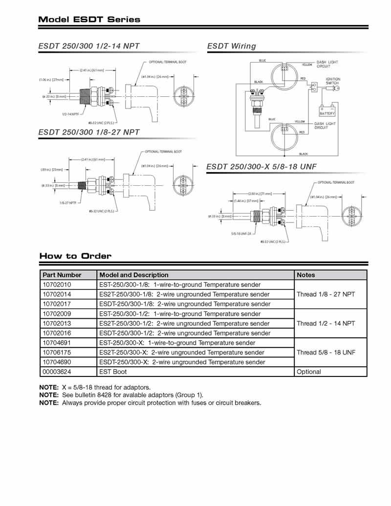
Model ESDT Series
ESDT 250/300 1/2-14 NPT ESDT Wiring
ESDT 250/300-X 5/8-18 UNF
How to Order
Part Number 10702010 10702014 10702017 10702009 10702013 10702016 10704691 10706175 10704690 00003624 Model and Description EST-250/300-1/8: 1-wire-to-ground Temperature sender ES2T-250/300-1/8: 2-wire ungrounded Temperature sender ESDT-250/300-1/8: 2-wire ungrounded Temperature sender EST-250/300-1/2: 1-wire-to-ground Temperature sender ES2T-250/300-1/2: 2-wire ungrounded Temperature sender ESDT-250/300-1/2: 2-wire ungrounded Temperature sender EST-250/300-X: 1-wire-to-ground Temperature sender ES2T-250/300-X: 2-wire ungrounded Temperature sender ESDT-250/300-X: 2-wire ungrounded Temperature sender EST Boot Notes Thread 1/8 - 27 NPT Thread 1/2 - 14 NPT Thread 5/8 - 18 UNF Optional
NOTE: X = 5/8-18 thread for adaptors.
NOTE: See bulletin 8428 for avalable adaptors (Group 1).
NOTE: Always provide proper circuit protection with fuses or circuit breakers.



|