|

OPW底部灌裝系統_OPW Bottom Loading Arm Systems
OPW底部灌裝臂
OPW工程系統公司的底部灌裝系統與傳統的頂部灌裝相比具有很多優點:
- 保證灌裝臂操作人員的安全是基本的優點,因為操作人員可以停留在地面上,而不需要站到槽 車頂上,從而避免發生跌落的危險。
- 連接更為快捷,從而縮短了總體灌裝時間。
- 底部灌裝不容易造成儲罐內的湍流,減少了產生靜電的危險。
- 底部灌裝不僅減少了危害環境的油氣產生,而且能更容易配合油氣回收裝置,將灌裝過程中排出的油氣完全回收。
- 速度是底部灌裝關鍵的優勢,因為這種方式能更快地裝滿儲罐,而且可以同時對多艙進行灌裝。
- 與頂部灌裝裝車臺相比,底部灌裝裝車臺比較簡單,建造費用也較低。同時因能在較短時間內安全地灌裝更多的物料,且能減少跑溢和油氣損失,因而為客戶節約了更多成本。OPW工程系統公司專業提供能夠滿足高效裝卸石油產品、化學品和液化氣要求的完整系列的設備產品。
|
|
無支撐懸臂型底部灌裝臂 |
“A”字型灌裝臂 |
|
|
“A”字型軟管灌裝臂AFH-32-F |
CWH系列重力平衡軟管灌裝臂 |
|
|
短型軟管灌裝臂 |
長型軟管灌裝臂 |
無支撐懸臂型底部灌裝臂
“A”字型灌裝臂
“A”字型軟管灌裝臂AFH-32-F
CWH系列重力平衡軟管灌裝臂
短型軟管灌裝臂
長型軟管灌裝臂
一、OPW 流體輸送集團簡介
OPW 流體輸送集團(OPW-FTG )是多福集團公司(Dover Corporation, NYSE:DOV )的子集團公司,擁有五個運營公司。每個運營公司都致力于為散裝危險物品的安全裝卸和運輸領域提供的產品設計,生產制造和分銷服務。此外,OPW 流體輸送集團(OPW-FTG )還擁有在北美,歐洲,巴西和印度和生產基地以及位于英國,新加坡,俄羅斯和中國的銷售公司。
目前OPW 流體輸送集團該類設備已在各地得到了廣泛的應用,收到了良好效果。OPW 流體輸送集團已有100 多年的歷史,充分發揮國際著名公司的優勢,在裝車系統技術上保持前列,并在系統的可靠性及質量上給予充分保證。為了降低工程及服務費用OPW 流體輸送集團通過其代理商為國內用戶提供迅捷有效的技術咨詢、設計、工程調試、售后服務、備品備件供應等一整套服務手段。
我方保證完全遵照買方技術規范數的要求,所提供的輸油臂系統完全滿足買方提出的技術規格和環境要求,能在買方的工藝流程上滿意的運行。
二、底部灌裝系統概述
1. 歷史與早期的發展
底部灌裝是向罐車體內注入石油制品的一種方法,它的主要特點通過安裝在罐車底部由閥門和管件組成的系統向罐體內加注石油制品。傳統的加注方式是通過罐車頂部的人孔蓋向罐體內加注。
頂部加注有以下缺點:
- 操作人員須站在高于地面3 米的罐車頂部工作。
- 站在罐車頂部的操作人員須將輸油臂放入人孔。
- 在加注的過程中,站在罐車頂部的操作人員會吸入油品的蒸汽,影響健康。
- 異物容易進入罐體內污染油品,如雨、雪、灰塵等。
- 頂部加注引起液體的飛濺導致罐體的靜電聚集。
鑒于安全因素及污染物是主要的問題,在20 世紀50 年代早期初期的底部灌裝系統開始被用于航空工業。特別是噴氣發動機油料中的污染物是很大的安全隱患。出于同樣的原因美國及歐洲的石油公司開始試驗底部灌裝系統。在這個發展階段,兩個事件對推動底部灌裝提供起到了關鍵作用:
1. 美國石油學會認識到底部灌裝的價值,由于底部灌裝的優點這種方式值得鼓勵使用。
2. 美國石油學會認識到在大規模使用底部灌裝前需要一個工業標準。
根據對當時技術水平的研究,在1967 年美國石油學會發布了第一版API 標準1004 。這個標準不斷更新已經擴展到含蓋油氣回收及放溢流系統。目前這是美國及大部分歐洲國家的底部灌裝的標準。在許多方面,底部灌裝設備及流程的標準化促進了底部灌裝的實踐。
美國石油學會針對安全因素及設備的兼容性提出了建議。API 標準1004 的結果是形成了一個可接受的統一的安全標準,確保了裝備良好的油罐車安全裝卸。反污染法的實施是推動底部灌裝的另一個主要因素。這個法規要求回收油氣而不是將其排放到大氣中。石油跨國公司推動了底部灌裝在不同國家的發展,他們認識到了底部灌裝的優點同時當地政府制定法律要求罐車更安全的工作。
2. 底部灌裝的優點
除了安全及環保的優點外,底部灌裝還有很多優點,以下是一些主要優點:
1. 防火:頂部灌裝會產生液體的飛濺,從而一起靜電在倉內聚集,靜電聚集到一定的程度將進行放電,導致放電的原因有很多,操作人員及設備在車頂的移動增加的靜電產生火花的機會。消除靜電將減小風險。靜電接地與防溢流系統將大大降低產生火花的可能。
2. 防溢流:每一種石油制品溢出都可能引起潛在的不良后果,例如:火災、環境污染及產品損失等。在底部灌裝系統中使用的干式快換接頭可以減少或消除在灌區或加油站的溢流。美國石油學會要求的防溢流系統消除了在灌區發生溢流的可能。
3. 保證操作人員的安全:頂部灌裝要求操作人員在車頂上狹窄的人行道上走動,并要操縱笨重的設備,并以不同的姿勢完成工作。同時操作人員可能在惡劣的氣候下工作,還要吸入相當數量的油品蒸氣而影響健康。操作人員還須對緊急情況做出快速的反應。
4. 底部灌裝,操作人員可以安全的站在地面上。在實際的裝卸過程中,操作人員通常站在控制器,當出現事故時可以快速反應。
5.油氣回收:石油制品的運輸會導致當地的環境污染。與頂部灌裝相比,底部灌裝可以有效的回收油氣,95%的油氣可以被回收。
6. 避免油品被污染:在進行頂部灌裝時,罐體頂部的人孔蓋是打開的,雨、雪、灰塵等雜質很容易污染油品。而底部灌裝時人孔蓋是關閉的,整個系統是封閉的。
7.快速裝載:有幾個因素共同作用使底部灌裝的速度快于頂部灌裝。首先,操作人員不需要爬到車頂去打開人孔蓋并將輸油臂放到位置。操縱底部輸油臂連接到油罐車更容易。其二,可以同時進行多倉裝載,當然需要安裝相映的設備,裝載速度大大高于頂部灌裝。頂部灌裝的速度為1100 至1500lpm,底部灌裝的速度為2100 至2800 。
8. 灌區費用低:顯而易見底部灌裝的灌區建造及維護費用要低于頂部灌裝。頂部灌裝所需要的一些高架的結構不需要了。當更新灌區時會有實質的費用節省。
3. 底部灌裝罐車簡介

三、OPW 底部灌裝系統
1. 概述
在API 標準中所要求的設備中,輸油臂是底部灌裝灌區的關鍵設備。在底部灌裝剛起步的階段,OPW 工程系統公司就根據API 標準1004 參與了底部灌裝的研發。OPW 的底部灌裝輸油臂有不同的型號,可以滿足客戶的特殊要求。
底部灌裝輸油臂和頂部灌裝輸油臂有一些共同的特征,旋轉接頭、管子、彎管和法蘭都用于這兩種輸油臂。不同點是頂部灌裝使用切斷閥,而底部灌裝在輸油臂出口處使用的干式快換陰端接頭,這個API 標準的陰端接頭與裝在罐車上的API 標準陽端接頭配合使用。有一個把手裝在陰端接頭背面便于操作。根據API 標準1004 ,陰端接頭必須滿足一些設計規范,從而保證OPW 的API 陰端接頭與任意罐車上的API 陽端匹配。
對于底部罐裝輸油臂來說,關鍵是輸油臂的活動范圍確保陰端接頭可以與罐車上的陽端接頭連接,API 標準1004 對這個活動范圍做了規定。OPW 可以根據客戶的要求確定活動范圍是主要的因素。輸油臂的活動范圍確保了底部灌裝的兼容性。
無論什么樣的罐車進入灌區,只要它符合API 的標準,輸油臂就應該可以同時與所有罐車上的陽端接頭連接。重要的優點來源于底部罐裝輸油臂的設計,根據API 的標準在輸油臂上使用軟管可以實現輸油臂交叉。輸油臂交叉可以同時為不同的儲油倉加注不同的石油制品,這是在輸油臂末端使用軟管而不是剛性管的主要原因。
不同的附件及其他的一些設備可以與輸油臂一起使用。我們可以跟客戶的要求決定所需要的配置,以下是可供選擇的一些配置:
- 不同型號的旋轉接頭可以滿足客戶的需求
- 復合材料或者不銹鋼軟管
- 軟管保護套既可保護軟管又可以標識產品
- 裝在API 陰端接頭前面的單向閥
- 輸油臂支架
- 停靠裝置用于輸油臂不工作的時候
- API 陰端接頭的保護蓋及DRAIN ADAPTOR
- 位置開關用于控制輸油臂是在工作的位置還是停靠的位置
2. 系統組成
OPW 底部灌裝系統主要由輸油臂、輸油臂停靠裝置、油氣回收臂或軟管、靜電接地及防溢流檢測器和各種附件組成。
1) 輸油臂
OPW 流體輸送集團可以根據客戶的實際要求提供各種平衡方式的輸油臂,包括但并不限于扭力彈簧平衡,線性彈簧平衡和重力平衡。下表比較了通用的扭力平衡/線性彈簧和較老式的重力平衡方式的優缺點:
| 比較項目 |
重力平衡 |
線性彈簧 |
扭力彈簧 (790E-) |
| 技術特點 |
傳統平衡方式,技術上可接受,不是優選擇 |
廣泛接受的平衡方式,較佳選擇 |
廣泛接受的平衡方式,較佳選擇 |
| 重量 |
重量重,體積大,對管道連接處的旋轉接頭產生的應力大 |
重量輕,體積小 |
重量輕,體積小 |
| 裝卸臂移動范圍 |
水平臂的上下移動通過中部軟管的彎曲實現,上下移動角度范圍一般為±15°,操作范圍窄 |
水平臂的上下移動通過旋轉接頭的一維旋轉實現,操作范圍廣,上下移動角度范圍一般為±30° |
水平臂的上下移動通過旋轉接頭的一維旋轉實現,操作范圍廣,上下移動角度范圍一般為±30° |
| 旋轉接頭個數 |
一般為2 個一維旋轉接頭 |
一般為1 或2 個一維旋轉接頭和1 個兩維旋轉接頭 |
一般為1 或2 個一維旋轉接頭和1 個兩維旋轉接頭 |
| 入口旋轉接頭(與管道連接) |
一維旋轉 |
兩維旋轉 |
兩維旋轉 |
| 中間旋轉接頭 |
一般為彎管 |
彎管或一維旋轉接頭 |
彎管或一維旋轉接頭 |
| 尾部旋轉接頭(與API 接頭連接部分) |
一維旋轉接頭 |
一維旋轉接頭 |
一維旋轉接頭 |
| 平衡調節 |
容易調節平衡,不需專用工具 |
容易調節 一般型容易調節 |
790E- 型,容易調節,不需專用工具 |
| 交叉 |
可實現 |
可實現 |
可實現 |
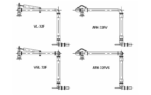
鑒于,以上比較我們推薦使用采用結構緊湊的扭力彈簧的平衡方式。如圖表示的是輸油臂的幾種基本形式:

字母的含義:H 表示末端輸油臂為軟管;S 表示垂直臂通過旋轉接頭與水平臂連接;L 代表線性彈簧;A 代表扭力彈簧;F 表示進口通過法蘭連接。
我們推薦的形式為AFH-32FS ,它使用了結構緊湊的扭力彈簧作為平衡的方式并用旋轉接頭連接水平臂與垂直臂從而得到靈活性。當然我們也可以完全按照客戶的要求來制造輸油臂,這里所提供的只是一些基本的信息,如果您需要更多有關輸油臂的信息請聯系我們。
我們為輸油臂提供兩大類的API 陰端接頭1004-D2 系列1005E 系列和,如下圖。我們所有的API 陰端接頭都采用的是5 凸輪設計確保連接的可靠性。1004-D2 與1005E 區別在于把手不同,客戶可根據自己的實際需求進行選擇。

2) 油氣回收臂
底部灌裝的優點之一就是可以進行油氣回收,我們提供的油氣回收臂有如下圖所示的幾種形式。
字母的含義:V 表示油氣回收;S 表示垂直臂通過旋轉接頭與水平臂連接;L 代表線性彈簧;A 代表扭力彈簧;F 表示進口通過法蘭連接。

我們同時提供油氣回收接頭,型號為633CPP-4040 或633CPP-4030 。4040 與4030 的區別在于4040后端接4″軟管而4030后端接3″軟管。為了幫助客戶降低成本,我們還提供了低成本的油氣回收軟管。如下圖所示。

3) 輸油臂及油氣回收臂停靠裝置
停靠裝置主要作用是保護接頭并固定輸油臂及工作臂停靠整齊。如下圖。

我們還提供帶有排泄閥的停靠接頭1004DRN 用于輸油臂的停靠,如下圖。

4) 防溢流及靜電接地檢測器
我們推薦的CIVACON 8130 型光學防溢流及靜電接地檢測器可同時進行防溢流和靜電接地檢測,它采用工業標準級的光學信號可同時檢測12 個配光學防溢流傳感器的油倉。它具有工作可靠、易于安裝、重量輕等特點。

5) 其他附件
a) 輸油臂套管輸油臂套管起到保護及標識產品的作用。

b) 支撐架
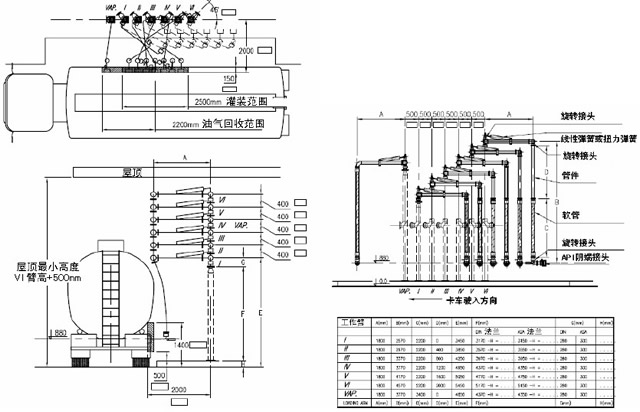
支撐架是用來支撐輸油臂及油氣回收臂。下圖以6 個輸油臂和1 個油氣回收臂為一套系統為例。

c) 視鏡
視鏡可以指示管線中介質流速、流向等信息。我們可以提供完整的視鏡系列產品,包括不同的尺寸、形式及材料,適用于廣泛的工業應用。我們為客戶提供快速、可靠及低成本的視鏡產品。

d) 1386IM 測試儀1386IM 測試儀用于測試8130 型光學防溢流及靜電接地檢測器的工作是否正常。

3. 系統的安裝
1)輸油臂部分下圖以6 個輸油臂和1 個油氣回收臂為例說明輸油臂的安裝。

2) 防溢流和靜電檢測系統線路連接
a) 電源線連接

b) 信號線連接

4. 案例
我們以一包含4 個輸油臂和1 個油氣回收臂的系統為例來說明如何選擇我們的產品。
零件名稱
|
型號 |
數量 |
備注 |
| 輸油臂 |
AFH-32FS |
4 |
扭力彈簧平衡,旋轉接頭連接垂管. |
| 輸油臂停靠裝置 |
1005PA-40 |
4 |
不帶傳感器 |
| 油氣回收臂 |
AFH-32FVS |
1 |
扭力彈簧平衡,旋轉接頭連接垂管 |
| 油氣回收臂停靠裝置 |
610T |
1 |
不帶傳感器 |
| 支撐架 |
|
5 |
選配件 |
| 輸油臂套管 |
|
|
選配件 |
| 裝車監視器 |
8130 |
4 |
防溢流及靜電接地檢測 |
| 接線盒 |
7560 |
1 |
|
| 光電連接頭 |
7100 |
1 |
|
| 旁路單元 |
BCU-2 |
1 |
選配件 |
| 裝車監視器測試儀 |
1386IM |
1 |
測試8130 |
5. 輸油臂設計所需信息
|