|
本質安全防爆與安全柵
在許多工業過程中,需要處理或使用一些易燃材料,如原油和它的衍生物,酒精,天然氣,粉末,飛揚物,任何滲漏或濺出都有可能形成一個爆炸環境(危險場所,具體分類方法見下文)。為了工廠和人員的安全,必須確保這個環境不會被點燃引起爆炸。
而在生產過程中大量使用電氣設備,各種磨擦的電火花、靜電火花、高溫等不可避免,尤其當設備發生故障時,都有可能會點燃爆炸環境。為了防止爆炸的發生,至今已開發了8中不同的防爆技術,其中本質安全是一種低成本而高有效的防爆技術。
本質安全(IS)是系統防爆的技術,如下圖,安全場所的控制室設備通過安全柵與危險場所的本安設備相連,傳遞信號或能量。安全柵利用限流和限壓電路,限制了從安全場所傳遞到危險場所的能量;處于危險場所的本安設備在這樣的能量下能夠正常工作,但這樣的能量不足以引燃爆炸環境,即使本安設備自身發生故障,也不會產生任何足以引燃的電火花或發熱表面。因此,無論是安全場所的控制室設備還是危險場所的本安設備發生故障,只要安全柵的限流限壓電路正常工作,整個系統都會處于安全狀態,不會產生爆炸。

安全柵作為控制室的非本安設備與危險場所的本安設備之間的關聯設備,是本安防爆系統中的重要組成部分。常見的安全柵包括齊納式安全柵、晶體管式安全柵、變壓器隔離式安全柵。
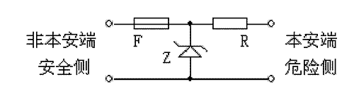
齊納式安全柵電路原理如下圖所示,穩壓二極管Z限制了從非本安端傳到本安端的電壓,電阻R則限制了從非本安端傳到本安端的電流,快速熔斷器F用于保護穩壓二極管Z不被過大的電流燒壞。由于電路的限壓和限流,輸出到危險區的能量被限制在安全值以內。齊納式安全柵的特點是電路所用的元器件極少、故障率低、成本低、回路信號保真性好;但由于必須加限能電阻和智能變送器的采樣電阻,過大的電壓降低往往會導致回路供電不足;而且在工程應用中必須可靠接地,否則便會失去防爆安全保護功能。
齊納式安全柵是本安防爆系統中的一種非常重要的關聯設備。當出現故障時,齊納安全柵會確保現場安全。齊納式安全柵起保護作用后它內部的熔絲就要燒斷,由于防爆上的特殊要求:齊納式安全柵要用環氧樹脂灌封,因而燒斷熔絲的齊納安全柵也就損壞了,必須更換新的齊納式安全柵。MSB500系列齊納安全柵是一種新穎的熔絲可更換式齊納安全柵,系我公司新開發的齊納式安全柵。產品系列齊全,適用于各種變送器、電氣閥門定位器、各類開關、電磁閥、流量儀表、熱電阻、熱電偶及一些特殊的現場儀表。同時可與各種
DCS
系統連接對智能變送器實現雙向數字通訊。MSB500系列齊納式安全柵是在常規的齊納安全柵基礎上改進而成的,由一個完整的齊納安全柵和可更換的熔絲組成。在出現故障時可以很方便的更換熔斷器,避免了煩瑣的拆裝工作。
晶體管式安全柵以晶體管組成限壓限流電路,如下圖,正常情況下Z1和Q1截止、Q2導通,非本安端與本安端進行信號傳送。當非本安端電壓過高時,Z1反向擊穿,Q1導通,使Q2截止,切斷了非本安端與本安端的通路,使本安端輸出電壓為零,實現過壓保護作用;當回路電流過大時,R4上壓降增大,使Q1導通,Q2進入線性放大狀態,限制回路電流,實現過流保護作用。與齊納式安全柵比較,晶體管式安全柵相對復雜,但由于它不需要熔斷器,系統正常時它能自動恢復到正常工作狀態并可以重復使用,所以通常又稱之為重復式安全柵。
重復式安全柵本身不需要接地,也沒有隔離功能。在防爆系統中使用時必須和隔離單元配合使用。由于電路相對復雜,難以做到3重防爆,所以只適合防爆要求不高的1區和2區。我公司的MSB101安全柵就是這樣的安全柵。
隔離式安全柵以上述兩種安全柵作為本安電路,實現能量限制功能;并用變壓器或光電器件隔離本安電路與非本安電路,進行能量交換和信號傳輸,其原理框圖如下。隔離式安全柵線路復雜,但通用性強、可靠性高。隔離式安全柵信號處理功能更強,能夠接受并處理熱電偶、熱電阻等信號,也很容易實現信號分配(一入二出),使之適用面更廣;由于電源、輸入、輸出相互隔離,在組成系統時不需要接地,給設計與工程施工帶來很大方便,降低了系統的綜合成本;因為沒有公共接地,信號完全浮空,檢測和控制回路的信號穩定性和抗干擾能力大大加強,從而提高了整個系統的可靠性(對于DCS自動控制系統來說,這一點特別重要)。
我公司的MSB300系列隔離式安全柵產品種類豐富,可以滿足各種現場應用需求。MSB300系列隔離式安全柵產品采用數字化技術,性能穩定可靠,自動補償零點,校準由軟件完成,不需要可調電位器,避免了機械影響。MSB300系列隔離式安全柵針對目前大多數工程應用情況,在不影響使用的情況下,適當地降低了輸出負載能力,并大幅度提高了電源電路的工作效率,從而大大降低了整機工作功耗,提高了產品的熱穩定性,并可以給用戶帶來直接的經濟效益。
安全柵屬于國家強制檢驗范圍,它的電路設計和結構設計必須通過國家防爆檢驗機關檢驗,檢驗合格并獲得證書才能投入使用。在進行防爆系統設計時,必須根據危險場所的危險性、危險場所的氣體環境,選用相應防爆等級的安全柵。
危險場所危險性的劃分
爆炸性危險氣體危險性分類
根據氣體和空氣的混合物容易被點燃所需要的能量劃分。設備根據它所適用的氣體環境分組。
安全柵的防爆等級
本質安全型電器設備及其關聯設備,按本安電路使用的場所和安全程度分為ia和ib兩個等級。
ia:在正常工作、1個故障和2個故障時均不能點燃爆炸性氣體混合物,適用于0區、1區、2區;
ib:在正常工作和1個故障時不能點燃爆炸性氣體混合物,適用于1區、2區。
安全柵的防爆標志
防爆標志格式:[Exia]ⅡC
|