|
|
|
|
Kopex ISR series Industrial strain relief fitting
Increased safety cable gland for use in ordinary and hazardous locations. ?Meets 100% of the IEC pullout requirements.

Kopex ISR series Industrial strain relief fitting
Features?
- High pullout force
- Robust metallic construction
- Wide interface seal
- Wide clamping range
- Compact construction
- Safe operating temperature range: -50oC to +110oC (-58°F to +230°F)
- IP66 rating
- Type 4X - Ingress Protection?
Material
- Copper free aluminium (stainless steel 316L options)
- Silicone seal bushing
- Glass filled nylon and TPE grip
Suitable for use with
- Portable cables
- Tray cables
- Non-armoured cables
Applications
- Hazardous and industrial sites
––Class I Div 2 and Class II Div 1 locations
––Ex e and Ex ta Zones area
- Extreme temperatures environments
- Physically demanding applications
Product approvals
- RoHS (Restriction of Hazardous Substances Directive) 2011/65/EU Incorporating 2015/863 amendment to Annex II
- ATEX (Equipment for Explosive Atmospheres Directive) 2014/34/EU
- CSA C22.2/IEC/EN 60079-0, 60079-7, 60079-31
––II 1D 2G
––Ex e IIC Gb
––Ex ta IIIC Da
- UL2225
––Class I Zone 1 AEx e IIC Zone 20 AEx ta
- CSA C22.2-25
––Class I DIV2 ABCD Class II DIV1 EFG Class III DIV1
- UL514B /CSA C22.2-18.3
––Wet and Dry Locations

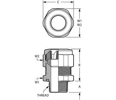
–ISR Metric
Bold numbers are metric, parenthesis numbers are inches.
Note: Product must be installed in accordance with applicable national and local electrical codes.
| Part no: |
Thread |
Cable range |
Nominal dimensions |
|
(metric) |
Min |
Max |
A |
B |
C |
W1 |
W2 |
| ISRM20-13 |
M20x1.5 |
8.25 |
13.34 |
16.00 |
41.91 |
34.29 |
31.75 |
31.75 |
|
|
(0.325) |
(0.525) |
(0.630) |
(1.650) |
(1.350) |
(1.250) |
(1.250) |
| ISRM20-15 |
M20x1.5 |
10.79 |
15.00 |
16.00 |
42.75 |
38.10 |
34.93 |
34.93 |
|
|
(0.425) |
(0.591) |
(0.630) |
(1.683) |
(1.500) |
(1.375) |
(1.375) |
| ISRM25-15 |
M25x1.5 |
10.79 |
15.75 |
18.00 |
42.75 |
41.28 |
38.10 |
38.10 |
|
|
(0.425) |
(0.620) |
(0.709) |
(1.683) |
(1.625) |
(1.500) |
(1.500) |
| ISRM25-20 |
M25x1.5 |
14.86 |
20.07 |
18.00 |
45.47 |
43.18 |
40.49 |
40.49 |
|
|
(0.585) |
(0.790) |
(0.709) |
(1.790) |
(1.700) |
(1.594) |
(1.594) |
| ISRM32-26 |
M32x1.5 |
19.94 |
26.04 |
18.00 |
46.18 |
48.26 |
44.45 |
44.45 |
|
|
(0.785) |
(1.025) |
(0.709) |
(1.818) |
(1.900) |
(1.750) |
(1.750) |
| ISRM40-31 |
M40x1.5 |
25.02 |
30.86 |
18.00 |
50.62 |
58.93 |
55.63 |
55.63 |
|
|
(0.985) |
(1.215) |
(0.709) |
(1.993) |
(2.320) |
(2.190) |
(2.190) |
| ISRM40-35 |
M40x1.5 |
30.10 |
34.80 |
18.00 |
48.72 |
58.93 |
55.63 |
55.63 |
|
|
(1.185) |
(1.370) |
(0.709) |
(1.918) |
(2.320) |
(2.190) |
(2.190) |
| ISRM50-39 |
M50x1.5 |
33.91 |
39.37 |
18.00 |
49.40 |
65.53 |
60.33 |
60.33 |
|
|
(1.335) |
(1.550) |
(0.709) |
(1.945) |
(2.580) |
(2.375) |
(2.375) |
| ISRM63-45 |
M63x1.5 |
38.73 |
45.34 |
20.00 |
51.23 |
81.28 |
76.20 |
72.85 |
|
|
(1.525) |
(1.785) |
(0.787) |
(2.017) |
(3.200) |
(3.000) |
(2.868) |
| ISRM63-52 |
M63x1.5 |
44.58 |
52.20 |
20.00 |
51.05 |
81.28 |
76.20 |
76.20 |
|
|
(1.755) |
(2.055) |
(0.787) |
(2.010) |
(3.200) |
(3.000) |
(3.000) |
–ISR NPT
Bold numbers are metric, parenthesis numbers are inches.
Note: Product must be installed in accordance with applicable national and local electrical codes.
| Part no: |
Thread (NPT) |
Cable range |
Nominal dimensions |
|
|
Min |
Max |
A |
B |
C |
W1 |
W2 |
| ISR050-053 |
1/2" |
8.26 |
13.34 |
15.75 |
41.91 |
34.29 |
31.75 |
31.75 |
|
|
(0.325) |
(0.525) |
(0.620) |
(1.650) |
(1.350) |
(1.250) |
(1.250) |
| ISR050-062 |
1/2" |
10.80 |
15.75 |
15.75 |
42.75 |
38.10 |
34.93 |
34.93 |
|
|
(0.425) |
(0.620) |
(0.620) |
(1.683) |
(1.500) |
(1.375) |
(1.375) |
| ISR075-062 |
3/4" |
10.80 |
15.75 |
16.00 |
42.75 |
41.28 |
38.10 |
38.10 |
|
|
(0.425) |
(0.620) |
(0.630) |
(1.683) |
(1.625) |
(1.500) |
(1.500) |
| ISR075-082 |
3/4" |
14.86 |
20.70 |
16.00 |
45.47 |
43.18 |
40.49 |
40.49 |
|
|
(0.585) |
(0.815) |
(0.630) |
(1.790) |
(1.700) |
(1.594) |
(1.594) |
| ISR100-102 |
1" |
19.94 |
26.04 |
19.94 |
46.18 |
48.26 |
44.70 |
44.70 |
|
|
(0.785) |
(1.025) |
(0.785) |
(1.818) |
(1.900) |
(1.760) |
(1.760) |
| ISR125-122 |
1-1/4" |
25.02 |
30.86 |
20.57 |
50.62 |
58.93 |
55.63 |
55.63 |
|
|
(0.985) |
(1.215) |
(0.810) |
(1.993) |
(2.320) |
(2.190) |
(2.190) |
| ISR125-137 |
1-1/4" |
30.10 |
34.80 |
20.57 |
48.72 |
58.93 |
55.63 |
55.63 |
|
|
(1.185) |
(1.370) |
(0.810) |
(1.918) |
(2.320) |
(2.190) |
(2.190) |
| ISR150-156 |
1-1/2" |
33.91 |
39.37 |
20.96 |
49.40 |
65.53 |
60.33 |
60.33 |
|
|
(1.335) |
(1.550) |
(0.825) |
(1.945) |
(2.580) |
(2.375) |
(2.375) |
| ISR200-179 |
2" |
38.74 |
45.34 |
21.84 |
51.23 |
76.50 |
72.85 |
72.85 |
|
|
(1.525) |
(1.785) |
(0.860) |
(2.017) |
(3.012) |
(2.868) |
(2.868) |
| ISR200-206 |
2" |
44.58 |
52.20 |
21.84 |
51.05 |
81.28 |
76.20 |
76.20 |
|
|
(1.755) |
(2.055) |
(0.860) |
(2.010) |
(3.200) |
(3.000) |
(3.000) |
|